SNVS602L March   2009  – June 2016 LM3409 , LM3409-Q1 , LM3409HV , LM3409HV-Q1

PRODUCTION DATA.  

  1. Features
  2. Applications
  3. Description
  4. Revision History
  5. Device Comparison Table
  6. Pin Configuration and Functions
  7. Specifications
    1. 7.1 Absolute Maximum Ratings
    2. 7.2 ESD Ratings
    3. 7.3 Recommended Operating Conditions
    4. 7.4 Thermal Information
    5. 7.5 Electrical Characteristics
    6. 7.6 Typical Characteristics
  8. Detailed Description
    1. 8.1 Overview
    2. 8.2 Functional Block Diagram
    3. 8.3 Feature Description
      1. 8.3.1 Buck Current Regulators
      2. 8.3.2 Controlled Off-Time (COFT) Architecture
        1. 8.3.2.1 Adjustable Peak Current Control
        2. 8.3.2.2 Controlled Off-Time
      3. 8.3.3 Average LED Current
      4. 8.3.4 Inductor Current Ripple
      5. 8.3.5 Switching Frequency
      6. 8.3.6 PWM Dimming Using the EN Pin
      7. 8.3.7 High Voltage Negative BIAS Regulator
      8. 8.3.8 External Parallel FET PWM Dimming
    4. 8.4 Device Functional Modes
      1. 8.4.1 Low-Power Shutdown
      2. 8.4.2 Thermal Shutdown
  9. Application and Implementation
    1. 9.1 Application Information
      1. 9.1.1 Input Undervoltage Lockout (UVLO)
      2. 9.1.2 Operation Near Dropout
      3. 9.1.3 LED Ripple Current
      4. 9.1.4 Buck Converters without Output Capacitors
      5. 9.1.5 Buck Converters With Output Capacitors
      6. 9.1.6 Output Overvoltage Protection
      7. 9.1.7 Input Capacitors
      8. 9.1.8 P-Channel MOSFET (PFET)
      9. 9.1.9 Re-Circulating Diode
    2. 9.2 Typical Applications
      1. 9.2.1 EN PIN PWM Dimming Application for 10 LEDs
        1. 9.2.1.1 Design Requirements
        2. 9.2.1.2 Detailed Design Procedure
          1. 9.2.1.2.1  Nominal Switching Frequency
          2. 9.2.1.2.2  Inductor Ripple Current
          3. 9.2.1.2.3  Average LED Current
          4. 9.2.1.2.4  Output Capacitance
          5. 9.2.1.2.5  Input Capacitance
          6. 9.2.1.2.6  PFET
          7. 9.2.1.2.7  Diode
          8. 9.2.1.2.8  Input UVLO
          9. 9.2.1.2.9  IADJ Connection Method
          10. 9.2.1.2.10 PWM Dimming Method
        3. 9.2.1.3 Application Curve
      2. 9.2.2 Analog Dimming Application for 4 LEDs
        1. 9.2.2.1 Design Requirements
        2. 9.2.2.2 Detailed Design Procedure
          1. 9.2.2.2.1  Nominal Switching Frequency
          2. 9.2.2.2.2  Inductor Ripple Current
          3. 9.2.2.2.3  Average LED Current
          4. 9.2.2.2.4  Output Capacitance
          5. 9.2.2.2.5  Input Capacitance
          6. 9.2.2.2.6  PFET
          7. 9.2.2.2.7  Diode
          8. 9.2.2.2.8  Input UVLO
          9. 9.2.2.2.9  IADJ Connection Method
          10. 9.2.2.2.10 PWM Dimming Method
        3. 9.2.2.3 Application Curve
      3. 9.2.3 LM3409 Buck Converter Application
        1. 9.2.3.1 Design Requirements
        2. 9.2.3.2 Detailed Design Procedure
          1. 9.2.3.2.1  Nominal Switching Frequency
          2. 9.2.3.2.2  Inductor Ripple Current
          3. 9.2.3.2.3  Average LED Current
          4. 9.2.3.2.4  Output Capacitance
          5. 9.2.3.2.5  Input Capacitance
          6. 9.2.3.2.6  PFET
          7. 9.2.3.2.7  Diode
          8. 9.2.3.2.8  Input UVLO
          9. 9.2.3.2.9  IADJ Connection Method
          10. 9.2.3.2.10 PWM Dimming Method
  10. 10Power Supply Recommendations
  11. 11Layout
    1. 11.1 Layout Guidelines
    2. 11.2 Layout Example
  12. 12Device and Documentation Support
    1. 12.1 Device Support
      1. 12.1.1 Third-Party Products Disclaimer
    2. 12.2 Related Links
    3. 12.3 Community Resources
    4. 12.4 Trademarks
    5. 12.5 Electrostatic Discharge Caution
    6. 12.6 Glossary
  13. 13Mechanical, Packaging, and Orderable Information

封装选项

机械数据 (封装 | 引脚)
散热焊盘机械数据 (封装 | 引脚)
订购信息

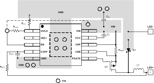
11 Layout

11.1 Layout Guidelines

The performance of any switching converter depends as much upon the layout of the PCB as the component selection. Following a few simple guidelines will maximimize noise rejection and minimize the generation of EMI within the circuit.

Discontinuous currents are the most likely to generate EMI, therefore take care when routing these paths. The main path for discontinuous current in the LM3409/09HV buck converter contains the input capacitor (CIN), the recirculating diode (D1), the P-channel MOSFET (Q1), and the sense resistor (RSNS). This loop should be kept as small as possible and the connections between all three components should be short and thick to minimize parasitic inductance. In particular, the switch node (where L1, D1 and Q1 connect) should be just large enough to connect the components without excessive heating from the current it carries.

The IADJ, COFF, CSN and CSP pins are all high-impedance control inputs which couple external noise easily, therefore the loops containing these high impedance nodes should be minimized. The most sensitive loop contains the sense resistor (RSNS) which should be placed as close as possible to the CSN and CSP pins to maximize noise rejection. The off-time capacitor (COFF) should be placed close to the COFF and GND pins for the same reason. Finally, if an external resistor (REXT) is used to bias the IADJ pin, it should be placed close to the IADJ and GND pins, also.

In some applications the LED or LED array can be far away (several inches or more) from the LM3409/09HV, or on a separate PCB connected by a wiring harness. When an output capacitor is used and the LED array is large or separated from the rest of the converter, the output capacitor should be placed close to the LEDs to reduce the effects of parasitic inductance on the AC impedance of the capacitor.

11.2 Layout Example

LM3409 LM3409-Q1 LM3409HV LM3409HV-Q1 snvs602_layout.gif Figure 34. Layout Recommendation