SNOSBT0L February   2000  – September 2016 LM340

PRODUCTION DATA.  

  1. Features
  2. Applications
    1.     Available Packages
  3. Description
    1.     Fixed Output Voltage Regulator
  4. Revision History
  5. Pin Configuration and Functions
    1.     Pin Functions
  6. Specifications
    1. 6.1 Absolute Maximum Ratings
    2. 6.2 ESD Ratings
    3. 6.3 Recommended Operating Conditions
    4. 6.4 Thermal Information
    5. 6.5 LM340A Electrical Characteristics, VO = 5 V, VI = 10 V
    6. 6.6 LM340 / LM7805 Electrical Characteristics, VO = 5 V, VI = 10 V
    7. 6.7 LM340 / LM7812 Electrical Characteristics, VO = 12 V, VI = 19 V
    8. 6.8 LM340 / LM7815 Electrical Characteristics, VO = 15 V, VI = 23 V
    9. 6.9 Typical Characteristics
  7. Detailed Description
    1. 7.1 Overview
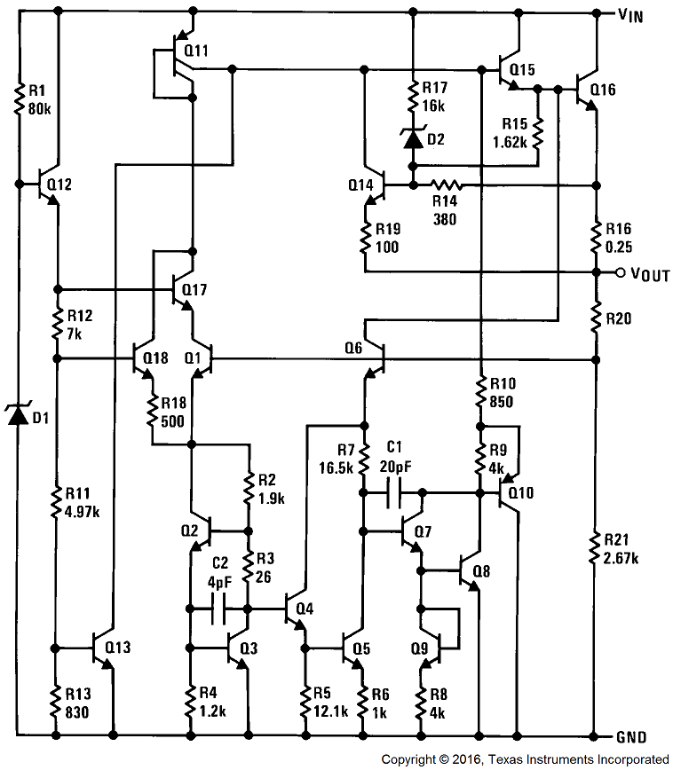
    2. 7.2 Functional Block Diagram
    3. 7.3 Feature Description
      1. 7.3.1 Output Current
      2. 7.3.2 Current Limiting Feature
      3. 7.3.3 Thermal Shutdown
    4. 7.4 Device Functional Modes
  8. Application and Implementation
    1. 8.1 Application Information
      1. 8.1.1 Shorting the Regulator Input
      2. 8.1.2 Raising the Output Voltage Above the Input Voltage
      3. 8.1.3 Regulator Floating Ground
      4. 8.1.4 Transient Voltages
    2. 8.2 Typical Applications
      1. 8.2.1 Fixed Output Voltage Regulator
        1. 8.2.1.1 Design Requirements
        2. 8.2.1.2 Detailed Design Procedure
        3. 8.2.1.3 Application Curve
    3. 8.3 System Examples
  9. Power Supply Recommendations
  10. 10Layout
    1. 10.1 Layout Guidelines
    2. 10.2 Layout Example
    3. 10.3 Heat Sinking DDPAK/TO-263 and SOT-223 Package Parts
  11. 11Device and Documentation Support
    1. 11.1 Documentation Support
      1. 11.1.1 Related Documentation
    2. 11.2 Related Links
    3. 11.3 Receiving Notification of Documentation Updates
    4. 11.4 Community Resources
    5. 11.5 Trademarks
    6. 11.6 Electrostatic Discharge Caution
    7. 11.7 Glossary
  12. 12Mechanical, Packaging, and Orderable Information

封装选项

机械数据 (封装 | 引脚)
散热焊盘机械数据 (封装 | 引脚)
订购信息

Functional Block Diagram

LM340 LM340A LM7805 LM7812 LM7815 00778107.png