SNOSD54 June   2017 LM339-MIL

PRODUCTION DATA.  

  1. Features
  2. Applications
  3. Description
  4. Revision History
  5. Pin Configuration and Functions
  6. Specifications
    1. 6.1 Absolute Maximum Ratings
    2. 6.2 ESD Ratings
    3. 6.3 Recommended Operating Conditions
    4. 6.4 Thermal Information
    5. 6.5 Electrical Characteristics
    6. 6.6 Typical Characteristics
  7. Detailed Description
    1. 7.1 Overview
    2. 7.2 Functional Block Diagram
    3. 7.3 Feature Description
    4. 7.4 Device Functional Modes
  8. Application and Implementation
    1. 8.1 Application Information
    2. 8.2 Typical Application
      1. 8.2.1 Basic Comparator
        1. 8.2.1.1 Design Requirements
        2. 8.2.1.2 Application Curve
    3. 8.3 System Examples
      1. 8.3.1 Split-Supply Applications
  9. Power Supply Recommendations
  10. 10Layout
    1. 10.1 Layout Guidelines
    2. 10.2 Layout Example
  11. 11Device and Documentation Support
    1. 11.1 Documentation Support
      1. 11.1.1 Related Documentation
    2. 11.2 Receiving Notification of Documentation Updates
    3. 11.3 Community Resources
    4. 11.4 Trademarks
    5. 11.5 Electrostatic Discharge Caution
    6. 11.6 Glossary
  12. 12Mechanical, Packaging, and Orderable Information

封装选项

机械数据 (封装 | 引脚)
散热焊盘机械数据 (封装 | 引脚)
订购信息

Application and Implementation

NOTE

Information in the following applications sections is not part of the TI component specification, and TI does not warrant its accuracy or completeness. TI’s customers are responsible for determining suitability of components for their purposes. Customers should validate and test their design implementation to confirm system functionality.

Application Information

The LM339-MIL device is specified for operation from 2 V to 36 V (±1 V to ±18 V) over the temperature range of 0°C to 70°C. While it may seem like a comparator has a well-defined and somewhat limited functionality as a 1-bit ADC, a comparator is a versatile component which can be used for many functions.

Typical Application

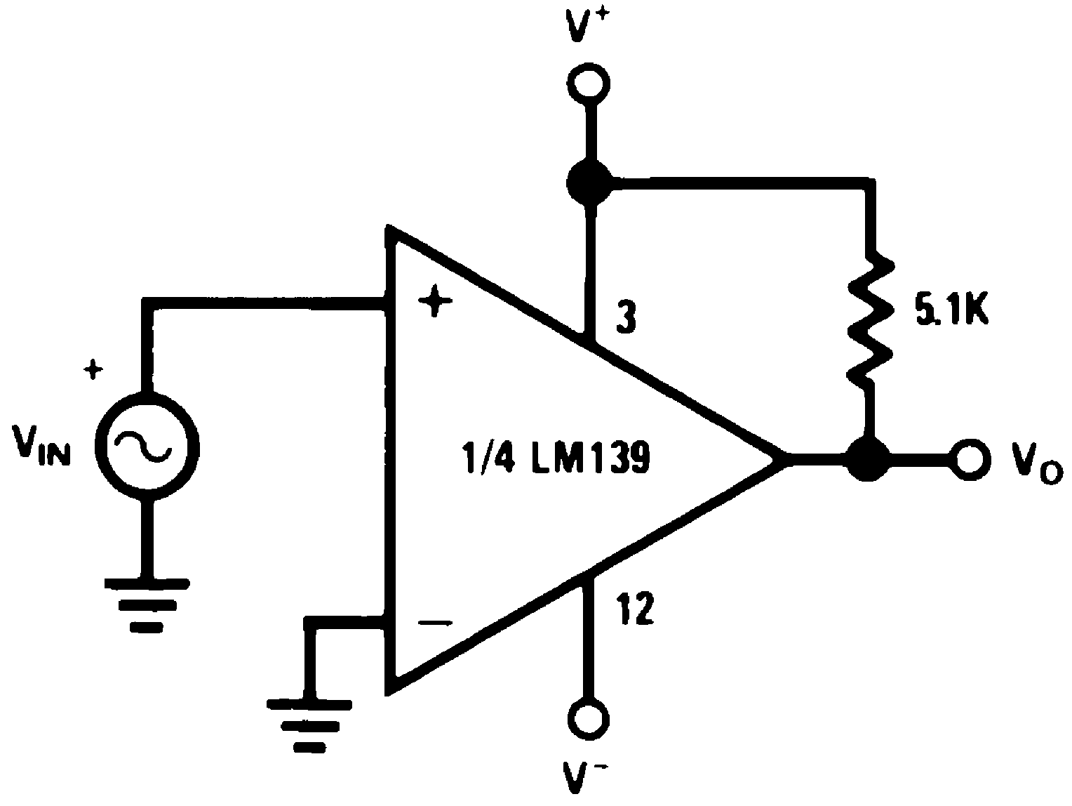
Basic Comparator

LM339-MIL lm339-mil-basic-comparator-schematic.png Figure 6. Basic Comparator Schematic

Design Requirements

The basic usage of a comparator is to indicate when a specific analog signal has exceeded some predefined threshold. In this application, the negative input is tied to a reference voltage, and the positive input is connected to the input signal. The output is pulled up with a resistor to the logic supply voltage, V+.

For an example application, the supply voltage is 5 V. The input signal varies between 1 V and 3 V. Specifically as an example, to know when the input exceeds 2.5 V, set the VREF voltage to 2.5 V.

Application Curve

LM339-MIL lm339-mil-basic-comparator-response-graph.png Figure 7. Basic Comparator Response

System Examples

LM339-MIL lm339-mil-driving-cmos-schematic.png Figure 8. Driving CMOS
(V+ = 5 VDC)
LM339-MIL lm339-mil-driving-ttl-schematic.png Figure 9. Driving TTL
(V+ = 5 VDC)
LM339-MIL lm339-mil-and-gate-schematic.png Figure 10. AND Gate
(V+ = 5 VDC)
LM339-MIL lm339-mil-or-gate-schematic.png Figure 11. OR Gate
(V+ = 5 VDC)
LM339-MIL lm339-mil-one-shot-multivibrator-schematic.png Figure 12. One-Shot Multivibrator
(V+= 15 VDC)
LM339-MIL lm339-mil-bi-stable-multivibrator-schematic.png Figure 13. Bi-Stable Multivibrator
(V+= 15 VDC)
LM339-MIL lm339-mil-one-shot-multivibrator-with-input-lockout.png Figure 14. One-Shot Multivibrator With Input Lockout
(V+= 15 VDC)
LM339-MIL lm339-mil-pulse-generator-schematic.png Figure 15. Pulse Generator
(V+= 15 VDC)
LM339-MIL lm339-mil-large-fan-in-and-gate-schematic.png Figure 16. Large Fan-In AND Gate
(V+= 15 VDC)
LM339-MIL lm339-mil-oring-the-outputs-schematic.png Figure 17. ORing the Outputs
(V+= 15 VDC)
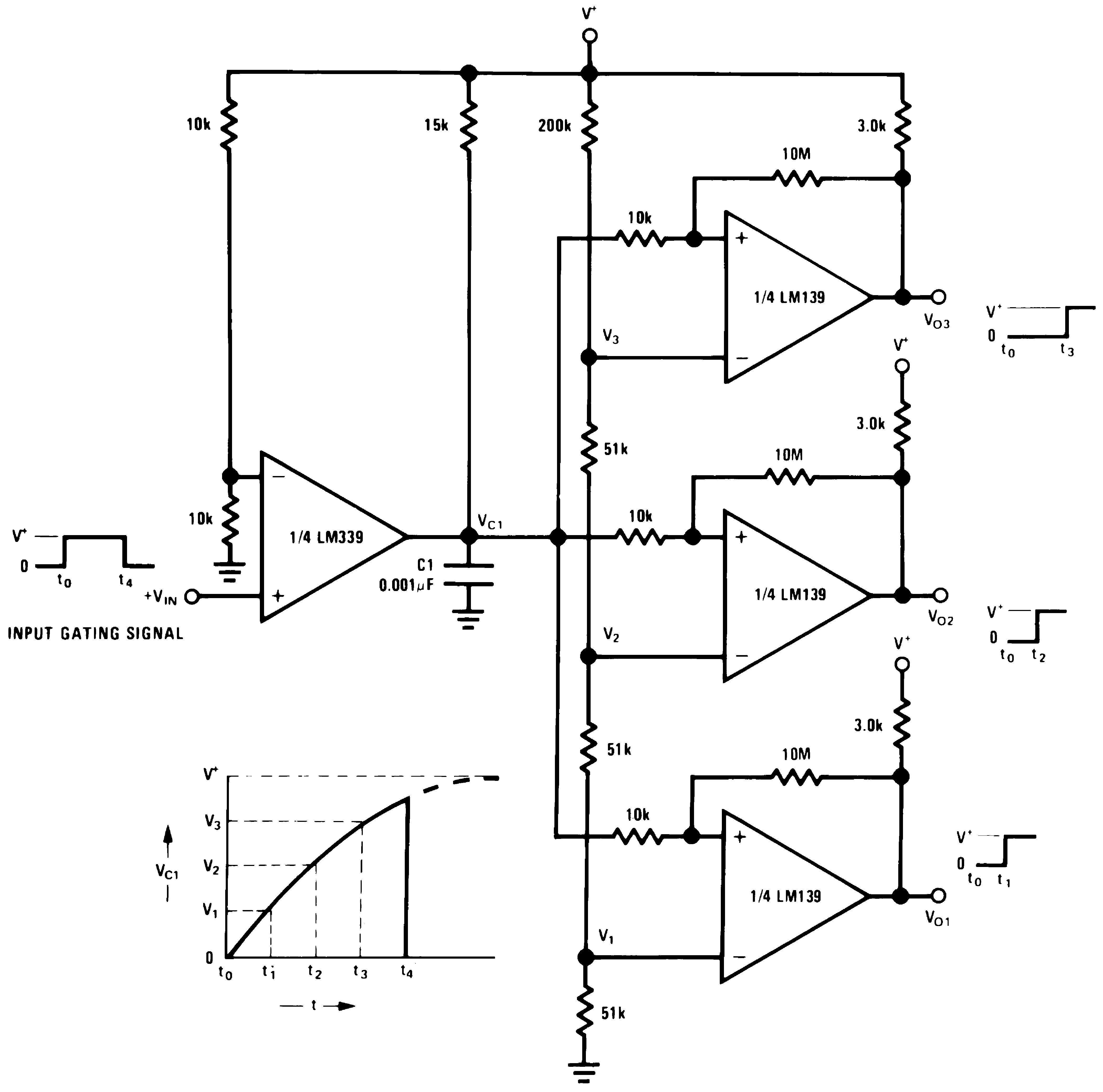
LM339-MIL lm339-mil-time-delay-generator-schematic.png Figure 18. Time Delay Generator
(V+= 15 VDC)
LM339-MIL lm339-mil-noninverting-comparator-with-hysteresis.png Figure 19. Noninverting Comparator with Hysteresis
(V+= 15 VDC)
LM339-MIL lm339-mil-inverting-comparator-with-hysteresis-schematic.png Figure 20. Inverting Comparator With Hysteresis
(V+= 15 VDC)
LM339-MIL lm339-mil-squarewave-oscillator-schematic.png Figure 21. Squarewave Oscillator
(V+= 15 VDC)
LM339-MIL lm339-mil-basic-comparator-system-example-schematic.png Figure 22. Basic Comparator
(V+= 15 VDC)
LM339-MIL lm339-mil-limit-comparator-schematic.png Figure 23. Limit Comparator
(V+= 15 VDC)
LM339-MIL lm339-mil-comparing-input-voltages-of-opposite-polarity-schematic.png Figure 24. Comparing Input Voltages of Opposite Polarity
(V+= 15 VDC)
LM339-MIL lm339-mil-output-strobing-schematic.png
* Or open-collector logic gate without pullup resistor
Figure 25. Output Strobing
(V+= 15 VDC)
LM339-MIL lm339-mil-crystal-controlled-oscillator-schematic.png Figure 26. Crystal Controlled Oscillator
(V+= 15 VDC)
LM339-MIL lm339-mil-two-decade-high-frequency-vco-schematic.png
250 mVDC ≤ VC ≤ +50 VDC
700 Hz ≤ fO ≤ 100 kHz
Figure 27. Two-Decade High-Frequency VCO
V+ = +30 VDC
LM339-MIL lm339-mil-transducer-amplifier-schematic.png Figure 28. Transducer Amplifier
(V+= 15 VDC)
LM339-MIL lm339-mil-zero-crossing-detector-single-power-supply-schematic.png Figure 29. Zero Crossing Detector (Single Power Supply)
(V+= 15 VDC)

Split-Supply Applications

LM339-MIL lm339-mil-mos-clock-driver-schematic.png Figure 30. MOS Clock Driver
(V+ = +15 VDC and V– = −15 VDC)
LM339-MIL lm339-mil-zero-crossing-detector-schematic.png
Figure 31. Zero Crossing Detector
(V+ = +15 VDC and V– = −15 VDC)
LM339-MIL lm339-mil-comparator-with-a-negative-reference-schematic.png
Figure 32. Comparator With a Negative Reference
(V+ = +15 VDC and V– = −15 VDC)