ZHCSGG3 June 2017 LM337-N-MIL
PRODUCTION DATA.
NOTE
Information in the following applications sections is not part of the TI component specification, and TI does not warrant its accuracy or completeness. TI’s customers are responsible for determining suitability of components for their purposes. Customers should validate and test their design implementation to confirm system functionality.
The LM337-N-MIL is a versatile, high performance, negative output linear regulator with high accuracy and a wide temperature range. An output capacitor can be added to further improve transient response, and the ADJ pin can be bypassed to achieve very high ripple-rejection ratios. The functionality of the device can be utilized in many different applications that require negative voltage supplies, such as bipolar amplifiers, operational amplifiers, and constant current regulators.
The LM337-N-MIL can be used as a simple, negative output regulator to enable a variety of output voltages needed for demanding applications. By using an adjustable R2 resistor, a variety of negative output voltages can be made possible as shown in Figure 14.

The device component count is very minimal, employing two resistors as part of a voltage divider circuit and an output capacitor for load regulation. An input capacitor is needed if the device is more than 4 inches from the filter capacitors.
The output voltage is set based on the selection of the two resistors, R1 and R2, as shown in Figure 14.
As shown in Figure 15, the maximum output current capability is limited by the input-output voltage differential, package type, and junction temperature.
Figure 15. Current Limit
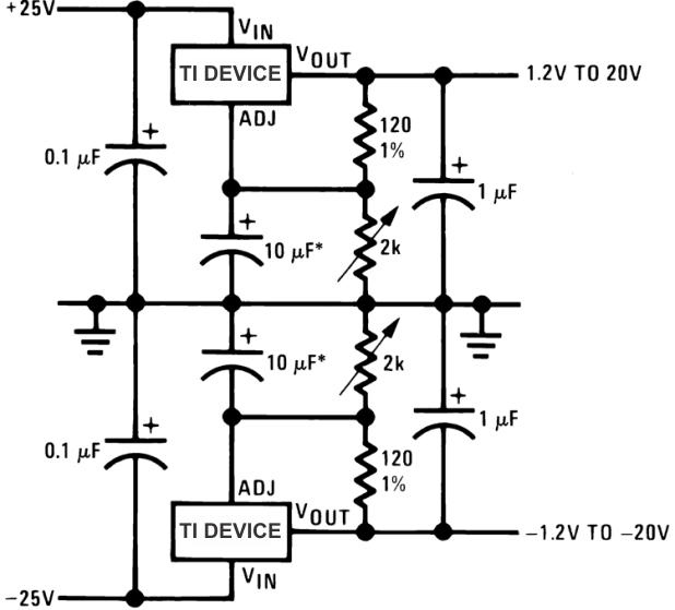
The LM337-N-MIL can be combined with a positive regulator such as the LM317-N to provide both a positive and negative voltage rail. This can be useful in applications that use bi-directional amplifiers and dual-supply operational amplifiers.
The LM337-N-MIL can be used with a PNP transistor to provide shutdown control from a TTL control signal. The PNP can short or open the ADJ pin to GND. When ADJ is shorted to GND by the PNP, the output is −1.3 V. When ADJ is disconnected from GND by the PNP, then the LM337-N-MIL outputs the programmed output of −5.2 V.
Using a high stability shunt voltage reference in the feedback path, such as the LM329, provides damping necessary for a stable, low noise output.