ZHCSGG3 June   2017 LM337-N-MIL

PRODUCTION DATA.  

  1. 特性
  2. 应用
  3. 说明
  4. 修订历史记录
  5. Pin Configuration and Functions
  6. Specifications
    1. 6.1 Absolute Maximum Ratings
    2. 6.2 ESD Ratings
    3. 6.3 Recommended Operating Conditions
    4. 6.4 Thermal Information
    5. 6.5 Electrical Characteristics
    6. 6.6 Typical Characteristics
  7. Detailed Description
    1. 7.1 Overview
    2. 7.2 Functional Block Diagram
    3. 7.3 Feature Description
      1. 7.3.1 Thermal Regulation
    4. 7.4 Device Functional Modes
      1. 7.4.1 Protection Diodes
  8. Application and Implementation
    1. 8.1 Application Information
    2. 8.2 Typical Applications
      1. 8.2.1 Adjustable Negative Voltage Regulator
        1. 8.2.1.1 Design Requirements
        2. 8.2.1.2 Detailed Design Procedure
        3. 8.2.1.3 Application Curve
      2. 8.2.2 Adjustable Lab Voltage Regulator
      3. 8.2.3 −5.2-V Regulator with Electronic Shutdown
      4. 8.2.4 High Stability −10-V Regulator
  9. Power Supply Recommendations
  10. 10Layout
    1. 10.1 Layout Guidelines
    2. 10.2 Layout Example
    3. 10.3 Thermal Considerations
      1. 10.3.1 Heatsinking SOT-223 Package Parts
  11. 11器件和文档支持
    1. 11.1 文档支持
      1. 11.1.1 相关文档
    2. 11.2 社区资源
    3. 11.3 商标
    4. 11.4 静电放电警告
    5. 11.5 Glossary
  12. 12机械、封装和可订购信息

封装选项

机械数据 (封装 | 引脚)
散热焊盘机械数据 (封装 | 引脚)
订购信息

特性

  • 1.5A 输出电流
  • 线路调节 0.01%/V(典型值)
  • 负载调节 0.3%(典型值)
  • 77dB 纹波抑制
  • 50ppm/°C 温度系数
  • 热过载保护
  • 内部短路电流限制保护

应用

  • 工业用电源
  • 工厂自动化系统
  • 楼宇自动化系统
  • PLC 系统
  • 仪表
  • IGBT 驱动器负栅极电源
  • 网络
  • 机顶盒

说明

LM337-N-MIL 是一款可调节 3 端子负电压稳压器,能够在 −1.25V 至 −37V 的输出电压范围内提供
−1.5A 或更大的电流。它仅需要使用两个外部电阻器来设置输出电压以及使用一个输出电容器进行频率补偿。电路设计已经过优化,可实现出色的稳压和低热瞬态。此外,LM337-N-MIL 还 具有 内部电流限制、热关断和安全区域补偿功能,使其几乎能够在过载时防止烧毁。

LM337-N-MIL 是对 LM117 和 LM317 可调节负稳压器的理想补充。

器件信息(1)

器件型号 封装 封装尺寸(标称值)
LM337-N-MIL SOT-223 (4) 3.50mm × 6.50mm
TO (3) 8.255mm × 8.255mm
TO-220 (3) 10.16mm × 14.986mm
  1. 如需了解所有可用封装,请参阅数据表末尾的可订购产品附录。LF01 是 TO-220 封装的成型(弯曲)版本。

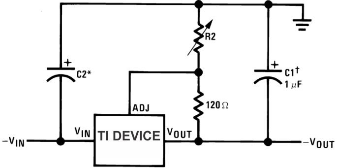
可调节负电压稳压器

LM337-N-MIL 00906701.gif
满载输出电流在高输入到输出电压下不可用
LM337-N-MIL eq1_snvs778.gif
†C1 为 1μF 的固体钽或 10μF 的铝电解电容器(用于实现稳定性时需要)
*C2 为 1μF 的固体钽(仅当稳压器与电源滤波电容器的距离大于 4 英寸时才需要)
通常使用 1μF 至 1000μF 范围内的铝或钽电解输出电容器来提供更佳的输出阻抗和瞬态抑制