SNOSD66 June 2017 LM324-N-MIL
PRODUCTION DATA.
NOTE
Information in the following applications sections is not part of the TI component specification, and TI does not warrant its accuracy or completeness. TI’s customers are responsible for determining suitability of components for their purposes. Customers should validate and test their design implementation to confirm system functionality.
The LM324-N-MIL amplifier is specified for operation from 3 V to 32 V (±1.5 V to ±16 V). Many of the specifications apply from –40°C to 125°C. Parameters that can exhibit significant variance with regards to operating voltage or temperature are presented in Typical Characteristics.
Figure 13 emphasizes operation on only a single power supply voltage. If complementary power supplies are available, all of the standard op amp circuits can be used. In general, introducing a pseudo-ground (a bias voltage reference of V+/2) will allow operation above and below this value in single power supply systems. Many application circuits are shown which take advantage of the wide input common-mode voltage range which includes ground. In most cases, input biasing is not required and input voltages which range to ground can easily be accommodated.
For this example application, the required signal gain is a non-inverting 100x±5% with a supply voltage of 5 V.
Using the equation for a non-inverting gain configuration, Av = 1+R2/R1. Setting the R1 to 10 kΩ, R2 is 99 times larger than R1, which is 990 kΩ. A 1MΩ is more readily available, and provides a gain of 101, which is within the desired specification.
The gain-frequency characteristic of the amplifier and its feedback network must be such that oscillation does not occur. To meet this condition, the phase shift through amplifier and feedback network must never exceed 180° for any frequency where the gain of the amplifier and its feedback network is greater than unity. In practical applications, the phase shift should not approach 180° since this is the situation of conditional stability. Obviously the most critical case occurs when the attenuation of the feedback network is zero.
Figure 14. Non-Inverting Amplified Response Curve
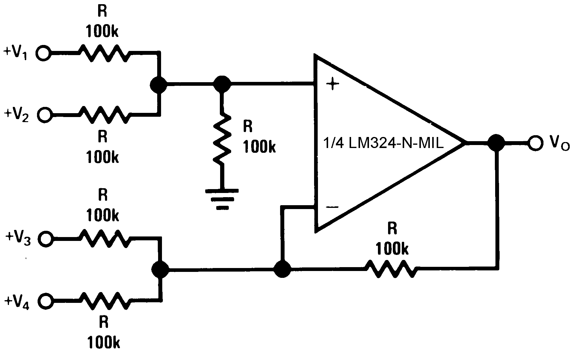
| Where: | V0 = V1 + V2 − V3 − V4 | |
| (V1 + V2) ≥ (V3 + V4) to keep VO > 0 VDC | ||
| Where: | V0 = 0 VDC for VIN = 0 VDC | |
| AV = 10 |
| fo = 1 kHz | Q = 50 | AV = 100 (40 dB) |
Figure 20. Lamp Driver
Figure 22. Driving TTL
Figure 24. Pulse Generator
Figure 26. Pulse Generator
Figure 28. Low Drift Peak Detector
| VO = VR | ||
| Q = 1 | AV = 2 | |
| *(Increase R1 for IL small) | ||
Figure 23. Voltage Follower
Figure 25. Squarewave Oscillator
| IO = 1 amp/volt VIN | (Increase RE for Io small) | |
Figure 29. Comparator With Hysteresis
| *Wide control voltage range: 0 VDC ≤ VC ≤ 2 (V+ −1.5 VDC) |
||
Figure 34. AC Coupled Inverting Amplifier
Figure 35. AC Coupled Non-Inverting Amplifier
Figure 36. High Input Z, DC Differential Amplifier
Figure 37. High Input Z Adjustable-Gain DC Instrumentation Amplifier

Figure 38. Bridge Current Amplifier
Figure 39. Using Symmetrical Amplifiers to Reduce Input Current (General Concept)
| fO = 1 kHz | Q = 25 | |