SNVSAC2A March   2015  – June 2020 LM317A

PRODUCTION DATA.  

  1. Features
  2. Applications
    1.     Typical Application
  3. Description
    1.     Revision History
  4. Device Comparison Table
  5. Pin Configuration and Functions
    1.     Pin Functions
  6. Specifications
    1. 6.1 Absolute Maximum Ratings
    2. 6.2 ESD Ratings
    3. 6.3 Recommended Operating Conditions
    4. 6.4 Thermal Information
    5. 6.5 Electrical Characteristics
    6. 6.6 Typical Characteristics
  7. Detailed Description
    1. 7.1 Overview
    2. 7.2 Functional Block Diagram
    3. 7.3 Feature Description
      1. 7.3.1 Load Regulation
    4. 7.4 Device Functional Modes
      1. 7.4.1 External Capacitors
      2. 7.4.2 Protection Diodes
  8. Application and Implementation
    1. 8.1 Application Information
    2. 8.2 Typical Applications
      1. 8.2.1  1.25-V to 25-V Adjustable Regulator
        1. 8.2.1.1 Design Requirements
        2. 8.2.1.2 Detailed Design Procedure
        3. 8.2.1.3 Application Curve
      2. 8.2.2  5-V Logic Regulator With Electronic Shutdown
      3. 8.2.3  Slow Turnon 15-V Regulator
      4. 8.2.4  Adjustable Regulator With Improved Ripple Rejection
      5. 8.2.5  High-Stability 10-V Regulator
      6. 8.2.6  High-Current Adjustable Regulator
      7. 8.2.7  Emitter-Follower Current Amplifier
      8. 8.2.8  1-A Current Regulator
      9. 8.2.9  Common-Emitter Amplifier
      10. 8.2.10 Low-Cost 3-A Switching Regulator
      11. 8.2.11 Current-Limited Voltage Regulator
      12. 8.2.12 Adjusting Multiple On-Card Regulators With Single Control
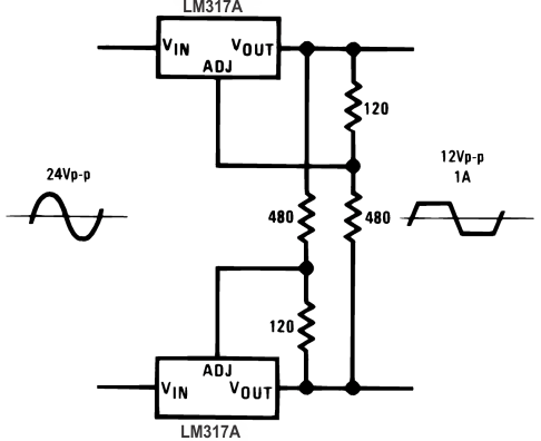
      13. 8.2.13 AC Voltage Regulator
      14. 8.2.14 12-V Battery Charger
      15. 8.2.15 Adjustable 4-A Regulator
      16. 8.2.16 Current-Limited 6-V Charger
      17. 8.2.17 Digitally-Selected Outputs
  9. Power Supply Recommendations
  10. 10Layout
    1. 10.1 Layout Guidelines
      1. 10.1.1 Thermal Considerations
        1. 10.1.1.1 Heatsink Requirements
        2. 10.1.1.2 Heatsinking Surface Mount Packages
          1. 10.1.1.2.1 Heatsinking the SOT-223 (DCY) Package
          2. 10.1.1.2.2 Heatsinking the TO-252 (NDP) Package
    2. 10.2 Layout Examples
  11. 11Device and Documentation Support
    1. 11.1 Documentation Support
      1. 11.1.1 Related Documentation
    2. 11.2 Receiving Notification of Documentation Updates
    3. 11.3 Support Resources
    4. 11.4 Trademarks
    5. 11.5 Electrostatic Discharge Caution
    6. 11.6 Glossary
  12. 12Mechanical, Packaging, and Orderable Information

封装选项

机械数据 (封装 | 引脚)
散热焊盘机械数据 (封装 | 引脚)
订购信息

AC Voltage Regulator

In Figure 31, the top regulator is 6 V above the bottom regulator. It is clear that when the input rises above 6 V plus the dropout voltage, only the top LM317A regulates 6 V at the output. When the input falls below –6 V minus the dropout voltage, only the bottom LM317A regulates –6 V at the output. For regions where the output is not clipped, there is no regulation taking place, so the output follows the input.

LM317A 906325.gifFigure 31. AC Voltage Regulator