ZHCS517E April   2000  – June 2019 LM2587

PRODUCTION DATA.  

  1. 特性
  2. 典型 应用
  3. 说明
    1.     Device Images
      1.      反激式稳压器
  4. 修订历史记录
  5. Pin Configurations
  6. Specifications
    1. 6.1  Absolute Maximum Ratings
    2. 6.2  ESDRatings
    3. 6.3  Recommended Operating Ratings
    4. 6.4  Thermal Information
    5. 6.5  Electrical Characteristics: 3.3 V
    6. 6.6  Electrical Characteristics: 5 V
    7. 6.7  Electrical Characteristics: 12 V
    8. 6.8  Electrical Characteristics: Adjustable
    9. 6.9  Electrical Characteristics: All Output Voltage Versions
    10. 6.10 Typical Characteristics
  7. Detailed Description
    1. 7.1 Overview
    2. 7.2 Functional Block Diagram
    3. 7.3 Feature Description
      1. 7.3.1 Step-Up (Boost) Regulator Operation
  8. Application And Implementation
    1. 8.1 Application Information
    2. 8.2 Typical Applications
      1. 8.2.1 Typical Boost Regulator Applications
      2. 8.2.2 Typical Flyback Regulator Applications
        1. 8.2.2.1 Transformer Selection (T)
        2. 8.2.2.2 Transformer Footprints
          1. 8.2.2.2.0.1 T4
      3. 8.2.3 Design Requirements
      4. 8.2.4 Detailed Design Procedure
        1. 8.2.4.1 Custom Design With Webench® Tools
        2. 8.2.4.2 Programming Output Voltage (Selecting R1 And R2)
        3. 8.2.4.3 Short Circuit Condition
        4. 8.2.4.4 Flyback Regulator Input Capacitors
        5. 8.2.4.5 Switch Voltage Limits
        6. 8.2.4.6 Output Voltage Limitations
        7. 8.2.4.7 Noisy Input Line Condition)
        8. 8.2.4.8 Stability
    3. 8.3 Additional Application Examples
      1. 8.3.1 Test Circuits
  9. Layout
    1. 9.1 Layout Guidelines
    2. 9.2 Layout Example
    3. 9.3 Heat Sink/Thermal Considerations
      1. 9.3.1 European Magnetic Vendor Contacts
      2. 9.3.2 Coilcraft
      3. 9.3.3 Pulse Engineering
  10. 10器件和文档支持
    1. 10.1 器件支持
      1. 10.1.1 第三方产品免责声明
      2. 10.1.2 开发支持
        1. 10.1.2.1 使用 Webench® 工具创建定制设计方案
    2. 10.2 接收文档更新通知
    3. 10.3 社区资源
    4. 10.4 商标
    5. 10.5 静电放电警告
    6. 10.6 Glossary
  11. 11机械、封装和可订购信息

封装选项

机械数据 (封装 | 引脚)
散热焊盘机械数据 (封装 | 引脚)
订购信息

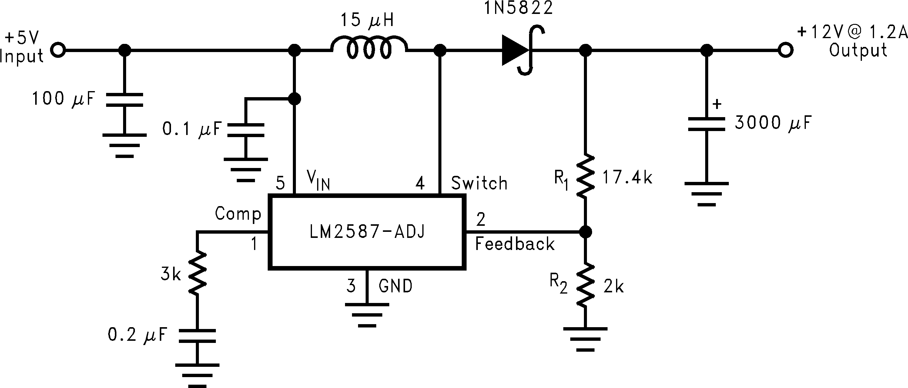
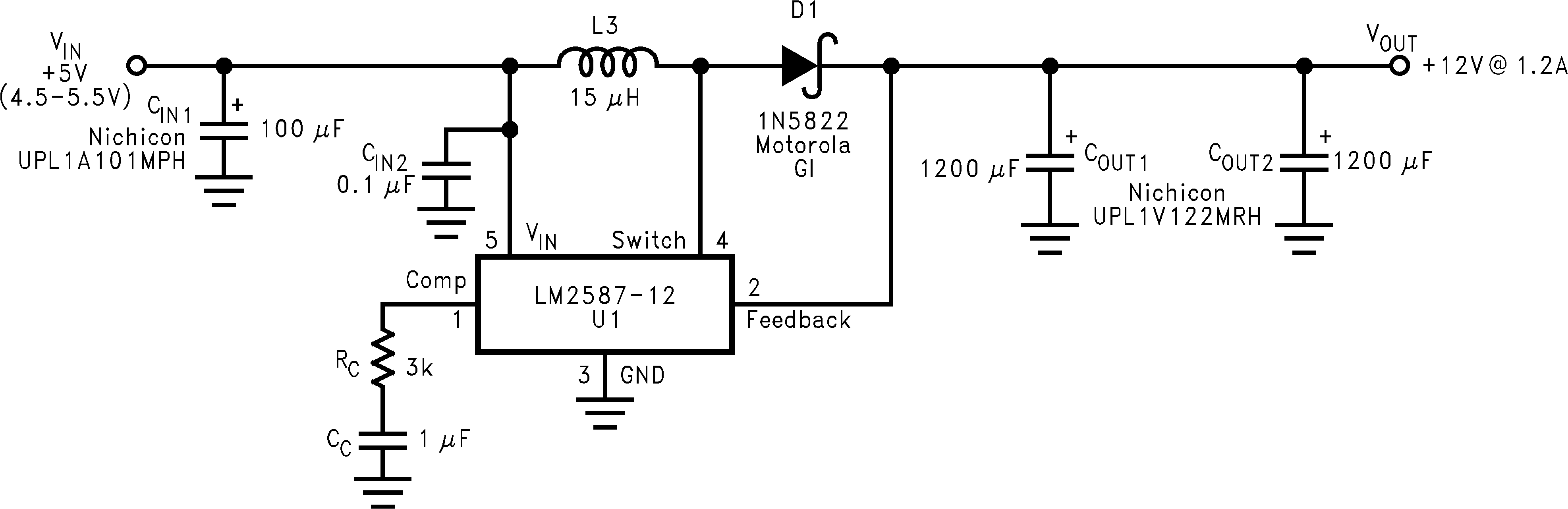
Typical Boost Regulator Applications

Figure 18 through Figure 21 show four typical boost applications)—one fixed and three using the adjustable version of the LM2587. Each drawing contains the part number(s) and manufacturer(s) for every component. For the fixed 12-V output application, the part numbers and manufacturers' names for the inductor are listed in . For applications with different output voltages, refer to the Switchers Made Simple software.

LM2587 1231626.pngFigure 17. Boost Regulator
LM2587 1231622.pngFigure 18. 5-V To 12-V Boost Regulator
LM2587 1231623.pngFigure 19. 12-V To 24-V Boost Regulator
LM2587 1231624.pngFigure 20. 24-V To 36-V Boost Regulator
LM2587 1231625.png
*The LM2585 will require a heat sink in these applications. The size of the heat sink will depend on the maximum ambient temperature. To calculate the thermal resistance of the IC and the size of the heat sink needed, see
Figure 21. 24-V To 48-V Boost Regulator