ZHCS519G April   2000  – May 2019 LM2585

PRODUCTION DATA.  

  1. 特性
  2. 应用
  3. 说明
    1.     Device Images
      1.      12V 反激式稳压器设计示例
  4. 修订历史记录
  5. Pin Configurations
  6. Specifications
    1. 6.1  Absolute Maximum Ratings
    2. 6.2  ESD Ratings
    3. 6.3  Recommended Operating Ratings
    4. 6.4  Thermal Information
    5. 6.5  Electrical Characteristics: 3.3 V
    6. 6.6  Electrical Characteristics: 5 V
    7. 6.7  Electrical Characteristics: 12-V
    8. 6.8  Electrical Characteristics: Adjustable
    9. 6.9  Electrical Characteristics: All Versions
    10. 6.10 Typical Characteristics
  7. Detailed Description
    1. 7.1 Overview
    2. 7.2 Functional Block Diagram
    3. 7.3 Feature Description
      1. 7.3.1 Step-Up (Boost) Regulator Operation
  8. Application and Implementation
    1. 8.1 Application Information
    2. 8.2 Typical Applications
      1. 8.2.1 Typical Boost Regulator Applications
      2. 8.2.2 Typical Flyback Regulator Applications
        1. 8.2.2.1 Transformer Selection (T)
        2. 8.2.2.2 Transformer Footprints
          1. 8.2.2.2.0.1 T6
          2. 8.2.2.2.0.2 T6
      3. 8.2.3 Design Requirements
      4. 8.2.4 Detailed Design Procedure
        1. 8.2.4.1 Custom Design With WEBENCH® Tools
        2. 8.2.4.2 Programming Output Voltage (Selecting R1 And R2)
        3. 8.2.4.3 Short Circuit Condition
        4. 8.2.4.4 Flyback Regulator Input Capacitors
        5. 8.2.4.5 Switch Voltage Limits
        6. 8.2.4.6 Output Voltage Limitations
        7. 8.2.4.7 Noisy Input Line Condition
        8. 8.2.4.8 Stability
      5. 8.2.5 Application Curve
    3. 8.3 Additional Application Examples
      1. 8.3.1 Test Circuits
  9. Layout
    1. 9.1 Layout Guidelines
    2. 9.2 Heat Sink/Thermal Considerations
  10. 10器件和文档支持
    1. 10.1 器件支持
      1. 10.1.1 第三方产品免责声明
      2. 10.1.2 开发支持
        1. 10.1.2.1 使用 WEBENCH® 工具创建定制设计
    2. 10.2 接收文档更新通知
    3. 10.3 社区资源
    4. 10.4 商标
    5. 10.5 静电放电警告
    6. 10.6 Glossary
  11. 11机械、封装和可订购信息

封装选项

机械数据 (封装 | 引脚)
散热焊盘机械数据 (封装 | 引脚)
订购信息

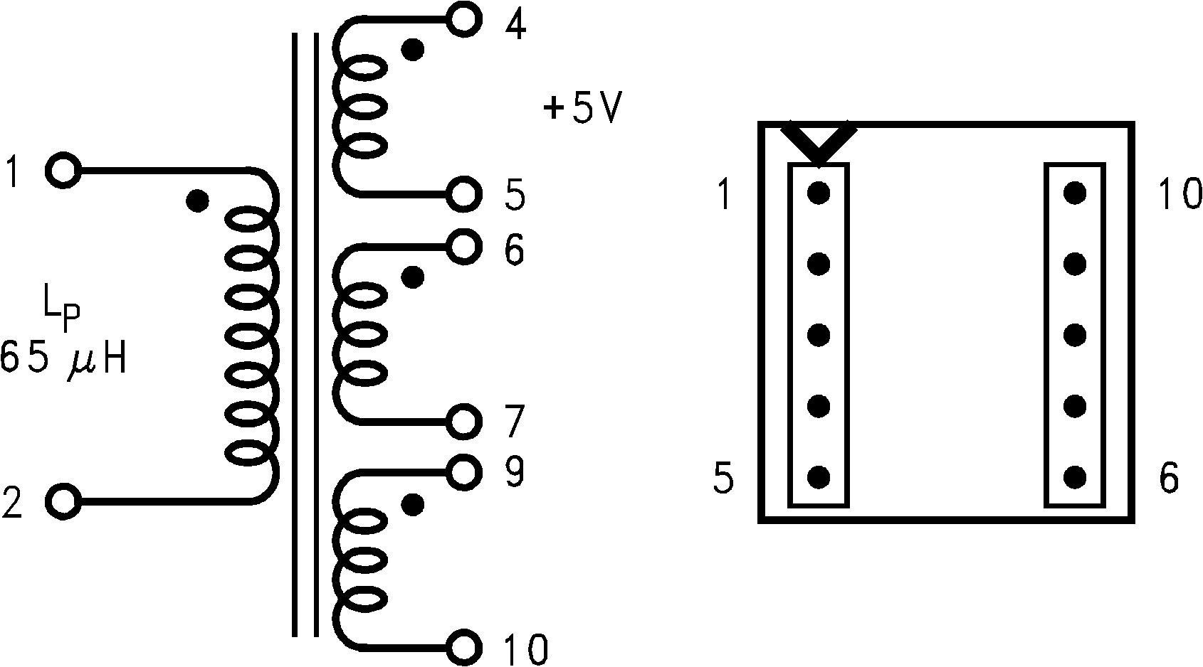
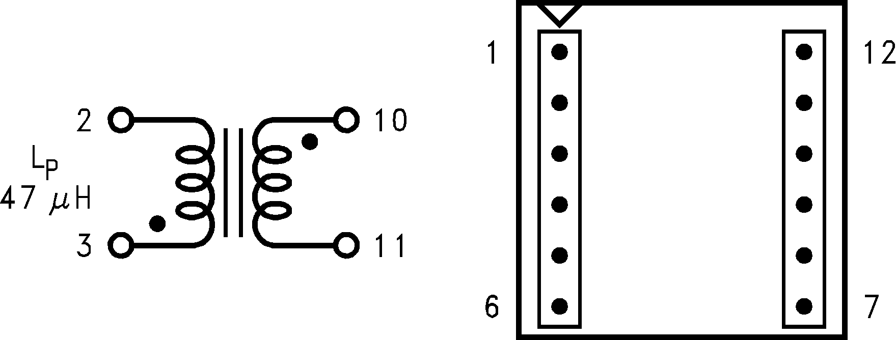
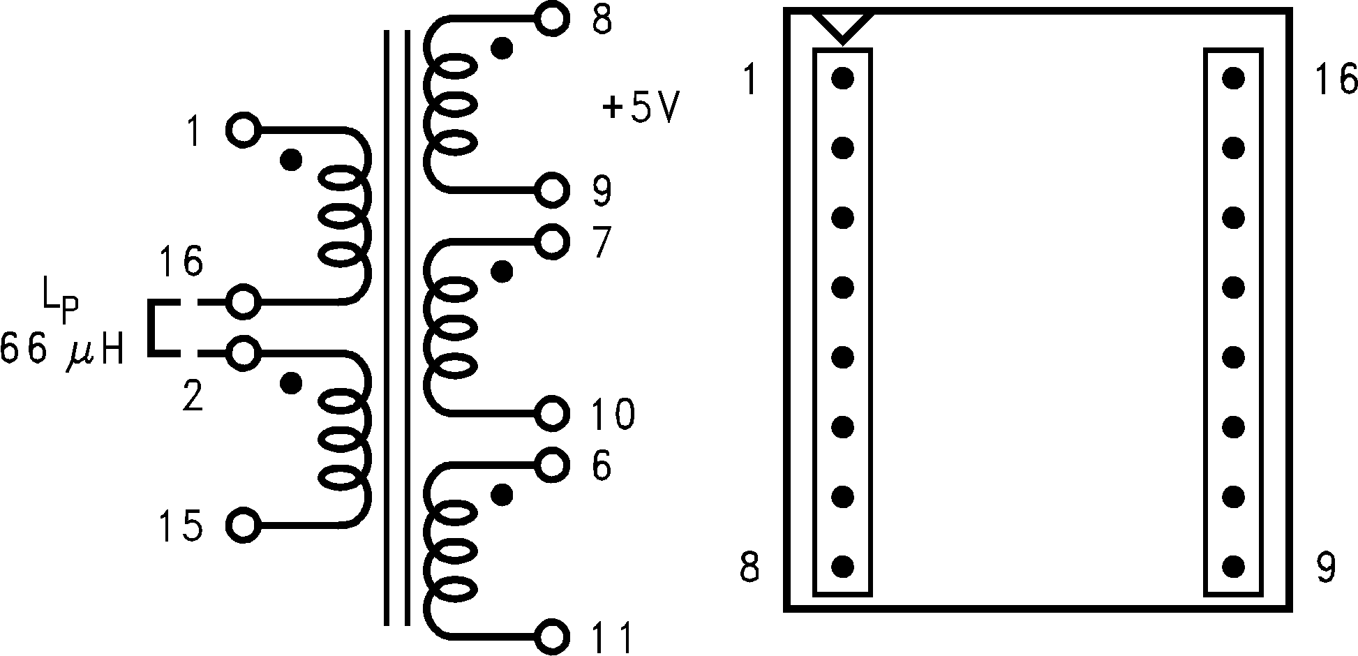
Transformer Footprints

Figure 28 through Figure 42 show the footprints of each transformer, listed in Table 1.

LM2585 1251530.png
Figure 28. Coilcraft S6000-A (Top View)

T6

LM2585 1251531.png
Figure 29. Coilcraft Q4339-B (Top View)
LM2585 1251532.png
Figure 30. Coilcraft Q4437-B (Top View)
(Surface Mount)
LM2585 1251534.png
Figure 32. Coilcraft S6057-A (Top View)
(Surface Mount)
LM2585 1251536.png
Figure 34. Pulse PE-68482 (Top View)
LM2585 1251539.png
Figure 36. Pulse PE-68413 (Top View)
(Surface Mount)
LM2585 1251542.png
Figure 38. Renco Rl-5533
(Top View)
LM2585 1251544.png
Figure 40. Schott 26606 (Top View)
LM2585 1251547.png
Figure 42. Schott 67140890
(Top View)
LM2585 1251533.png
Figure 31. Coilcraft Q4338-B
(Top View)
LM2585 1251535.png
Figure 33. Coilcraft Q4438-B (Top View)
(Surface Mount)

T6

LM2585 1251537.png
Figure 35. Pulse Pe-68414 (Top View)
(Surface Mount)
LM2585 1251540.png
Figure 37. Renco Rl-5751 (Top View)
LM2585 1251543.pngFigure 39. Renco Rl-5532 (Top View)
LM2585 1251546.png
Figure 41. Schott 67140900 (Top View)