ZHCSIM6F December   2010  – August 2018 LM137QML

PRODUCTION DATA.  

  1. 特性
  2. 应用
  3. 说明
    1.     Device Images
      1.      简化原理图
  4. 修订历史记录
  5. Pin Configuration and Functions
    1.     Pin Functions
  6. Specifications
    1. 6.1  Absolute Maximum Ratings
    2. 6.2  ESD Ratings
    3. 6.3  Recommended Operating Conditions
    4. 6.4  Thermal Information
    5. 6.5  Quality Conformance Inspection
    6. 6.6  LM137H 883 Electrical Characteristics DC Parameters
    7. 6.7  LM137H 883 Electrical Characteristics AC Parameters
    8. 6.8  LM137K 883 Electrical Characteristics DC Parameters
    9. 6.9  LM137K 883 Electrical Characteristics AC Parameters
    10. 6.10 LM137H RH Electrical Characteristics DC Parameters 5962P9951708VXA
    11. 6.11 LM137H RH Electrical Characteristics AC Parameters 5962P9951708VXA
    12. 6.12 LM137H RH Electrical Characteristics DC Parameters Drift Values 5962P9951708VXA
    13. 6.13 LM137H RH Electrical Characteristics DC Parameters Post Radiation Limits +25°C 5962P9951708VXA
    14. 6.14 Typical Performance Characteristics
  7. Detailed Description
    1. 7.1 Functional Block Diagram
  8. Application and Implementation
    1. 8.1 Application Information and Schematic Diagram
    2. 8.2 Typical Applications
  9. Power Supply Recommendations
    1. 9.1 Thermal Regulation
  10. 10器件和文档支持
    1. 10.1 接收文档更新通知
    2. 10.2 社区资源
    3. 10.3 商标
    4. 10.4 静电放电警告
    5. 10.5 术语表
  11. 11机械、封装和可订购信息

封装选项

机械数据 (封装 | 引脚)
散热焊盘机械数据 (封装 | 引脚)
订购信息

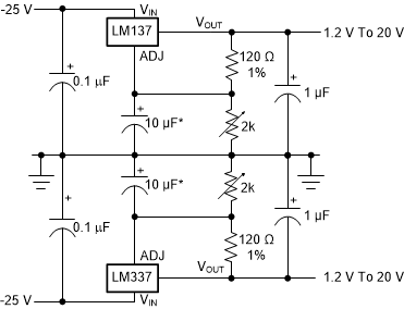
Typical Applications

LM137QML snvs313-adjustable-lab-voltage-reg.gif
Full output current not available
at high input-output voltages
*The 10 μF capacitors are optional to improve ripple rejection
Figure 15. Adjustable Lab Voltage Regulator
LM137QML snvs313-current-regulation.gifFigure 16. Current Regulator
Equation 1. LM137QML snvs313-equation-1.gif
LM137QML snvs313-negative-reg-protection-diodes.gif
*When CL is larger than 20 μF, D1 protects the LM137 in case the input supply is shorted
**When C2 is larger than 10 μF and −VOUT is larger than −25V, D2 protects the LM137 in case the output is shorted
Figure 17. Negative Regulator with Protection Diodes
LM137QML snvs313-regulator-5-2-v.gif
*Minimum output ≃ −1.3V when control input is low
Figure 18. −5.2V Regulator with Electronic Shutdown*
LM137QML snvs313-adjustable-current-reg.gifFigure 19. Adjustable Current Regulator
Equation 2. LM137QML snvs313-equation-2.gif
LM137QML snvs313-high-stability-regulator.gifFigure 20. High Stability −10V Regulator