ZHCSKH7 November   2019 LDC1001

PRODUCTION DATA.  

  1. 特性
  2. 应用
  3. 说明
    1.     轴距感测应用
  4. 修订历史记录
  5. Pin Configuration and Functions
    1.     Pin Functions
  6. Specifications
    1. 6.1 Absolute Maximum Ratings
    2. 6.2 ESD Ratings
    3. 6.3 Recommended Operating Condition
    4. 6.4 Thermal Information
    5. 6.5 Electrical Characteristics
    6. 6.6 Timing Requirements
    7. 6.7 Typical Characteristics
  7. Detailed Description
    1. 7.1 Overview
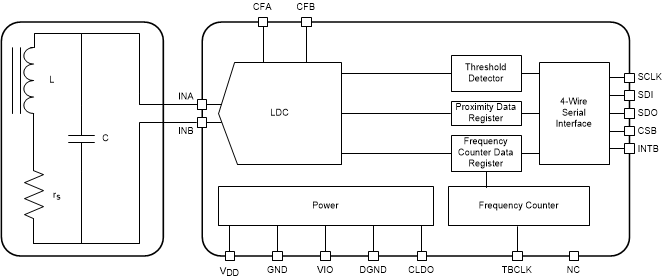
    2. 7.2 Functional Block Diagram
    3. 7.3 Feature Description
      1. 7.3.1 Inductive Sensing
      2. 7.3.2 Measuring RP With LDC1001
      3. 7.3.3 Measuring Inductance With LDC1001
    4. 7.4 Device Functional Modes
      1. 7.4.1 Power Modes
      2. 7.4.2 INTB Pin Modes
        1. 7.4.2.1 Comparator Mode
        2. 7.4.2.2 Wake-Up Mode
        3. 7.4.2.3 DRDY Mode
    5. 7.5 Programming
      1. 7.5.1 SPI Description
        1. 7.5.1.1 Extended SPI Transactions
    6. 7.6 Register Maps
      1. 7.6.1 Register Description
        1. 7.6.1.1  Revision ID (Address = 0x00)
        2. 7.6.1.2  RP_MAX (Address = 0x01)
        3. 7.6.1.3  RP_MIN (Address = 0x02)
        4. 7.6.1.4  Watchdog Timer Frequency (Address = 0x03)
        5. 7.6.1.5  LDC Configuration (Address = 0x04)
        6. 7.6.1.6  Clock Configuration (Address = 0x05)
        7. 7.6.1.7  Comparator Threshold High LSB (Address = 0x06)
        8. 7.6.1.8  Comparator Threshold High MSB (Address = 0x07)
        9. 7.6.1.9  Comparator Threshold Low LSB (Address = 0x08)
        10. 7.6.1.10 Comparator Threshold Low MSB (Address = 0x09)
        11. 7.6.1.11 INTB Pin Configuration (Address = 0x0A)
        12. 7.6.1.12 Power Configuration (Address = 0x0B)
        13. 7.6.1.13 Status (Address = 0x20)
        14. 7.6.1.14 Proximity Data LSB (Address = 0x21)
        15. 7.6.1.15 Proximity Data MSB (Address = 0x22)
        16. 7.6.1.16 Frequency Counter LSB (Address = 0x23)
        17. 7.6.1.17 Frequency Counter Mid-Byte (Address = 0x24)
        18. 7.6.1.18 Frequency Counter MSB (Address = 0x25)
  8. Application and Implementation
    1. 8.1 Application Information
      1. 8.1.1 Calculation of RP_MIN and RP_MAX
        1. 8.1.1.1 RP_MAX
        2. 8.1.1.2 RP_MIN
      2. 8.1.2 Output Data Rate
      3. 8.1.3 Choosing Filter Capacitor (CFA and CFB Pins)
    2. 8.2 Typical Application
      1. 8.2.1 Axial Distance Sensing Using a PCB Sensor With LDC1001
        1. 8.2.1.1 Design Requirements
        2. 8.2.1.2 Detailed Design Procedure
          1. 8.2.1.2.1 Sensor and Target
          2. 8.2.1.2.2 Calculating Sensor Capacitor
          3. 8.2.1.2.3 Choosing Filter Capacitor
          4. 8.2.1.2.4 Setting RP_MIN and RP_MAX
          5. 8.2.1.2.5 Calculating Minimum Sensor Frequency
        3. 8.2.1.3 Application Curve
  9. Power Supply Recommendations
  10. 10Layout
    1. 10.1 Layout Guidelines
    2. 10.2 Layout Example
  11. 11器件和文档支持
    1. 11.1 文档支持
      1. 11.1.1 相关文档
    2. 11.2 支持资源
    3. 11.3 商标
    4. 11.4 静电放电警告
    5. 11.5 Glossary
  12. 12机械、封装和可订购信息

封装选项

机械数据 (封装 | 引脚)
散热焊盘机械数据 (封装 | 引脚)
订购信息

Functional Block Diagram

LDC1001 bd_LDC1001.gif