SLLSEC3F September   2012  – April 2016 ISO7631FC , ISO7631FM , ISO7641FC

PRODUCTION DATA.  

  1. Features
  2. Applications
  3. Description
  4. Revision History
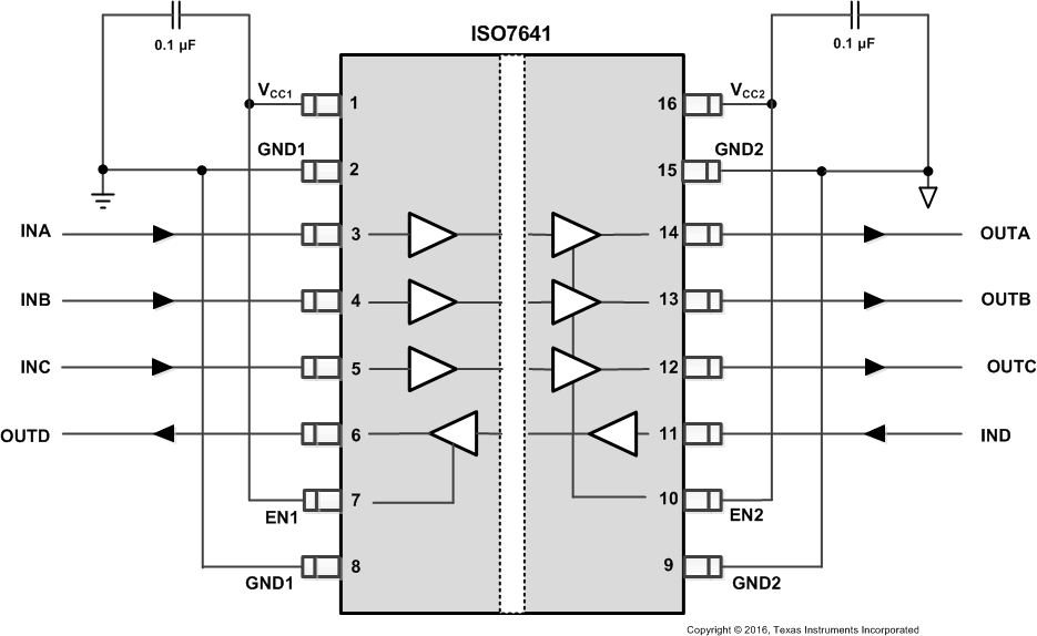
  5. Pin Configuration and Functions
  6. Specifications
    1. 6.1  Absolute Maximum Ratings
    2. 6.2  ESD Ratings
    3. 6.3  Recommended Operating Conditions
    4. 6.4  Thermal Information
    5. 6.5  Electrical Characteristics: VCC1 and VCC2 at 5 V ± 10%
    6. 6.6  Electrical Characteristics: VCC1 at 5 V ± 10% and VCC2 at 3.3 V ± 10%
    7. 6.7  Electrical Characteristics: VCC1 at 3.3 V ± 10% and VCC2 at 5 V ± 10%
    8. 6.8  Electrical Characteristics: VCC1 and VCC2 at 3.3 V ± 10%
    9. 6.9  Electrical Characteristics: VCC1 and VCC2 at 2.7 V (ISO7631FM Only)
    10. 6.10 Power Dissipation Characteristics
    11. 6.11 Supply Current Characteristics: VCC1 and VCC2 at 5 V ± 10%
    12. 6.12 Supply Current Characteristics: VCC1 at 5 V ± 10% and VCC2 at 3.3 V ± 10%
    13. 6.13 Supply Current Characteristics: VCC1 at 3.3 V ± 10% and VCC2 at 5 V ± 10%
    14. 6.14 Supply Current Characteristics: VCC1 and VCC2 at 3.3 V ± 10%
    15. 6.15 Supply Current Characteristics: VCC1 and VCC2 at 2.7 V (ISO7631FM Only) Only M-Grade devices are recommended for operation down to 2.7 V supplies. For 2.7 V-operation, max data rate is 100 Mbps.
    16. 6.16 Switching Characteristics: VCC1 and VCC2 at 5 V ± 10%
    17. 6.17 Switching Characteristics: VCC1 at 5 V ± 10% and VCC2 at 3.3 V ± 10%
    18. 6.18 Switching Characteristics: VCC1 at 3.3 V ± 10% and VCC2 at 5 V ± 10%
    19. 6.19 Switching Characteristics: VCC1 and VCC2 at 3.3 V ± 10%
    20. 6.20 Switching Characteristics: VCC1 and VCC2 at 2.7 V Only M-Grade devices are recommended for operation down to 2.7 V supplies. For 2.7 V-operation, max data rate is 100 Mbps.
    21. 6.21 Typical Characteristics
  7. Parameter Measurement Information
  8. Detailed Description
    1. 8.1 Overview
    2. 8.2 Functional Block Diagram
    3. 8.3 Feature Description
      1. 8.3.1 Package Insulation and Safety-Related Specifications IEC and for DW-16 Package from IEC Package Insulation and Safety-Related Specifications for DW-16 Package section.
        1. 8.3.1.1 Safety Limiting Values
    4. 8.4 Device Functional Modes
  9. Application and Implementation
    1. 9.1 Application Information
    2. 9.2 Typical Application
      1. 9.2.1 Design Requirements
      2. 9.2.2 Detailed Design Procedure
      3. 9.2.3 Application Curves
  10. 10Power Supply Recommendations
  11. 11Layout
    1. 11.1 Layout Guidelines
    2. 11.2 Layout Example
  12. 12Device and Documentation Support
    1. 12.1 Documentation Support
      1. 12.1.1 Related Documentation
    2. 12.2 Related Links
    3. 12.3 Community Resources
    4. 12.4 Trademarks
    5. 12.5 Electrostatic Discharge Caution
    6. 12.6 Glossary
  13. 13Mechanical, Packaging, and Orderable Information

封装选项

请参考 PDF 数据表获取器件具体的封装图。

机械数据 (封装 | 引脚)
  • DW|16
散热焊盘机械数据 (封装 | 引脚)
订购信息

9 Application and Implementation

NOTE

Information in the following applications sections is not part of the TI component specification, and TI does not warrant its accuracy or completeness. TI’s customers are responsible for determining suitability of components for their purposes. Customers should validate and test their design implementation to confirm system functionality.

9.1 Application Information

ISO7641FC uses single-ended TTL-logic switching technology. It has a supply voltage range from 3 V to 5.5 V for both supplies, VCC1 and VCC2. When designing with digital isolators, it is important to note that due to the single-ended design structure, digital isolators do not conform to any specific interface standard and are only intended for isolating single-ended CMOS or TTL digital signal lines. The isolator is typically placed between the data controller (that is, μC or UART), and a data converter or a line transceiver, regardless of the interface type or standard.

9.2 Typical Application

ISO7631FM ISO7631FC ISO7641FC typapp1_sllsec3.gif Figure 24. Isolated Data Acquisition System for Process Control

9.2.1 Design Requirements

Unlike optocouplers, which require external components to improve performance, provide bias, or limit current, the ISO76xx device only requires two external bypass capacitors to operate.

9.2.2 Detailed Design Procedure

ISO7631FM ISO7631FC ISO7641FC ddp_sllsec3.gif Figure 25. Typical ISO7641FC Circuit Hookup

Typical Supply Current Equations

(Calculated based on room temperature and typical Silicon process)

ISO7631FM:

At VCC1 = VCC2 = 3.3 V

Equation 1. ICC1 = 1.8072 + 0.0244 × f + 0.0016 × f × CL
Equation 2. ICC2 = 2.4625 + 0.0252 × f + 0.0033 × f × CL

At VCC1 = VCC2 = 5 V

Equation 3. ICC1 = 2.3183 + 0.04 × f + 0.0025 × f × CL
Equation 4. ICC2 = 3.2582 + 0.0403 × f + 0.0049 × f × CL

ISO7631FC:

At VCC1 = VCC2 = 3.3 V

Equation 5. ICC1 = 1.1762 + 0.0325 × f + 0.0017 × f × CL
Equation 6. ICC2 = 1.5285 + 0.0299 × f + 0.0033 × f × CL

At VCC1 = VCC2 = 5 V

Equation 7. ICC1 = 1.6001 + 0.0528 × f + 0.0025 × f × CL
Equation 8. ICC2 = 2.2032 + 0.0475 × f + 0.005 × f × CL

ISO7641FC:

At VCC1 = VCC2 = 3.3 V

Equation 9. ICC1 = 1.2162 + 0.0462 × f + 0.0017 × f × CL
Equation 10. ICC2 = 1.8054 + 0.0411 × f + 0.005 × f × CL

At VCC1 = VCC2 = 5 V

Equation 11. ICC1 = 1.6583 + 0.0757 × f + 0.0025 × f × CL
Equation 12. ICC2 = 2.5008 + 0.0655 × f + 0.0076 × f × CL

ICC1 and ICC2 are typical supply currents measured in mA; f is data rate measured in Mbps; CL is the capacitive load on each channel measured in pF.

9.2.3 Application Curves

ISO7631FM ISO7631FC ISO7641FC eye_pat1_llse89.gif Figure 26. M-Grade Typical Eye Diagram at 150 Mbps,
5 V Operation
ISO7631FM ISO7631FC ISO7641FC eye_diag_5v_llse89.gif Figure 28. C-Grade Typical Eye Diagram at 25 Mbps, 5 V Operation
ISO7631FM ISO7631FC ISO7641FC eye_pat2_llse89.gif Figure 27. M-Grade Typical Eye Diagram at 150 Mbps,
3.3 V Operation
ISO7631FM ISO7631FC ISO7641FC eye_diag_33v_llse89.gif Figure 29. C-Grade Typical Eye Diagram at 25 Mbps, 3.3 V Operation