ZHCSDX4B July   2015  – May 2017 ISO7340-Q1 , ISO7341-Q1 , ISO7342-Q1

PRODUCTION DATA.  

  1. 特性
  2. 应用
  3. 说明
  4. 修订历史记录
  5. 说明 (续)
  6. Pin Configuration and Functions
  7. Specifications
    1. 7.1  Absolute Maximum Ratings
    2. 7.2  ESD Ratings
    3. 7.3  Recommended Operating Conditions
    4. 7.4  Thermal Information
    5. 7.5  Power Ratings
    6. 7.6  Insulation Specifications
    7. 7.7  Safety-Related Certifications
    8. 7.8  Safety Limiting Values
    9. 7.9  Electrical Characteristics—5-V Supply
    10. 7.10 Supply Current Characteristics—5-V Supply
    11. 7.11 Electrical Characteristics—3.3-V Supply
    12. 7.12 Supply Current Characteristics—3.3-V Supply
    13. 7.13 Switching Characteristics—5-V Supply
    14. 7.14 Switching Characteristics—3.3-V Supply
    15. 7.15 Insulation Characteristics Curves
    16. 7.16 Typical Characteristics
  8. Parameter Measurement Information
  9. Detailed Description
    1. 9.1 Overview
    2. 9.2 Functional Block Diagram
    3. 9.3 Feature Description
      1. 9.3.1 Electromagnetic Compatibility (EMC) Considerations
    4. 9.4 Device Functional Modes
      1. 9.4.1 Device I/O Schematics
  10. 10Application and Implementation
    1. 10.1 Application Information
    2. 10.2 Typical Application
      1. 10.2.1 Isolated Data Acquisition System for Process Control
        1. 10.2.1.1 Design Requirements
        2. 10.2.1.2 Detailed Design Procedure
          1. 10.2.1.2.1 Typical Supply Current Equations
            1. 10.2.1.2.1.1 ISO7340-Q1
            2. 10.2.1.2.1.2 ISO7341-Q1
            3. 10.2.1.2.1.3 ISO7342-Q1
        3. 10.2.1.3 Application Curves
      2. 10.2.2 Typical Application for Module With 16 Inputs
        1. 10.2.2.1 Design Requirements
        2. 10.2.2.2 Detailed Design Procedure
        3. 10.2.2.3 Application Curves
      3. 10.2.3 Typical Application for RS-232 Interface
        1. 10.2.3.1 Design Requirements
        2. 10.2.3.2 Detailed Design Procedure
        3. 10.2.3.3 Application Curves
  11. 11Power Supply Recommendations
  12. 12Layout
    1. 12.1 Layout Guidelines
      1. 12.1.1 PCB Material
    2. 12.2 Layout Example
  13. 13器件和文档支持
    1. 13.1 文档支持
      1. 13.1.1 相关文档
    2. 13.2 相关链接
    3. 13.3 接收文档更新通知
    4. 13.4 社区资源
    5. 13.5 商标
    6. 13.6 静电放电警告
    7. 13.7 Glossary
  14. 14机械、封装和可订购信息

封装选项

请参考 PDF 数据表获取器件具体的封装图。

机械数据 (封装 | 引脚)
  • DW|16
散热焊盘机械数据 (封装 | 引脚)
订购信息

Application and Implementation

NOTE

Information in the following applications sections is not part of the TI component specification, and TI does not warrant its accuracy or completeness. TI’s customers are responsible for determining suitability of components for their purposes. Customers should validate and test their design implementation to confirm system functionality.

Application Information

The ISO734x-Q1 family of devices use single-ended TTL-logic switching technology. The supply voltage range is from 3 V to 5.5 V for both supplies, VCC1 and VCC2. When designing with digital isolators, keep in mind that because of the single-ended design structure, digital isolators do not conform to any specific interface standard and are only intended for isolating single-ended CMOS or TTL digital signal lines. The isolator is typically placed between the data controller (that is, μC or UART), and a data converter or a line transceiver, regardless of the interface type or standard.

Typical Application

Isolated Data Acquisition System for Process Control

The -Q1 family of devices combined with Texas Instruments' precision analog-to-digital converter and mixed signal micro-controller can create an advanced isolated data acquisition system as shown in Figure 20.

ISO7340-Q1 ISO7341-Q1 ISO7342-Q1 Apps_Circuits1_sllsei6.gif Figure 20. Isolated Data-Acquisition System for Process Control

Design Requirements

Unlike optocouplers, which require external components to improve performance, provide bias, or limit current, the ISO734-Q1 family of devices only requires two external bypass capacitors to operate.

Detailed Design Procedure

Typical Supply Current Equations

For the equations in this section, the following is true:

  • ICC1 and ICC2 are typical supply currents measured in mA
  • f is data rate measured in Mbps
  • CL is the capacitive load measured in pF

ISO7340-Q1

At VCC1 = VCC2 = 5 V:

Equation 1. ICC1 = 0.54366 + (0.0873 × f)
Equation 2. ICC2 = 2.74567 + (0.08433 × f) + (0.01 × f × CL)

At VCC1 = VCC2 = 3.3 V:

Equation 3. ICC1 = 0.3437 + (0.04922 × f)
Equation 4. ICC2 = 2.1068 + (0.04374 × f) + (0.007045 × f × CL)

ISO7341-Q1

At VCC1 = VCC2 = 5 V:

Equation 5. ICC1 = 1.7403 + (0.1006 × f) + (0.001711 × f × CL)
Equation 6. ICC2 = 2.502 + (0.09629 × f) + (0.00687 × f × CL)

At VCC1 = VCC2 = 3.3 V:

Equation 7. ICC1 = 1.2915 + (0.046 × f) + (0.00185 × f × CL)
Equation 8. ICC2 = 1.8833 + (0.0566 × f) + (0.004514 × f × CL)

ISO7342-Q1

At VCC1 = VCC2 = 5 V:

Equation 9. ICC1, ICC2 = 2.1254 + (0.08694 × f) + (0.004868 × f × CL)

At VCC1 = VCC2 = 3.3 V:

Equation 10. ICC1, ICC2 = 1.5912 + (0.0410 × f) + (0.003785 × f × CL)
ISO7340-Q1 ISO7341-Q1 ISO7342-Q1 Design_Requirements_740_sllsei6.gif Figure 21. Typical ISO7340-Q1 Circuit Hook-up
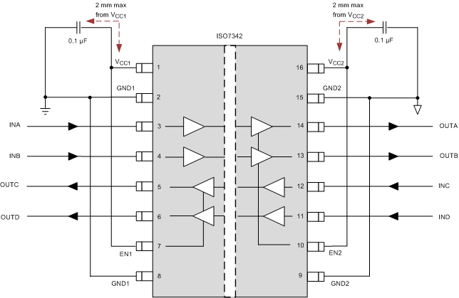
ISO7340-Q1 ISO7341-Q1 ISO7342-Q1 Design_Requirements_742_sllsei6.gif Figure 23. Typical ISO7342-Q1 Circuit Hook-up
ISO7340-Q1 ISO7341-Q1 ISO7342-Q1 Design_Requirements_741_sllsei6.gif Figure 22. Typical ISO7341-Q1 Circuit Hook-up

Application Curves

The typical eye diagrams of the ISO734x-Q1 family of devices indicate low jitter and a wide open eye at the maximum data rate of 25 Mbps.

ISO7340-Q1 ISO7341-Q1 ISO7342-Q1 eye_diagram_5V_sllsei6.png Figure 24. Eye Diagram at 25 Mbps, 5 V and 25°C
ISO7340-Q1 ISO7341-Q1 ISO7342-Q1 eye_diagram_3V_sllsei6.png Figure 25. Eye Diagram at 25 Mbps, 3.3 V and 25°C

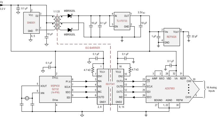
Typical Application for Module With 16 Inputs

The ISO7341x-Q1 device and several other components from Texas Instruments can be used to create an isolated serial peripheral interface (SPI) for input module with 16 inputs.

ISO7340-Q1 ISO7341-Q1 ISO7342-Q1 Apps_Circuits2_sllsei6.gif Figure 26. Isolated SPI for an Analog Input Module With 16 Inputs

Design Requirements

Refer to Isolated Data Acquisition System for Process Control for the design requirements.

Detailed Design Procedure

Refer to Isolated Data Acquisition System for Process Control for the detailed design procedures.

Application Curves

Refer to Isolated Data Acquisition System for Process Control for the application curves.

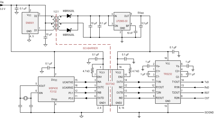
Typical Application for RS-232 Interface

Typical isolated RS-232 interface implementation is shown in Figure 27.

ISO7340-Q1 ISO7341-Q1 ISO7342-Q1 Apps_Circuits3_sllsei6.gif Figure 27. Isolated RS-232 Interface

Design Requirements

Refer to Isolated Data Acquisition System for Process Control for the design requirements.

Detailed Design Procedure

Refer to Isolated Data Acquisition System for Process Control for the detailed design procedures.

Application Curves

Refer to Isolated Data Acquisition System for Process Control for the application curves.