ZHCS221F April   2013  – January 2015 ISO7131CC , ISO7140CC , ISO7140FCC , ISO7141CC , ISO7141FCC

PRODUCTION DATA.  

  1. 特性
  2. 应用范围
  3. 说明
  4. 修订历史记录
  5. Pin Configuration and Functions
  6. Specifications
    1. 6.1  Absolute Maximum Ratings
    2. 6.2  ESD Ratings
    3. 6.3  Recommended Operating Conditions
    4. 6.4  Thermal Information
    5. 6.5  Power Dissipation Ratings
    6. 6.6  Electrical Characteristics: VCC1 and VCC2 at 5 V ±10%
    7. 6.7  Electrical Characteristics: VCC1 and VCC2 at 3.3 V ±10%
    8. 6.8  Electrical Characteristics: VCC1 and VCC2 at 2.7 V
    9. 6.9  Switching Characteristics: VCC1 and VCC2 at 5 V ±10%
    10. 6.10 Switching Characteristics: VCC1 and VCC2 at 3.3 V ±10%
    11. 6.11 Switching Characteristics: VCC1 and VCC2 at 2.7 V
    12. 6.12 Supply Current: VCC1 and VCC2 at 5 V ±10%
    13. 6.13 Supply Current: VCC1 and VCC2 at 3.3 V ±10%
    14. 6.14 Supply Current: VCC1 and VCC2 at 2.7 V
    15. 6.15 Typical Characteristics
  7. Parameter Measurement Information
  8. Detailed Description
    1. 8.1 Overview
    2. 8.2 Functional Block Diagram
    3. 8.3 Feature Description
      1. 8.3.1 Insulation and Safety-Related Specifications
        1. 8.3.1.1 Safety Limiting Values
        2. 8.3.1.2 Regulatory Information
    4. 8.4 Device Functional Modes
  9. Application and Implementation
    1. 9.1 Application Information
    2. 9.2 Typical Applications
      1. 9.2.1 Isolated Data Acquisition System for Process Control
        1. 9.2.1.1 Design Requirements
        2. 9.2.1.2 Detailed Design Procedure
        3. 9.2.1.3 Application Curves
      2. 9.2.2 Isolated RS-485 Interface
        1. 9.2.2.1 Design Requirements
        2. 9.2.2.2 Detailed Design Procedure
        3. 9.2.2.3 Application Curves
  10. 10Power Supply Recommendations
  11. 11Layout
    1. 11.1 Layout Guidelines
      1. 11.1.1 PCB Material
    2. 11.2 Layout Example
  12. 12器件和文档支持
    1. 12.1 文档支持
      1. 12.1.1 相关文档
    2. 12.2 相关链接
    3. 12.3 商标
    4. 12.4 静电放电警告
    5. 12.5 术语表
  13. 13机械封装和可订购信息

封装选项

机械数据 (封装 | 引脚)
散热焊盘机械数据 (封装 | 引脚)
订购信息

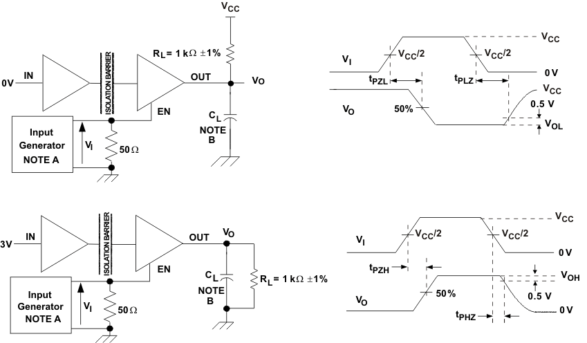
7 Parameter Measurement Information

ISO7131CC ISO7140CC ISO7140FCC ISO7141CC ISO7141FCC tst_cir_llse25.gif
A. The input pulse is supplied by a generator having the following characteristics: PRR ≤ 50 kHz, 50% duty cycle, tr ≤ 3 ns, tf ≤ 3 ns, ZO = 50 Ω. At the input, a 50-Ω resistor is required to terminate the input-generator signal. It is not needed in an actual application.
B. CL = 15 pF and includes instrumentation and fixture capacitance within ±20%.
Figure 10. Switching-Characteristics Test Circuit and Voltage Waveforms
ISO7131CC ISO7140CC ISO7140FCC ISO7141CC ISO7141FCC delay_tim_llse25.gif
A. The input pulse is supplied by a generator having the following characteristics: PRR ≤ 50 kHz, 50% duty cycle, tr ≤ 3 ns, tf ≤ 3 ns, ZO = 50 Ω.
B. CL = 15 pF and includes instrumentation and fixture capacitance within ±20%.
Figure 11. Enable/Disable Propagation Delay-Time Test Circuit and Waveform
ISO7131CC ISO7140CC ISO7140FCC ISO7141CC ISO7141FCC failsafe_LLSE83.gif
A. CL = 15 pF and includes instrumentation and fixture capacitance within ±20%.
Figure 12. Failsafe Delay-Time Test Circuit and Voltage Waveforms
ISO7131CC ISO7140CC ISO7140FCC ISO7141CC ISO7141FCC Immunity_llse25.gif
A. CL = 15 pF and includes instrumentation and fixture capacitance within ±20%.
Figure 13. Common-Mode Transient Immunity Test Circuit