ZHCSW26C September   2000  – January 2026 INA117

PRODUCTION DATA  

  1.   1
  2. 特性
  3. 应用
  4. 说明
  5. 引脚配置和功能
  6. 规格
    1. 5.1 绝对最大额定值
    2. 5.2 ESD 等级
    3. 5.3 建议运行条件
    4. 5.4 热性能信息
    5. 5.5 电气特性
  7. 典型特性
  8. 应用和实施
    1. 7.1 应用信息
      1. 7.1.1 共模抑制
      2. 7.1.2 传递函数
      3. 7.1.3 测量电流
      4. 7.1.4 噪声性能
  9. 器件和文档支持
    1. 8.1 器件命名规则
    2. 8.2 文档支持
      1. 8.2.1 相关文档
    3. 8.3 接收文档更新通知
    4. 8.4 支持资源
    5. 8.5 商标
    6. 8.6 静电放电警告
    7. 8.7 术语表
  10. 修订历史记录
  11. 10机械、封装和可订购信息

封装选项

机械数据 (封装 | 引脚)
散热焊盘机械数据 (封装 | 引脚)
订购信息

噪声性能

INA117 的噪声性能由内部电阻器网络决定。这些电阻器的热 (Johnson) 噪声会产生大约 550nV/√Hz 的噪声。在高于 100Hz 的频率下,内部运算放大器几乎没有多余的噪声。

低于 INA117 的完整 200kHz 带宽可满足许多应用的要求。在这些情况下,可以通过在输出端使用低通滤波器来降低噪声。图 7-9 中所示的双极滤波器将带宽限制为 1kHz,并将噪声降低到原来的 1/15 以下。由于 INA117 的 1/f 噪声转角频率约为 100Hz,低于 100Hz 的截止频率不会进一步降低噪声。

INA117 泄漏电流测量电路图 7-8 泄漏电流测量电路
INA117 用于降低噪声的输出滤波器图 7-9 用于降低噪声的输出滤波器
INA117 对输出中的 VX 求和图 7-10 对输出中的 VX 求和
INA117 共模电压监控图 7-11 共模电压监控
INA117 将共模电压范围进行偏移或提升,以在较低电源电压下工作图 7-12 将共模电压范围进行偏移或提升,以在较低电源电压下工作
INA117 电池电芯电压监控图 7-13 电池电芯电压监控
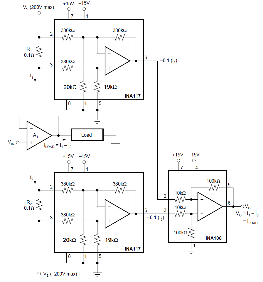
INA117 测量放大器负载电流图 7-14 测量放大器负载电流
INA117 交流耦合 INA117图 7-15 交流耦合 INA117