ZHCSW26B September   2000  – April 2024 INA117

PRODUCTION DATA  

  1.   1
  2. 特性
  3. 应用
  4. 说明
  5. Pin Configuration and Functions
  6. Specifications
    1. 5.1 Absolute Maximum Ratings
    2. 5.2 ESD Ratings
    3. 5.3 Recommended Operating Conditions
    4. 5.4 Thermal Information
    5. 5.5 Electrical Characteristics
  7. Typical Characteristics
  8. Application and Implementation
    1. 7.1 Application Information
      1. 7.1.1 Common-mode Rejection
      2. 7.1.2 Transfer Function
      3. 7.1.3 Measuring Current
      4. 7.1.4 Noise Performance
  9. Device and Documentation Support
    1. 8.1 Documentation Support
      1. 8.1.1 Related Documentation
    2. 8.2 接收文档更新通知
    3. 8.3 支持资源
    4. 8.4 Trademarks
    5. 8.5 静电放电警告
    6. 8.6 术语表
  10. Revision History
  11. 10Mechanical, Packaging, and Orderable Information

封装选项

请参考 PDF 数据表获取器件具体的封装图。

机械数据 (封装 | 引脚)
  • D|8
  • P|8
  • LMC|8
散热焊盘机械数据 (封装 | 引脚)
订购信息

Noise Performance

The noise performance of the INA117 is dominated by the internal resistor network. The thermal or Johnson noise of these resistors produces approximately 550nV/√Hz noise. The internal op amp contributes virtually no excess noise at frequencies above 100Hz.

Many applications can be satisfied with less than the full 200kHz bandwidth of the INA117. In these cases, the noise can be reduced with a low-pass filter on the output. The two- pole filter shown in Figure 7-9 limits bandwidth to 1kHz and reduces noise by more than 15:1. Since the INA117 has a 1/f noise corner frequency of approximately 100Hz, a cutoff frequency below 100Hz does not further reduce noise.

INA117 Leakage Current Measurement
                    Circuit Figure 7-8 Leakage Current Measurement Circuit
INA117 Output Filter for Noise
                    Reduction Figure 7-9 Output Filter for Noise Reduction
INA117 Summing VX in
                    Output Figure 7-10 Summing VX in Output
INA117 Common-mode Voltage
                    Monitoring Figure 7-11 Common-mode Voltage Monitoring
INA117 Offsetting or Boosting
                    Common-mode Voltage Range for Reduced Power-supply Voltage Operation Figure 7-12 Offsetting or Boosting Common-mode Voltage Range for Reduced Power-supply Voltage Operation
INA117 Battery Cell Voltage
                    Monitor Figure 7-13 Battery Cell Voltage Monitor
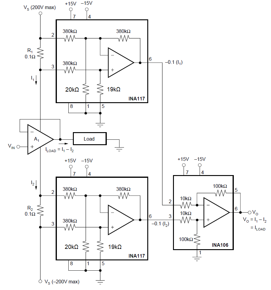
INA117 Measuring Amplifier Load
                    Current Figure 7-14 Measuring Amplifier Load Current
INA117 AC-coupled INA117 Figure 7-15 AC-coupled INA117