ZHCSIH2C May   2018  – February 2024 ESDS311 , ESDS312 , ESDS314

PRODUCTION DATA  

  1.   1
  2. 特性
  3. 应用
  4. 说明
  5. Pin Configuration and Functions
  6. Specifications
    1. 5.1 Absolute Maximum Ratings
    2. 5.2 ESD Ratings - JEDEC Specifications
    3. 5.3 ESD Ratings - IEC Specifications
    4. 5.4 Recommended Operating Conditions
    5. 5.5 Thermal Information
    6. 5.6 Electrical Characteristics
    7. 5.7 Typical Characteristics
  7. Detailed Description
    1. 6.1 Overview
    2. 6.2 Functional Block Diagram
    3. 6.3 Feature Description
      1. 6.3.1 IEC 61000-4-4 EFT Protection
    4. 6.4 Device Functional Modes
  8. Application and Implementation
    1. 7.1 Application Information
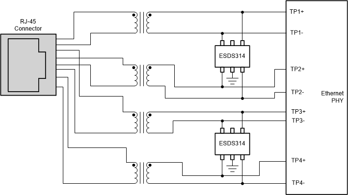
    2. 7.2 Typical Application
      1. 7.2.1 Design Requirements
      2. 7.2.2 Detailed Design Procedure
        1. 7.2.2.1 Signal Range
        2. 7.2.2.2 Operating Frequency
      3. 7.2.3 Application Curves
    3. 7.3 Power Supply Recommendations
    4. 7.4 Layout
      1. 7.4.1 Layout Guidelines
      2. 7.4.2 Layout Example
  9. Device and Documentation Support
    1. 8.1 Documentation Support
      1. 8.1.1 Related Documentation
    2. 8.2 接收文档更新通知
    3. 8.3 支持资源
    4. 8.4 Trademarks
    5. 8.5 静电放电警告
    6. 8.6 术语表
  10. Revision History
  11. 10Mechanical, Packaging, and Orderable Information

封装选项

请参考 PDF 数据表获取器件具体的封装图。

机械数据 (封装 | 引脚)
  • DBV|5
散热焊盘机械数据 (封装 | 引脚)
订购信息

说明

ESDS31x 器件是一种单向 TVS ESD 保护二极管阵列,用于高达 25A (8/20μs) 的以太网、USB 和通用数据线路浪涌保护。ESDS31x 器件旨在耗散那些高于 IEC61000-4-2 国际标准(4 级)中规定的最高水平的 ESD 冲击。

这些器件具有每通道 4.5pF IO 电容,因此非常适用于保护 Ethernet 10/100/1000、USB 2.0 和 GPIO 等高速接口。低动态电阻和低钳位电压支持针对瞬态事件提供系统级保护。

封装信息
器件型号 通道数 封装(1)
ESDS311 1 通道 DYF(SOD323,2)
ESDS312 2 通道 DBV(SOT-23,5)
ESDS314 4 通道 DBV(SOT-23,5)
如需更多信息,请参阅节 10
GUID-8C2FADA5-6A27-4480-AEC3-86D9A5ECF406-low.gif典型应用原理图