ZHCSHL9A February   2018  – March 2018 ESD224

PRODUCTION DATA.  

  1. 特性
  2. 应用
  3. 说明
    1.     典型应用原理图
  4. 修订历史记录
  5. Pin Configuration and Functions
    1.     Pin Functions
  6. Specifications
    1. 6.1 Absolute Maximum Ratings
    2. 6.2 ESD Ratings -JEDEC Specifications
    3. 6.3 ESD Ratings - IEC Specifications
    4. 6.4 Recommended Operating Conditions
    5. 6.5 Thermal Information
    6. 6.6 Electrical Characteristics
    7. 6.7 Typical Characteristics
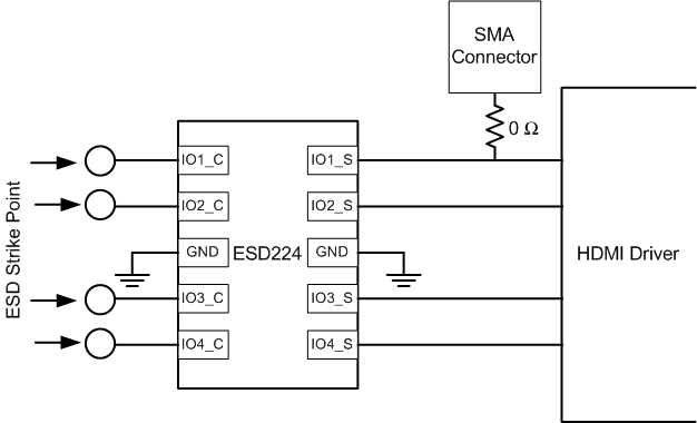
  7. Parameter Measurement Setup
    1. 7.1 IEC 61000-4-2 System Level ESD Test Setup with HDMI Driver for Clamping Voltage Measurement
  8. Detailed Description
    1. 8.1 Overview
    2. 8.2 Functional Block Diagram
    3. 8.3 Feature Description
      1. 8.3.1 IEC 61000-4-2 ESD Protection
      2. 8.3.2 IEC 61000-4-4 EFT Protection
      3. 8.3.3 IEC 61000-4-5 Surge Protection
      4. 8.3.4 IO Capacitance
      5. 8.3.5 DC Breakdown Voltage
      6. 8.3.6 Ultra Low Leakage Current
      7. 8.3.7 Low ESD Clamping Voltage
      8. 8.3.8 Supports High Speed Interfaces
      9. 8.3.9 Industrial Temperature Range
    4. 8.4 Device Functional Modes
  9. Application and Implementation
    1. 9.1 Application Information
    2. 9.2 Typical Application
      1. 9.2.1 Design Requirements
      2. 9.2.2 Detailed Design Procedure
        1. 9.2.2.1 Signal Range
        2. 9.2.2.2 Operating Frequency
      3. 9.2.3 Application Curves
  10. 10Power Supply Recommendations
  11. 11Layout
    1. 11.1 Layout Guidelines
    2. 11.2 Layout Examples
  12. 12器件和文档支持
    1. 12.1 文档支持
      1. 12.1.1 相关文档
    2. 12.2 接收文档更新通知
    3. 12.3 社区资源
    4. 12.4 商标
    5. 12.5 静电放电警告
    6. 12.6 术语表
  13. 13机械、封装和可订购信息

封装选项

机械数据 (封装 | 引脚)
散热焊盘机械数据 (封装 | 引脚)
订购信息

IEC 61000-4-2 System Level ESD Test Setup with HDMI Driver for Clamping Voltage Measurement

Figure 11 shows the setup used to perform System Level ESD test to evaluate the clamping performance of ESD224 in real-world applications where the device is protecting a downstream HDMI driver System-on-Chip. IEC 61000-4-2 8kV Contact stress was applied at the connector pin and the voltage waveform on the system-side pin was captured to look at the clamping voltage presented by ESD224 to the down stream HDMI driver.

ESD224 system_side_clamp.gifFigure 11. System Level IEC 61000-4-2 ESD Test Setup with ESD224 protecting an HDMI driver chip