ZHCSEN8A NOVEMBER   2014  – January 2016 DS90UH940-Q1

PRODUCTION DATA.  

  1. 特性
  2. 应用
  3. 说明
  4. 应用 图
  5. 修订历史记录
  6. Pin Configurations and Functions
  7. Specifications
    1. 7.1  Absolute Maximum Ratings
    2. 7.2  ESD Ratings—JEDEC
    3. 7.3  ESD Ratings—IEC and ISO
    4. 7.4  Recommended Operating Conditions
    5. 7.5  Thermal Information
    6. 7.6  DC Electrical Characteristics
    7. 7.7  AC Electrical Characteristics
    8. 7.8  Timing Requirements for the Serial Control Bus
    9. 7.9  Switching Characteristics
    10. 7.10 Timing Diagrams and Test Circuits
    11. 7.11 Power Sequence
    12. 7.12 Typical Characteristics
  8. Detailed Description
    1. 8.1 Overview
    2. 8.2 Functional Block Diagram
    3. 8.3 Feature Description
      1. 8.3.1  High Speed Forward Channel Data Transfer
      2. 8.3.2  Low Speed Back Channel Data Transfer
      3. 8.3.3  FPD-Link III Port Register Access
      4. 8.3.4  Clock and Output Status
      5. 8.3.5  LVCMOS VDDIO Option
      6. 8.3.6  Power Down (PDB)
      7. 8.3.7  Interrupt Pin — Functional Description and Usage (INTB_IN)
      8. 8.3.8  General-purpose I/O
        1. 8.3.8.1 GPIO[3:0] and D_GPIO[3:0] Configuration
        2. 8.3.8.2 Back Channel Configuration
        3. 8.3.8.3 GPIO_REG[8:5] Configuration
      9. 8.3.9  SPI Communication
        1. 8.3.9.1 SPI Mode Configuration
        2. 8.3.9.2 Forward Channel SPI Operation
        3. 8.3.9.3 Reverse Channel SPI Operation
      10. 8.3.10 Backward Compatibility
      11. 8.3.11 Input Equalization
      12. 8.3.12 I2S Audio Interface
        1. 8.3.12.1 I2S Transport Modes
        2. 8.3.12.2 I2S Jitter Cleaning
        3. 8.3.12.3 MCLK
      13. 8.3.13 HDCP
        1. 8.3.13.1 HDCP I2S Audio Encryption
      14. 8.3.14 Built-In Self Test (BIST)
        1. 8.3.14.1 BIST Configuration And Status
          1. 8.3.14.1.1 Sample BIST Sequence
        2. 8.3.14.2 Forward Channel and Back Channel Error Checking
      15. 8.3.15 Internal Pattern Generation
    4. 8.4 Device Functional Modes
      1. 8.4.1 Configuration Select
        1. 8.4.1.1 1-lane FPD-Link III Input, 4 MIPI lanes Output
        2. 8.4.1.2 1-lane FPD-Link III Input, 2 MIPI lanes Output
        3. 8.4.1.3 2-lane FPD-Link III Input, 4 MIPI lanes Output
        4. 8.4.1.4 2-lane FPD-Link III Input, 2 MIPI lanes Output
        5. 8.4.1.5 1- or 2-lane FPD-Link III Input, 2 or 4 MIPI lanes Output in Replicate
      2. 8.4.2 MODE_SEL[1:0]
      3. 8.4.3 CSI-2 Interface
      4. 8.4.4 Input Display Timing
      5. 8.4.5 MIPI CSI-2 Output Data Formats
      6. 8.4.6 Non-Continuous / Continuous Clock
      7. 8.4.7 Ultra Low Power State (ULPS)
      8. 8.4.8 CSI-2 Data Identifier
    5. 8.5 Programming
      1. 8.5.1 Serial Control Bus
      2. 8.5.2 Multi-Master Arbitration Support
      3. 8.5.3 I2C Restrictions on Multi-Master Operation
      4. 8.5.4 Multi-Master Access to Device Registers for Newer FPD-Link III Devices
      5. 8.5.5 Multi-Master Access to Device Registers for Older FPD-Link III Devices
      6. 8.5.6 Restrictions on Control Channel Direction for Multi-Master Operation
    6. 8.6 Register Maps
  9. Application and Implementation
    1. 9.1 Application Information
    2. 9.2 Typical Applications
      1. 9.2.1 Design Requirements
      2. 9.2.2 Detailed Design Procedure
        1. 9.2.2.1 PCB Layout and Power System Considerations
        2. 9.2.2.2 CML Interconnect Guidelines
      3. 9.2.3 Application Performance Plots
  10. 10Power Supply Recommendations
    1. 10.1 Power Up Requirements and PDB Pin
  11. 11Layout
    1. 11.1 Layout Guidelines
    2. 11.2 Layout Example
  12. 12器件和文档支持
    1. 12.1 文档支持
      1. 12.1.1 相关文档 
    2. 12.2 社区资源
    3. 12.3 商标
    4. 12.4 静电放电警告
    5. 12.5 Glossary
  13. 13机械、封装和可订购信息

封装选项

机械数据 (封装 | 引脚)
散热焊盘机械数据 (封装 | 引脚)
订购信息

Specifications

Absolute Maximum Ratings

Over operating free-air temperature range (unless otherwise noted)(1) (2)
PARAMETER MIN MAX UNIT
VDD33 Supply voltage –0.3 4.0 V
VDD12 Supply voltage -0.3 1.8 V
VDDIO Supply voltage –0.3 4.0 V
LVCMOS I/O voltage –0.3 VDDIO + 0.3 V
FPD-Link III input voltage –0.3 2.75 V
TJ Junction temperature 150 °C
Tstg Storage temperature range -65 150 °C
Stresses beyond those listed under Absolute Maximum Ratings may cause permanent damage to the device. These are stress ratings only, which do not imply functional operation of the device at these or any other conditions beyond those indicated under Recommended Operating Conditions. Exposure to absolute-maximum-rated conditions for extended periods may affect device reliability.
For soldering specifications, see product folder at www.ti.com and SNOA549

ESD Ratings—JEDEC

VALUE UNIT
V(ESD) Electrostatic discharge Human-body model (HBM), per AEC Q100-002(1) ±8000 V
Charged-device model (CDM), per AEC Q100-011 ±1250
AEC Q100-002 indicates that HBM stressing shall be in accordance with the ANSI/ESDA/JEDEC JS-001 specification.

ESD Ratings—IEC and ISO

VALUE UNIT
V(ESD) Electrostatic discharge RD = 330 Ω, CS = 150 pF IEC, powered-up only contact discharge (RIN0+, RIN0-, RIN1+, RIN1-) ±8000 V
IEC, powered-up only air-gap discharge (RIN0+, RIN0-, RIN1+, RIN1-) ±15000
RD = 330 Ω, CS = 150 and 330 pF ISO10605 contact discharge (RIN0+, RIN0-, RIN1+, RIN1-) ±8000 V
ISO10605 air-gap discharge (RIN0+, RIN0-, RIN1+, RIN1-) ±15000
RD = 2 kΩ, CS = 150 and 330 pF ISO10605 contact discharge (RIN0+, RIN0-, RIN1+, RIN1-) ±8000 V
ISO10605 air-gap discharge (RIN0+, RIN0-, RIN1+, RIN1-) ±15000

Recommended Operating Conditions

MIN NOM MAX UNIT
Supply Voltage (VDD33) 3.0 3.3 3.6 V
Supply Voltage (VDD18) 1.71 1.8 1.89 V
Supply Voltage (VDD12) 1.14 1.2 1.26 V
Operating Free Air Temperature (TA) −40 25 105 °C
Pixel Clock Frequency (Single Link) 25 96 MHz
Pixel Clock Frequency (Dual Link) 50 170 MHz
Supply Noise -- VDD33 (DC-50MHz) 100 mVP-P
Supply Noise -- VDD18 (DC-50MHz) 50 mVP-P
Supply Noise -- VDD12 (DC-50MHz) 25 mVP-P

Thermal Information

THERMAL METRIC(1) DS90UH940-Q1 UNIT
WQFN (NKD)
64 PINS
RθJA Junction-to-ambient thermal resistance 24.8 °C/W
RθJC(top) Junction-to-case (top) thermal resistance 6.2
RθJB Junction-to-board thermal resistance 3.6
ψJT Junction-to-top characterization parameter 0.1
ψJB Junction-to-board characterization parameter 3.6
RθJC(bot) Junction-to-case (bottom) thermal resistance 0.6
For more information about traditional and new thermal metrics, see the IC Package Thermal Metrics application report, SPRA953.

DC Electrical Characteristics

Over recommended operating supply and temperature ranges unless otherwise specified.
PARAMETER TEST CONDITIONS PIN/FREQ. MIN TYP MAX UNIT
3.3V LVCMOS I/O (VDDIO = 3.3V ± 10%)
VIH High Level Input Voltage PDB, BISTEN, BISTC, GPIO[3:0], D_GPIO[3:0], I2S_DA, I2S_DB, I2S_DC, I2S_DD, I2S_CLK, I2S_WC, LOCK, PASS 2.0 VDDIO V
VIL Low Level Input Voltage 0 0.8 V
IIN Input Current VIN = 0V or VDDIO -10 10 µA
VOH High Level Output Voltage IOH = -4mA 2.4 VDDIO V
VOL Low Level Output Voltage IOL = +4mA 0 0.4 V
IOS Output Short Circuit Current VOUT = 0V -55 mA
IOZ Tri-state Output Current PDB = 0V
VOUT = 0V or VDDIO
-20 20 µA
CIN Input Capacitance 10 pF
1.8V LVCMOS I/O (VDDIO = 1.8V ± 5%)
VIH High Level Input Voltage PDB, BISTEN, BISTC, GPIO[3:0], D_GPIO[3:0], I2S_DA, I2S_DB, I2S_DC, I2S_DD, I2S_CLK, I2S_WC, LOCK, PASS 0.65 * VDDIO VDDIO V
VIL Low Level Input Voltage 0 0.35 * VDDIO V
IIN Input Current VIN = 0V or VDDIO -10 10 µA
VOH High Level Output Voltage IOH = -4mA VDDIO-0.45 VDDIO V
VOL Low Level Output Voltage IOL = +4mA 0 0.45 V
IOS Output Short Circuit Current VOUT = 0V -35 mA
IOZ Tri-state Output Current PDB = 0V
VOUT = 0V or VDDIO
-20 20 µA
CIN Input Capacitance 10 pF
SERIAL CONTROL BUS (VDDIO = 1.8V ± 5% OR 3.3V ± 10%)
VIH Input High Level I2C_SDA, I2C_SCL 0.7 * VDDIO VDD33 V
VIL Input Low Level GND 0.3 * VDDIO V
VHY Input Hysteresis >50 mV
VOL Output Low Level IOL = +4mA 0 0.4 V
IIN Input Current VIN = 0V or VDDIO -10 10 µA
FPD-LINK III CML INPUT
VTH Differential Threshold High Voltage VCM = 2.1V (Internal VBIAS) RIN0+, RIN0-
RIN1+, RIN1-
50 mV
VTL Differential Threshold Low Voltage -50 mV
VID Input Differential Threshold 100 mV
VCM Differential Common-mode Voltage 2.1 V
RT Internal Termination Resistor - Differential 80 100 120 Ω
HSTX DRIVER
VCMTX HS transmit static common-mode voltage CSI0_D3±, CSI0_D2±, CSI0_D1±, CSI0_D0±, CSI0_CLK±, CSI1_D3±, CSI1_D2±, CSI1_D1±, CSI1_D0±, CSI1_CLK± 150 200 250 mV
|ΔVCMTX(1,0)| VCMTX mismatch when output is 1 or 0 5 mVP-P
|VOD| HS transmit differential voltage 140 200 270 mV
|ΔVOD| VOD mismatch when output is 1 or 0 14 mV
VOHHS HS output high voltage 360 mV
ZOS Single-ended output impedance 40 50 62.5 Ω
ΔZOS Mismatch in single-ended output impedance 10 %
LPTX DRIVER
VOH High Level Output Voltage IOH = -4mA CSI0_D3±, CSI0_D2±, CSI0_D1±, CSI0_D0±, CSI0_CLK±, CSI1_D3±, CSI1_D2±, CSI1_D1±, CSI1_D0±, CSI1_CLK± 1.05 1.2 1.3 V
VOL Low Level Output Voltage IOL = +4mA -50 50 mV
ZOLP Output impedance 110 Ω
LOOP-THROUGH MONITOR OUTPUT
VODp-p Differential Output Voltage RL = 100Ω CMLOUTP, CMLOUTN 360 mV
SUPPLY CURRENT
PT Total Power Consumption, Normal Operation Checkerboard Pattern, 170MHz. See Figure 1.
2-lane FPD-Link III Input, 2 MIPI lanes Output
VDD 628 875 mW
PZ Total Power Consumption, Power-Down Mode PDB = 0V 10 45 mW
IDD12 Supply Current, Normal Operation Checkerboard Pattern, 96MHz. See Figure 1.
1-lane FPD-Link III Input, 2 MIPI lanes Output
VDD12 = 1.2 V 150 250 mA
IDD33 VDD33 = 3.6 V 90 122 mA
IDDIO VDDIO = 1.89 V 1 6 mA
VDDIO = 3.6 V 1 6 mA
IDD12 Supply Current, Normal Operation Checkerboard Pattern, 96MHz. See Figure 1.
1-lane FPD-Link III Input, 4 MIPI lanes Output
VDD12 = 1.2 V 125 225 mA
IDD33 VDD33 = 3.6 V 90 122 mA
IDDIO VDDIO = 1.89 V 1 6 mA
VDDIO = 3.6 V 1 6 mA
IDD12 Supply Current, Normal Operation Checkerboard Pattern, 170MHz. See Figure 1.
2-lane FPD-Link III Input, 2 MIPI lanes Output
VDD12 = 1.2 V 250 345 mA
IDD33 VDD33 = 3.6 V 90 122 mA
IDDIO VDDIO = 1.89 V 1 6 mA
VDDIO = 3.6 V 1 6 mA
IDD12 Supply Current, Normal Operation Checkerboard Pattern, 170MHz. See Figure 1.
2-lane FPD-Link III Input, 4 MIPI lanes Output
VDD12 = 1.2 V 220 300 mA
IDD33 VDD33 = 3.6 V 90 122 mA
IDDIO VDDIO = 1.89 V 1 6 mA
VDDIO = 3.6 V 1 6 mA
IDD12Z Supply Current, Power Down Mode PDB = 0 V VDD12 = 1.2 V 2 30 mA
IDD33Z VDD33 = 3.6 V 2 8 mA
IDDIOZ VDDIO = 1.89 V 0.1 0.3 mA
VDDIO = 3.6 V 0.1 0.3 mA
Parameter is specified by bench characterization and is not tested in production.

AC Electrical Characteristics

Over recommended operating supply and temperature ranges unless otherwise specified.
PARAMETER TEST CONDITIONS PIN/FREQ. MIN TYP MAX UNIT
GPIO BIT RATE
Rb,FC Forward Channel Bit Rate PCLK = 25MHz - 170MHz(3) GPIO[3:0] 0.25 * PCLK Mbps
Rb,BC Back Channel Bit Rate 133 kbps
Rb,BC Back Channel Bit Rate High Speed (2-lane Mode), 1 D_GPIO active.
See Table 4.
D_GPIO[3:0] 2.0 Mbps
High Speed (2-lane Mode), 2 D_GPIO's active.
See Table 4.
1.33 Mbps
High Speed (2-lane Mode), 4 D_GPIO's active.
See Table 4.
800 kbps
Normal mode. See Table 4. 133 kbps
tGPIO,FC GPIO Pulse Width, Forward Channel GPIO[3:0] >2 / PCLK(3) s
tGPIO,BC GPIO Pulse Width, Back Channel GPIO[3:0] 20 μs
RESET
tLRST PDB Reset Low Pulse PDB 2 ms
LOOP-THROUGH MONITOR OUTPUT
EW Differential Output Eye Opening Width RL = 100Ω, Jitter frequency > PCLK(3) / 40
See Figure 2.
CMLOUTP, CMLOUTN 0.4 UI
EH Differential Output Eye Height >300 mV
FPD-LINK III CML INPUT
tDDLT Lock Time  See Figure 4. RIN0+,
RIN0-,
RIN1+,
RIN1-
5 10(1) ms
I2S TRANSMITTER
tJ,I2S Clock Output Jitter I2S_CLK 2 ns
tI2S I2S Clock Period(2) See Figure 9. >2 / PCLK(3) or >77 ns
tHC,I2S I2S Clock High Time(2) See Figure 9. 0.48 tI2S
tLC,I2S I2S Clock Low Time(2) See Figure 9. 0.48 tI2S
tSR,I2S I2S Set-up Time See Figure 9. I2S_DA, I2S_DB, I2S_DC, I2S_DD 0.4 tI2S
tHR,I2S I2S Hold Time See Figure 9. 0.4 tI2S
This parameter is specified by characterization and is not tested in production.
I2S specifications for tLC,I2S and tHC,I2S pulses must each be greater than 1 PCLK period to ensure sampling and supersedes the 0.35*tI2S requirement. tLC,I2S and tHC,I2S must be longer than the greater of either 0.35*tI2S or 2 * PCLK.
PCLK refers to the equivalent pixel clock frequency, which is equal to the FPD-Link III line rate / 35.

Timing Requirements for the Serial Control Bus

Over I2C supply and temperature ranges unless otherwise specified.
PARAMETER TEST CONDITIONS MIN TYP MAX UNIT
fSCL SCL Clock Frequency Standard Mode >0 100 kHz
Fast Mode >0 400 kHz
Fast Plus Mode >0 1 MHz
tLOW SCL Low Period Standard Mode 4.7 µs
Fast Mode 1.3 µs
Fast Plus Mode 0.5 µs
tHIGH SCL High Period Standard Mode 4.0 µs
Fast Mode 0.6 µs
Fast Plus Mode 0.26 µs
tHD;STA Hold time for a start or a repeated start condition
Figure 8
Standard Mode 4.0 µs
Fast Mode 0.6 µs
Fast Plus Mode 0.26 µs
tSU;STA Set Up time for a start or a repeated start condition
Figure 8
Standard Mode 4.7 µs
Fast Mode 0.6 µs
Fast Plus Mode 0.26 µs
tHD;DAT Data Hold Time
Figure 8
Standard Mode 0 µs
Fast Mode 0 µs
Fast Plus Mode 0 µs
tSU;DAT Data Set Up Time
Figure 8
Standard Mode 250 ns
Fast Mode 100 ns
Fast Plus Mode 50 ns
tSU;STO Set Up Time for STOP Condition
Figure 8
Standard Mode 4.0 µs
Fast Mode 0.6 µs
Fast Plus Mode 0.26 µs
tBUF Bus Free Time
Between STOP and START
Figure 8
Standard Mode 4.7 µs
Fast Mode 1.3 µs
Fast Plus Mode 0.5 µs
tr SCL & SDA Rise Time,
Figure 8
Standard Mode 1000(1) ns
Fast Mode 300(1) ns
Fast Plus Mode 120(1) ns
tf SCL & SDA Fall Time,
Figure 8
Standard Mode 300(1) ns
Fast mode 300(1) ns
Fast Plus Mode 120(1) ns
Cb Capacitive Load for Each Bus Line Standard Mode 400 pF
Fast Mode 400 pF
Fast Plus Mode 550 pF
tSP Input Filter Fast Mode 50 ns
Fast Plus Mode 50 ns

Switching Characteristics

Over recommended operating supply and temperature ranges unless otherwise specified.
PARAMETER TEST CONDITIONS PIN/FREQ. MIN TYP MAX UNIT
HSTX DRIVER
HSTXDBR Data bit rate(1) MIPI 2 Lanes CSI0_D0±
CSI0_D1±
CSI0_D2±
CSI0_D3±
CSI1_D0±
CSI1_D1±
CSI1_D2±
CSI1_D3±
CSI0_CLK±
CSI1_CLK±
350 1344 Mbps
MIPI 4 Lanes 175 1190
fCLK DDR Clock frequency(1) MIPI 2 Lanes 175 672 MHz
MIPI 4 Lanes 87.5 595
ΔVCMTX(HF) Common mode voltage variations HF(1) Above 450MHz 15 mVRMS
ΔVCMTX(LF) Common mode voltage variations LF(1) Between 50 and 450MHz 25 mVRMS
tRHS
tFHS
20% to 80% Rise and Fall HS(1) HS bit rates ≤ 1 Gbps (UI ≥ 1 ns) 0.3 UI
HS bit rates > 1 Gbps (UI < 1 ns) 0.35 UI
Applicable for all HS bit rates. However, to avoid excessive radiation, bit rates ≤ 1 Gbps (UI ≥ 1 ns), should not use values below 150 ps 100 ps
SDDTX TX differential return loss(1) fLPMAX -18 dB
fH
fMAX -9 dB
LPTX DRIVER
tRLP Rise Time LP(1) (3) 15% to 85% rise time CSI0_D0±
CSI0_D1±
CSI0_D2±
CSI0_D3±
CSI1_D0±
CSI1_D1±
CSI1_D2±
CSI1_D3±
CSI0_CLK±
CSI1_CLK±
25 ns
tFLP Fall Time LP(1) (3) 15% to 85% fall time 25 ns
tREOT Rise Time Post-EoT(1) (3) 30%-85% rise time 35 ns
tLP-PULSE-TX Pulse width of the LP exclusive-OR clock(1) (3) First LP exclusive-OR clock pulse after Stop state or last pulse before Stop state 40 ns
All other pulses 20 ns
tLP-PER-TX Period of the LP exclusive-OR clock(1) 90 ns
DV/DtSR Slew rate(1) (3) Cload = 0pF 500 mV/ns
Cload = 5pF 300 mV/ns
Cload = 20pF 250 mV/ns
Cload = 70pF 150 mV/ns
Cload = 0 to 70pF (Falling Edge Only) 30 mV/ns
Cload = 0 to 70pF (Rising Edge Only) 30 mV/ns
Cload = 0 to 70pF (Rising Edge Only) 30 - 0.075*(VO,INST - 700) mV/ns
CLOAD Load capacitance(3) 0 70 pF
DATA-CLOCK TIMING SPECIFICATIONS (1) (Figure 10)
UIINST UI instantaneous fCLK = CSI-2 DDR Clock frequency CSI0_D0±
CSI0_D1±
CSI0_D2±
CSI0_D3±
CSI1_D0±
CSI1_D1±
CSI1_D2±
CSI1_D3±
CSI0_CLK±
CSI1_CLK±
1/(fCLK * 2) UI
ΔUI UI variation
PCLK = 25 - 96MHz
UI ≥ 1ns -10% 10% UI
UI < 1ns -5% 5% UI
tSKEW(TX) Data to Clock Skew (measured at transmitter)
Skew between clock and data from ideal center
Data rate ≤ 1 Gbps -0.15 0.15 UIINST
Data rate > 1 Gbps -0.2 0.2 UIINST
CSI-2 TIMING SPECIFICATIONS (1) (Figure 11, Figure 12)
tCLK-MISS Timeout for receiver to detect absence of Clock transitions and disable the Clock Lane HS-RX CSI0_D0±
CSI0_D1±
CSI0_D2±
CSI0_D3±
CSI1_D0±
CSI1_D1±
CSI1_D2±
CSI1_D3±
CSI0_CLK±
CSI1_CLK±
60 ns
tCLK-POST HS exit 60 + 52*UI ns
tCLK-PRE Time HS clock shall be driver prior to any associated Data Lane beginning the transition from LP to HS mode 8 UI
tCLK-PREPARE Clock Lane HS Entry 38 95 ns
tCLK-SETTLE Time interval during which the HS receiver shall ignore any Clock Lane HS transitions 95 300 ns
tCLK-TERM-EN Time-out at Clock Lane Display Module to enable HS Termination Time for Dn to reach VTERM-EN 38 ns
tCLK-TRAIL Time that the transmitter drives the HS-0 state after the last payload clock bit of a HS transmission burst 60 ns
tCLK-PREPARE + tCLK-ZERO TCLK-PREPARE + time that the transmitter drives the HS-0 state prior to starting the Clock 300 ns
tD-TERM-EN Time for the Data Lane receiver to enable the HS line termination Time for Dn to reach V-TERM-EN 35 + 4*UI ns
tEOT Transmitted time interval from the start of tHS-TRAIL to the start of the LP-11 state following a HS burst see(2) 105 + 12*UI ns
tHS-EXIT Time that the transmitter drives LP=11 following a HS burst 100 ns
tHS-PREPARE Data Lane HS Entry 40 + 4*UI 85 + 6*UI ns
tHS-PREPARE + tHS-ZERO tHS-PREPARE + time that the transmitter drives the HS-0 state prior to transmitting the Sync sequence 145 + 10*UI ns
tHS-SETTLE Time interval during which the HS receiver shall ignore any Data Lane HS transitions, starting from the beginning of tHS-SETTLE 85 + 6*UI 145 + 10*UI ns
tHS-SKIP Time interval during which the HS-RX should ignore any transitions on the Data Lane, following a HS burst. The end point of the interval is defined as the beginning of the LP-11 state following the HS burst. 40 55 + 4*UI ns
tHS-TRAIL Data Lane HS Exit 60 + 4*UI ns
tLPX Transmitted length of LP state 50 ns
tWAKEUP Recovery Time from Ultra Low Power State (ULPS) 1 ms
Specification is ensured by design and is not tested in production.
  1. 1280x720p60; PCLK = 74.25MHz; 4 MIPI lanes reg0x6c=0x02; reg0x6d=0x84
  2. 1280x720p60; PCLK = 74.25MHz; 2 MIPI lanes reg0x6c=0x02; reg0x6d=0x89
  3. 640x480p60; PCLK = 25MHz; 4 MIPI lanes reg0x6c=0x02; reg0x6d=0x82
  4. 640x480p60; PCLK = 25MHz; 2 MIPI lanes reg0x6c=0x02; reg0x6d=0x83
  5. Other video formats may require additional register configuration.
CLOAD includes the low-frequency equivalent transmission line capacitance. The capacitance of TX and RX are assumed to always be <10 pF. The distributed line capacitance can be up to 50 pF for a transmission line with 2ns delay.

Timing Diagrams and Test Circuits

DS90UH940-Q1 ECT_CHECKERBOARD_CSI.gif Figure 1. Checkerboard Data Pattern
DS90UH940-Q1 ECT_CMLOUT.gif Figure 2. CML Output Driver
DS90UH940-Q1 ECT_LVCMOS_TRANSITION.gif Figure 3. LVCMOS Transition Times
DS90UH940-Q1 ECT_PLL_LOCK.gif Figure 4. CML PLL Lock Time
DS90UH940-Q1 ECT_FPD_VTH_VTL.gif Figure 5. FPD-Link III Receiver DC VTH/VTL Definition
DS90UH940-Q1 ECT_I2S_SH.gif Figure 6. Output Data Valid (Setup and Hold) Times
DS90UH940-Q1 ECT_BIST_PASS.gif Figure 7. BIST PASS Waveform
DS90UH940-Q1 ECT_I2C_TIMING.gif Figure 8. Serial Control Bus Timing Diagram
DS90UH940-Q1 i2s_timing.gif Figure 9. I2S Timing
DS90UH940-Q1 HS_transmission.gif Figure 10. Clock and Data Timing in HS Transmission
DS90UH940-Q1 30188403.gif Figure 11. High Speed Data Transmission Burst
DS90UH940-Q1 30188404.gif Figure 12. Switching the Clock Lane between Clock Transmission and Low-Power Mode
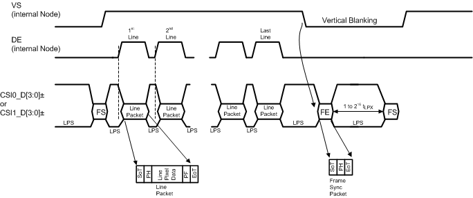
DS90UH940-Q1 packets.gif Figure 13. Long Line Packets and Short Frame Sync Packets
DS90UH940-Q1 csi.png Figure 14. 4 MIPI Data Lane Configuration
DS90UH940-Q1 csi_2lane.png Figure 15. 2 MIPI Data Lane Configuration

Power Sequence

DS90UH940-Q1 948_power_sequencing.gif Figure 16. Power Sequence

Table 1. Power-Up Sequencing Constraints

Symbol Description Test Conditions Min Typ Max Units
VDDIO VDDIO voltage range 3.0 3.6 V
1.71 1.89 V
VDD33 VDD33 voltage range 3.0 3.6 V
VDD12 VDD12 voltage range 1.14 1.26 V
VPDB_LOW PDB LOW threshold
Note: VPDB should not exceed limit for respective I/O voltage before 90% voltage of VDD12
VDDIO = 3.3V ± 10% 0.8 V
VDDIO = 1.8V ± 5% 0.35 * VDDIO
VPDB_HIGH PDB HIGH threshold VDDIO = 3.3V ± 10% 2.0 V
VDDIO = 1.8V ± 5% 0.65 * VDDIO
t0 VDD33 rise time These time constants are specified for rise time of power supply voltage ramp (10% - 90%) <1.5 ms
t3 VDDIO rise time These time constants are specified for rise time of power supply voltage ramp (10% - 90%) <1.5 ms
t4 VDD12 rise time These time constants are specified for rise time of power supply voltage ramp (10% - 90%) <1.5 ms
t1 VDDIO delay time VIL of rising edge (VDDIO ) to VIL of rising edge (VDD_N)
The power supplies may be ramped simultaneously. If sequenced, VDD33 should be first, either by itself or with VDDIO (1.8V or 3.3V) or VDD12, with the other rail(s) following in any order.
>0 ms
t2 VDD12 delay time
t5 Startup time The part is powered up after the startup time has elapsed from the moment PDB goes HIGH. Local I2C is available to read/write 948/940 registers after this time. <1 ms

Typical Characteristics

DS90UH940-Q1 CSI2_D0_EOT.gif Figure 17. CSI-2 D0± End of Transmission
DS90UH940-Q1 CSI2_D0_SOT.gif Figure 18. CSI-2 D0± Start of Transmission