ZHCSJR7 May   2019 DS90UB949A-Q1

PRODUCTION DATA.  

  1. 特性
  2. 应用
  3. 说明
    1.     Device Images
      1.      应用 图
  4. 修订历史记录
  5. Pin Configuration and Functions
    1.     Pin Functions
  6. Specifications
    1. 6.1  Absolute Maximum Ratings
    2. 6.2  ESD Ratings
    3. 6.3  Recommended Operating Conditions
    4. 6.4  Thermal Information
    5. 6.5  DC Electrical Characteristics
    6. 6.6  AC Electrical Characteristics
    7. 6.7  DC and AC Serial Control Bus Characteristics
    8. 6.8  Recommended Timing for the Serial Control Bus
    9. 6.9  Timing Diagrams
    10. 6.10 Typical Characteristics
  7. Detailed Description
    1. 7.1 Overview
    2. 7.2 Functional Block Diagram
    3. 7.3 Feature Description
      1. 7.3.1  High-Definition Multimedia Interface (HDMI)
        1. 7.3.1.1 HDMI Receive Controller
      2. 7.3.2  Transition Minimized Differential Signaling
      3. 7.3.3  Enhanced Display Data Channel
      4. 7.3.4  Extended Display Identification Data (EDID)
        1. 7.3.4.1 External Local EDID (EEPROM)
        2. 7.3.4.2 Internal EDID (SRAM)
        3. 7.3.4.3 External Remote EDID
        4. 7.3.4.4 Internal Pre-Programmed EDID
      5. 7.3.5  Consumer Electronics Control (CEC)
      6. 7.3.6  +5-V Power Signal
      7. 7.3.7  Hot Plug Detect (HPD)
      8. 7.3.8  High-Speed Forward Channel Data Transfer
      9. 7.3.9  Back Channel Data Transfer
      10. 7.3.10 FPD-Link III Port Register Access
      11. 7.3.11 Power Down (PDB)
      12. 7.3.12 Serial Link Fault Detect
      13. 7.3.13 Interrupt Pin (INTB)
      14. 7.3.14 Remote Interrupt Pin (REM_INTB)
      15. 7.3.15 General-Purpose I/O
        1. 7.3.15.1 GPIO[3:0] and D_GPIO[3:0] Configuration
        2. 7.3.15.2 Back Channel Configuration
        3. 7.3.15.3 GPIO_REG[8:5] Configuration
      16. 7.3.16 SPI Communication
        1. 7.3.16.1 SPI Mode Configuration
        2. 7.3.16.2 Forward-Channel SPI Operation
        3. 7.3.16.3 Reverse Channel SPI Operation
      17. 7.3.17 Backward Compatibility
      18. 7.3.18 Audio Modes
        1. 7.3.18.1 HDMI Audio
        2. 7.3.18.2 DVI I2S Audio Interface
          1. 7.3.18.2.1 I2S Transport Modes
          2. 7.3.18.2.2 I2S Repeater
        3. 7.3.18.3 AUX Audio Channel
        4. 7.3.18.4 TDM Audio Interface
      19. 7.3.19 Built-In Self Test (BIST)
        1. 7.3.19.1 BIST Configuration and Status
        2. 7.3.19.2 Forward-Channel and Back-Channel Error Checking
      20. 7.3.20 Internal Pattern Generation
        1. 7.3.20.1 Pattern Options
        2. 7.3.20.2 Color Modes
        3. 7.3.20.3 Video Timing Modes
        4. 7.3.20.4 External Timing
        5. 7.3.20.5 Pattern Inversion
        6. 7.3.20.6 Auto Scrolling
        7. 7.3.20.7 Additional Features
      21. 7.3.21 Spread-Spectrum Clock Tolerance
    4. 7.4 Device Functional Modes
      1. 7.4.1 Mode Select Configuration Settings (MODE_SEL[1:0])
      2. 7.4.2 FPD-Link III Modes of Operation
        1. 7.4.2.1 Single-Link Operation
        2. 7.4.2.2 Dual-Link Operation
        3. 7.4.2.3 Replicate Mode
        4. 7.4.2.4 Auto-Detection of FPD-Link III Modes
        5. 7.4.2.5 Frequency Detection Circuit May Reset the FPD-Link III PLL During a Temperature Ramp
    5. 7.5 Programming
      1. 7.5.1 Serial Control Bus
      2. 7.5.2 Multi-Master Arbitration Support
      3. 7.5.3 I2C Restrictions on Multi-Master Operation
      4. 7.5.4 Multi-Master Access to Device Registers for Newer FPD-Link III Devices
      5. 7.5.5 Multi-Master Access to Device Registers for Older FPD-Link III Devices
      6. 7.5.6 Restrictions on Control Channel Direction for Multi-Master Operation
      7. 7.5.7 Prevention of I2C Faults During Abrupt System Faults
    6. 7.6 Register Maps
  8. Application and Implementation
    1. 8.1 Applications Information
    2. 8.2 Typical Applications
      1. 8.2.1 Design Requirements
      2. 8.2.2 Detailed Design Procedure
        1. 8.2.2.1 High-Speed Interconnect Guidelines
      3. 8.2.3 Application Curves
  9. Power Supply Recommendations
    1. 9.1 Power-Up Requirements and PDB Pin
  10. 10Layout
    1. 10.1 Layout Guidelines
    2. 10.2 Layout Example
  11. 11器件和文档支持
    1. 11.1 文档支持
      1. 11.1.1 相关文档
    2. 11.2 接收文档更新通知
    3. 11.3 社区资源
    4. 11.4 商标
    5. 11.5 静电放电警告
    6. 11.6 Glossary
  12. 12机械、封装和可订购信息

封装选项

机械数据 (封装 | 引脚)
散热焊盘机械数据 (封装 | 引脚)
订购信息

Typical Applications

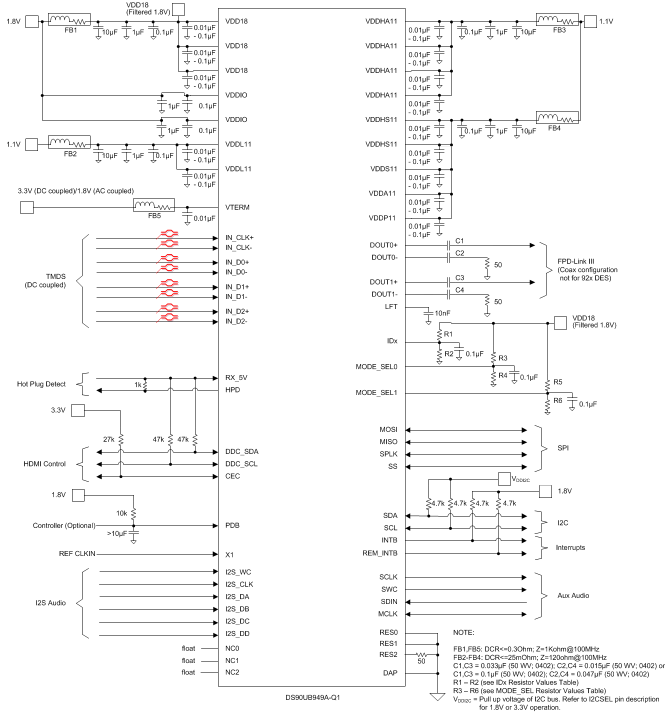
Bypass capacitors should be placed near the power supply pins. A capacitor and resistor are placed on the PDB pin to delay the enabling of the device until the power is stable. See and typical STP and coax connection diagrams.

DS90UB949A-Q1 UB949A_STP_TYP_CON_FINAL.gifFigure 25. Typical Application Connection -- STP
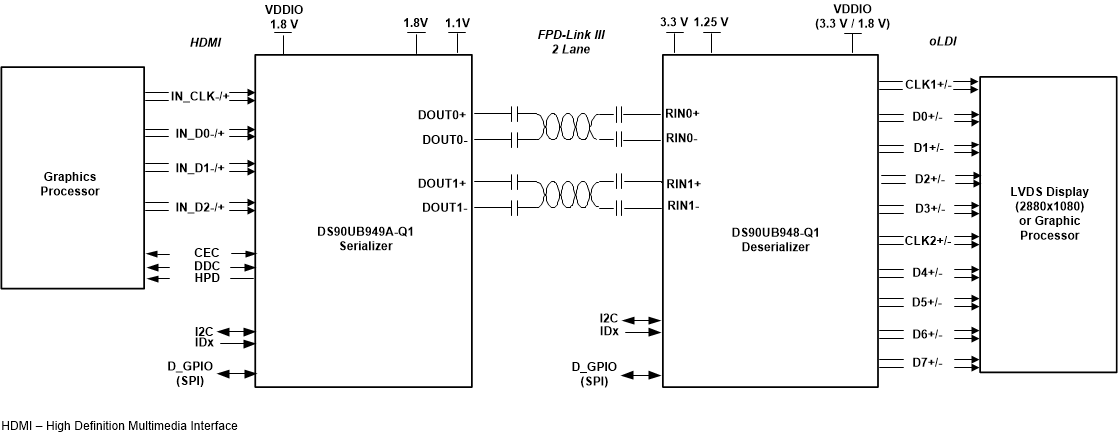
DS90UB949A-Q1 UB949A_Coax_TYP_CON_FINAL.gifFigure 26. Typical Application Connection -- Coax
DS90UB949A-Q1 UB949A_Typ_Apps.gifFigure 27. Typical System Diagram