ZHCSJH7 March   2019 DS90UB940N-Q1

PRODUCTION DATA.  

  1. 特性
  2. 应用
  3. 说明
    1.     Device Images
      1.      典型应用
  4. 修订历史记录
  5. Pin Configuration and Functions
    1.     Pin Functions
  6. Specifications
    1. 6.1  Absolute Maximum Ratings
    2. 6.2  ESD Ratings
    3. 6.3  Recommended Operating Conditions
    4. 6.4  Thermal Information
    5. 6.5  DC Electrical Characteristics
    6. 6.6  AC Electrical Characteristics
    7. 6.7  Timing Requirements for the Serial ControlBus
    8. 6.8  Switching Characteristics
    9. 6.9  Timing Diagrams and Test Circuits
    10. 6.10 Typical Characteristics
  7. Detailed Description
    1. 7.1 Overview
    2. 7.2 Functional Block Diagram
    3. 7.3 Feature Description
      1. 7.3.1  High-Speed Forward Channel Data Transfer
      2. 7.3.2  Low-Speed Back Channel Data Transfer
      3. 7.3.3  FPD-Link III Port Register Access
      4. 7.3.4  Clock and Output Status
      5. 7.3.5  LVCMOS VDDIO Option
      6. 7.3.6  Power Down (PDB)
      7. 7.3.7  Interrupt Pin — Functional Description and Usage (INTB_IN)
      8. 7.3.8  General-Purpose I/O (GPIO)
        1. 7.3.8.1 GPIOx and D_GPIOx Pin Configuration
        2. 7.3.8.2 Back Channel Configuration
        3. 7.3.8.3 GPIO_REG[8:5] Configuration
      9. 7.3.9  SPI Communication
        1. 7.3.9.1 SPI Mode Configuration
        2. 7.3.9.2 Forward Channel SPI Operation
        3. 7.3.9.3 Reverse Channel SPI Operation
      10. 7.3.10 Backward Compatibility
      11. 7.3.11 Adaptive Equalizer
        1. 7.3.11.1 Transmission Distance
        2. 7.3.11.2 Adaptive Equalizer Algorithm
        3. 7.3.11.3 AEQ Settings
          1. 7.3.11.3.1 AEQ Start-Up and Initialization
          2. 7.3.11.3.2 AEQ Range
          3. 7.3.11.3.3 AEQ Timing
      12. 7.3.12 I2S Audio Interface
        1. 7.3.12.1 I2S Transport Modes
        2. 7.3.12.2 I2S Jitter Cleaning
        3. 7.3.12.3 MCLK
      13. 7.3.13 Built-In Self Test (BIST)
        1. 7.3.13.1 BIST Configuration and Status
          1. 7.3.13.1.1 Sample BIST Sequence
        2. 7.3.13.2 Forward Channel and Back Channel Error Checking
      14. 7.3.14 Internal Pattern Generation
    4. 7.4 Device Functional Modes
      1. 7.4.1 Configuration Select
        1. 7.4.1.1 1-Lane FPD-Link III Input, 4 MIPI® Lanes Output
        2. 7.4.1.2 1-Lane FPD-Link III Input, 2 MIPI® Lanes Output
        3. 7.4.1.3 2-Lane FPD-Link III Input, 4 MIPI® Lanes Output
        4. 7.4.1.4 2-Lane FPD-Link III Input, 2 MIPI® Lanes Output
        5. 7.4.1.5 1- or 2-Lane FPD-Link III Input, 2 or 4 MIPI® Lanes Output in Replicate
      2. 7.4.2 MODE_SEL[1:0]
      3. 7.4.3 CSI-2 Interface
      4. 7.4.4 Input Display Timing
      5. 7.4.5 MIPI® CSI-2 Output Data Formats
      6. 7.4.6 Non-Continuous / Continuous Clock
      7. 7.4.7 Ultra-Low-Power State (ULPS)
      8. 7.4.8 CSI-2 Data Identifier
    5. 7.5 Programming
      1. 7.5.1 Serial Control Bus
      2. 7.5.2 Multi-Master Arbitration Support
      3. 7.5.3 I2C Restrictions on Multi-Master Operation
      4. 7.5.4 Multi-Master Access to Device Registers for Newer FPD-Link III Devices
      5. 7.5.5 Multi-Master Access to Device Registers for Older FPD-Link III Devices
      6. 7.5.6 Restrictions on Control Channel Direction for Multi-Master Operation
    6. 7.6 Register Maps
      1. 7.6.1 DS90UB940N-Q1 Registers
        1. 7.6.1.1  I2C_Device_ID Register (Address = 0h) [reset = Strap]
          1. Table 12. I2C_Device_ID Register Field Descriptions
        2. 7.6.1.2  Reset Register (Address = 1h) [reset = 4h]
          1. Table 13. Reset Register Field Descriptions
        3. 7.6.1.3  General_Configuration_0 Register (Address = 2h) [reset = 80h]
          1. Table 14. General_Configuration_0 Register Field Descriptions
        4. 7.6.1.4  General_Configuration_1 Register (Address = 3h) [reset = F0h]
          1. Table 15. General_Configuration_1 Register Field Descriptions
        5. 7.6.1.5  BCC_Watchdog_Control Register (Address = 4h) [reset = FEh]
          1. Table 16. BCC_Watchdog_Control Register Field Descriptions
        6. 7.6.1.6  I2C_Control_1 Register (Address = 5h) [reset = 1Eh]
          1. Table 17. I2C_Control_1 Register Field Descriptions
        7. 7.6.1.7  I2C_Control_2 Register (Address = 6h) [reset = 0h]
          1. Table 18. I2C_Control_2 Register Field Descriptions
        8. 7.6.1.8  REMOTE_ID Register (Address = 7h) [reset = 0h]
          1. Table 19. REMOTE_ID Register Field Descriptions
        9. 7.6.1.9  SlaveID_0 Register (Address = 8h) [reset = 0h]
          1. Table 20. SlaveID_0 Register Field Descriptions
        10. 7.6.1.10 SlaveID_1 Register (Address = 9h) [reset = 0h]
          1. Table 21. SlaveID_1 Register Field Descriptions
        11. 7.6.1.11 SlaveID_2 Register (Address = Ah) [reset = 0h]
          1. Table 22. SlaveID_2 Register Field Descriptions
        12. 7.6.1.12 SlaveID_3 Register (Address = Bh) [reset = 0h]
          1. Table 23. SlaveID_3 Register Field Descriptions
        13. 7.6.1.13 SlaveID_4 Register (Address = Ch) [reset = 0h]
          1. Table 24. SlaveID_4 Register Field Descriptions
        14. 7.6.1.14 SlaveID_5 Register (Address = Dh) [reset = 0h]
          1. Table 25. SlaveID_5 Register Field Descriptions
        15. 7.6.1.15 SlaveID_6 Register (Address = Eh) [reset = 0h]
          1. Table 26. SlaveID_6 Register Field Descriptions
        16. 7.6.1.16 SlaveID_7 Register (Address = Fh) [reset = 0h]
          1. Table 27. SlaveID_7 Register Field Descriptions
        17. 7.6.1.17 SlaveAlias_0 Register (Address = 10h) [reset = 0h]
          1. Table 28. SlaveAlias_0 Register Field Descriptions
        18. 7.6.1.18 SlaveAlias_1 Register (Address = 11h) [reset = 0h]
          1. Table 29. SlaveAlias_1 Register Field Descriptions
        19. 7.6.1.19 SlaveAlias_2 Register (Address = 12h) [reset = 0h]
          1. Table 30. SlaveAlias_2 Register Field Descriptions
        20. 7.6.1.20 SlaveAlias_3 Register (Address = 13h) [reset = 0h]
          1. Table 31. SlaveAlias_3 Register Field Descriptions
        21. 7.6.1.21 SlaveAlias_4 Register (Address = 14h) [reset = 0h]
          1. Table 32. SlaveAlias_4 Register Field Descriptions
        22. 7.6.1.22 SlaveAlias_5 Register (Address = 15h) [reset = 0h]
          1. Table 33. SlaveAlias_5 Register Field Descriptions
        23. 7.6.1.23 SlaveAlias_6 Register (Address = 16h) [reset = 0h]
          1. Table 34. SlaveAlias_6 Register Field Descriptions
        24. 7.6.1.24 SlaveAlias_7 Register (Address = 17h) [reset = 0h]
          1. Table 35. SlaveAlias_7 Register Field Descriptions
        25. 7.6.1.25 MAILBOX_18 Register (Address = 18h) [reset = 0h]
          1. Table 36. MAILBOX_18 Register Field Descriptions
        26. 7.6.1.26 MAILBOX_19 Register (Address = 19h) [reset = 1h]
          1. Table 37. MAILBOX_19 Register Field Descriptions
        27. 7.6.1.27 GPIO_9_Global_GPIO_Config Register (Address = 1Ah) [reset = 0h]
          1. Table 38. GPIO_9_Global_GPIO_Config Register Field Descriptions
        28. 7.6.1.28 Frequency_Counter Register (Address = 1Bh) [reset = 0h]
          1. Table 39. Frequency_Counter Register Field Descriptions
        29. 7.6.1.29 General_Status Register (Address = 1Ch) [reset = 0h]
          1. Table 40. General_Status Register Field Descriptions
        30. 7.6.1.30 GPIO0_Config Register (Address = 1Dh) [reset = 0h]
          1. Table 41. GPIO0_Config Register Field Descriptions
        31. 7.6.1.31 GPIO1_2_Config Register (Address = 1Eh) [reset = 0h]
          1. Table 42. GPIO1_2_Config Register Field Descriptions
        32. 7.6.1.32 GPIO_3_Config Register (Address = 1Fh) [reset = 0h]
          1. Table 43. GPIO_3_Config Register Field Descriptions
        33. 7.6.1.33 GPIO_5_6_Config Register (Address = 20h) [reset = 0h]
          1. Table 44. GPIO_5_6_Config Register Field Descriptions
        34. 7.6.1.34 GPIO_7_8_Config Register (Address = 21h) [reset = 0h]
          1. Table 45. GPIO_7_8_Config Register Field Descriptions
        35. 7.6.1.35 Datapath_Control Register (Address = 22h) [reset = 0h]
          1. Table 46. Datapath_Control Register Field Descriptions
        36. 7.6.1.36 RX_Mode_Status Register (Address = 23h) [reset = Strap]
          1. Table 47. RX_Mode_Status Register Field Descriptions
        37. 7.6.1.37 BIST_Control Register (Address = 24h) [reset = 8h]
          1. Table 48. BIST_Control Register Field Descriptions
        38. 7.6.1.38 BIST_ERROR_COUNT Register (Address = 25h) [reset = 0h]
          1. Table 49. BIST_ERROR_COUNT Register Field Descriptions
        39. 7.6.1.39 SCL_High_Time Register (Address = 26h) [reset = 83h]
          1. Table 50. SCL_High_Time Register Field Descriptions
        40. 7.6.1.40 SCL_Low_Time Register (Address = 27h) [reset = 84h]
          1. Table 51. SCL_Low_Time Register Field Descriptions
        41. 7.6.1.41 Datapath_Control_2 Register (Address = 28h) [reset = Loaded from SER]
          1. Table 52. Datapath_Control_2 Register Field Descriptions
        42. 7.6.1.42 I2S_Control Register (Address = 2Bh) [reset = 0h]
          1. Table 53. I2S_Control Register Field Descriptions
        43. 7.6.1.43 PCLK_Test_Mode Register (Address = 2Eh) [reset = 0h]
          1. Table 54. PCLK_Test_Mode Register Field Descriptions
        44. 7.6.1.44 DUAL_RX_CTL Register (Address = 34h) [reset = 1h]
          1. Table 55. DUAL_RX_CTL Register Field Descriptions
        45. 7.6.1.45 AEQ_CTL1 Register (Address = 35h) [reset = 0h]
          1. Table 56. AEQ_CTL1 Register Field Descriptions
        46. 7.6.1.46 MODE_SEL Register (Address = 37h) [reset = 0h]
          1. Table 57. MODE_SEL Register Field Descriptions
        47. 7.6.1.47 I2S_DIVSEL Register (Address = 3Ah) [reset = 0h]
          1. Table 58. I2S_DIVSEL Register Field Descriptions
        48. 7.6.1.48 Adaptive_EQ_Status Register (Address = 3Bh) [reset = 0h]
          1. Table 59. Adaptive_EQ_Status Register Field Descriptions
        49. 7.6.1.49 LINK_ERROR_COUNT Register (Address = 41h) [reset = 3h]
          1. Table 60. LINK_ERROR_COUNT Register Field Descriptions
        50. 7.6.1.50 HSCC_CONTROL Register (Address = 43h) [reset = 0h]
          1. Table 61. HSCC_CONTROL Register Field Descriptions
        51. 7.6.1.51 ADAPTIVE_EQ_BYPASS Register (Address = 44h) [reset = 60h]
          1. Table 62. ADAPTIVE_EQ_BYPASS Register Field Descriptions
        52. 7.6.1.52 ADAPTIVE_EQ_MIN_MAX Register (Address = 45h) [reset = 88h]
          1. Table 63. ADAPTIVE_EQ_MIN_MAX Register Field Descriptions
        53. 7.6.1.53 CML_OUTPUT_CTL1 Register (Address = 52h) [reset = 0h]
          1. Table 64. CML_OUTPUT_CTL1 Register Field Descriptions
        54. 7.6.1.54 CML_OUTPUT_ENABLE Register (Address = 56h) [reset = 0h]
          1. Table 65. CML_OUTPUT_ENABLE Register Field Descriptions
        55. 7.6.1.55 CML_OUTPUT_CTL2 Register (Address = 57h) [reset = 0h]
          1. Table 66. CML_OUTPUT_CTL2 Field Descriptions
        56. 7.6.1.56 CML_OUTPUT_CTL3 Register (Address = 63h) [reset = 0h]
          1. Table 67. CML_OUTPUT_CTL3 Field Descriptions
        57. 7.6.1.57 PGCTL Register (Address = 64h) [reset = 10h]
          1. Table 68. PGCTL Register Field Descriptions
        58. 7.6.1.58 PGCFG Register (Address = 65h) [reset = 0h]
          1. Table 69. PGCFG Register Field Descriptions
        59. 7.6.1.59 PGIA Register (Address = 66h) [reset = 0h]
          1. Table 70. PGIA Register Field Descriptions
        60. 7.6.1.60 PGID Register (Address = 67h) [reset = 0h]
          1. Table 71. PGID Register Field Descriptions
        61. 7.6.1.61 PGDBG Register (Address = 68h) [reset = 0h]
          1. Table 72. PGDBG Register Field Descriptions
        62. 7.6.1.62 PGTSTDAT Register (Address = 69h) [reset = 0h]
          1. Table 73. PGTSTDAT Register Field Descriptions
        63. 7.6.1.63 CSICFG0 Register (Address = 6Ah) [reset = 0h]
          1. Table 74. CSICFG0 Register Field Descriptions
        64. 7.6.1.64 CSICFG1 Register (Address = 6Bh) [reset = 0h]
          1. Table 75. CSICFG1 Register Field Descriptions
        65. 7.6.1.65 CSIIA Register (Address = 6Ch) [reset = 0h]
          1. Table 76. CSIIA Register Field Descriptions
        66. 7.6.1.66 CSIID Register (Address = 6Dh) [reset = 0h]
          1. Table 77. CSIID Register Field Descriptions
        67. 7.6.1.67 GPIO_Pin_Status_1 Register (Address = 6Eh) [reset = 0h]
          1. Table 78. GPIO_Pin_Status_1 Register Field Descriptions
        68. 7.6.1.68 GPIO_Pin_Status_2 Register (Address = 6Fh) [reset = 0h]
          1. Table 79. GPIO_Pin_Status_2 Register Field Descriptions
        69. 7.6.1.69 ID0 Register (Address = F0h) [reset = 5Fh]
          1. Table 80. ID0 Register Field Descriptions
        70. 7.6.1.70 ID1 Register (Address = F1h) [reset = 55h]
          1. Table 81. ID1 Register Field Descriptions
        71. 7.6.1.71 ID2 Register (Address = F2h) [reset = 48h]
          1. Table 82. ID2 Register Field Descriptions
        72. 7.6.1.72 ID3 Register (Address = F3h) [reset = 39h]
          1. Table 83. ID3 Register Field Descriptions
        73. 7.6.1.73 ID4 Register (Address = F4h) [reset = 34h]
          1. Table 84. ID4 Register Field Descriptions
        74. 7.6.1.74 ID5 Register (Address = F5h) [reset = 30h]
          1. Table 85. ID5 Register Field Descriptions
      2. 7.6.2 CSI-2 Indirect Registers
        1. 7.6.2.1  CSI_TCK_PREP Register (Address = 0h) [reset = 0h]
          1. Table 87. CSI_TCK_PREP Register Field Descriptions
        2. 7.6.2.2  CSI_TCK_ZERO Register (Address = 1h) [reset = 0h]
          1. Table 88. CSI_TCK_ZERO Register Field Descriptions
        3. 7.6.2.3  CSI_TCK_TRAIL Register (Address = 2h) [reset = 0h]
          1. Table 89. CSI_TCK_TRAIL Register Field Descriptions
        4. 7.6.2.4  CSI_TCK_POST Register (Address = 3h) [reset = 0h]
          1. Table 90. CSI_TCK_POST Register Field Descriptions
        5. 7.6.2.5  CSI_THS_PREP Register (Address = 4h) [reset = 0h]
          1. Table 91. CSI_THS_PREP Register Field Descriptions
        6. 7.6.2.6  CSI_THS_ZERO Register (Address = 5h) [reset = 0h]
          1. Table 92. CSI_THS_ZERO Register Field Descriptions
        7. 7.6.2.7  CSI_THS_TRAIL Register (Address = 6h) [reset = 0h]
          1. Table 93. CSI_THS_TRAIL Register Field Descriptions
        8. 7.6.2.8  CSI_THS_EXIT Register (Address = 7h) [reset = 0h]
          1. Table 94. CSI_THS_EXIT Register Field Descriptions
        9. 7.6.2.9  CSI_TLPX Register (Address = 8h) [reset = 0h]
          1. Table 95. CSI_TLPX Register Field Descriptions
        10. 7.6.2.10 RAW_ALIGN Register (Address = 9h) [reset = 0h]
          1. Table 96. RAW_ALIGN Register Field Descriptions
        11. 7.6.2.11 CSI_EN_PORT0 Register (Address = 13h) [reset = 3Fh]
          1. Table 97. CSI_EN_PORT0 Register Field Descriptions
        12. 7.6.2.12 CSI_EN_PORT1 Register (Address = 14h) [reset = 0h]
          1. Table 98. CSI_EN_PORT1 Register Field Descriptions
        13. 7.6.2.13 CSIPASS Register (Address = 16h) [reset = 2h]
          1. Table 99. CSIPASS Register Field Descriptions
        14. 7.6.2.14 CSI_VC_ID Register (Address = 2Eh) [reset = 0h]
          1. Table 100. CSI_VC_ID Register Field Descriptions
  8. Application and Implementation
    1. 8.1 Application Information
    2. 8.2 Typical Applications
      1. 8.2.1 Design Requirements
      2. 8.2.2 Detailed Design Procedure
        1. 8.2.2.1 FPD-Link III Interconnect Guidelines
      3. 8.2.3 Application Curves
  9. Power Supply Recommendations
    1. 9.1 Power-Up Requirements and PDB Pin
    2. 9.2 Power Sequence
  10. 10Layout
    1. 10.1 Layout Guidelines
    2. 10.2 Ground
    3. 10.3 Routing FPD-Link III Signal Traces
    4. 10.4 CSI-2 Guidelines
    5. 10.5 Layout Example
  11. 11器件和文档支持
    1. 11.1 文档支持
      1. 11.1.1 相关文档
    2. 11.2 接收文档更新通知
    3. 11.3 社区资源
    4. 11.4 商标
    5. 11.5 静电放电警告
    6. 11.6 术语表
  12. 12机械、封装和可订购信息

封装选项

机械数据 (封装 | 引脚)
散热焊盘机械数据 (封装 | 引脚)
订购信息

Timing Diagrams and Test Circuits

DS90UB940N-Q1 ECT_CHECKERBOARD_CSI.gifFigure 1. Checkerboard Data Pattern
DS90UB940N-Q1 ECT_CMLOUT.gifFigure 2. CML Output Driver
DS90UB940N-Q1 ECT_LVCMOS_TRANSITION.gifFigure 3. LVCMOS Transition Times
DS90UB940N-Q1 ECT_PLL_LOCK.gifFigure 4. PLL Lock Time
DS90UB940N-Q1 ECT_FPD_VTH_VTL.gifFigure 5. FPD-Link III Receiver DC VTH/VTL Definition
DS90UB940N-Q1 ECT_I2S_SH.gifFigure 6. Output Data Valid (Setup and Hold) Times
DS90UB940N-Q1 ECT_BIST_PASS.gifFigure 7. BIST PASS Waveform
DS90UB940N-Q1 ECT_I2C_TIMING.gifFigure 8. Serial Control Bus Timing Diagram
DS90UB940N-Q1 i2s_timing.gifFigure 9. I2S Timing
DS90UB940N-Q1 HS_transmission.gifFigure 10. Clock and Data Timing in HS Transmission
DS90UB940N-Q1 30188403.gifFigure 11. High-Speed Data Transmission Burst
DS90UB940N-Q1 30188404.gifFigure 12. Switching the Clock Lane Between Clock Transmission and Low-Power Mode
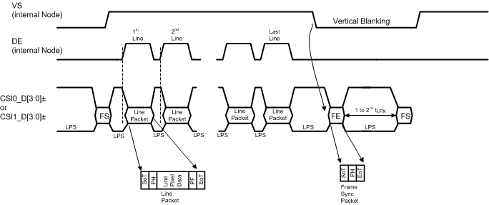
DS90UB940N-Q1 packets.gifFigure 13. Long Line Packets and Short Frame Sync Packets
DS90UB940N-Q1 csi.pngFigure 14. 4 MIPI® Data Lane Configuration
DS90UB940N-Q1 csi_2lane.pngFigure 15. 2 MIPI® Data Lane Configuration