ZHCSMH6 February   2021 DS160PR421

PRODUCTION DATA  

  1. 特性
  2. 应用
  3. 说明
  4. Revision History
  5. Pin Configuration and Functions
  6. Specifications
    1. 6.1 Absolute Maximum Ratings
    2. 6.2 ESD Ratings
    3. 6.3 Recommended Operating Conditions
    4. 6.4 Thermal Information
    5. 6.5 DC Electrical Characteristics
    6. 6.6 High Speed Electrical Characteristics
    7. 6.7 SMBUS/I2C Timing Charateristics
    8. 6.8 Typical Characteristics
  7. Detailed Description
    1. 7.1 Overview
    2. 7.2 Functional Block Diagram
    3. 7.3 Feature Description
      1. 7.3.1 Linear Equalization
      2. 7.3.2 Flat Gain
      3. 7.3.3 Receiver Detect State Machine
    4. 7.4 Device Functional Modes
      1. 7.4.1 Active PCIe Mode
      2. 7.4.2 Active Buffer Mode
      3. 7.4.3 Standby Mode
    5. 7.5 Programming
      1. 7.5.1 Control and Configuration Interface
        1. 7.5.1.1 Pin Mode
          1. 7.5.1.1.1 Four-Level Control Inputs
        2. 7.5.1.2 SMBUS/I2C Register Control Interface
  8. Application and Implementation
    1. 8.1 Application Information
    2. 8.2 Typical Applications
      1. 8.2.1 PCIe x8 Lane Switching
        1. 8.2.1.1 Design Requirements
        2. 8.2.1.2 Detailed Design Procedure
        3. 8.2.1.3 Pin-to-pin Passive versus Redriver Option
        4. 8.2.1.4 Application Curves
      2. 8.2.2 DisplayPort Application
  9. Power Supply Recommendations
  10. 10Layout
    1. 10.1 Layout Guidelines
  11. 11Layout Example
  12. 12Device and Documentation Support
    1. 12.1 接收文档更新通知
    2. 12.2 支持资源
    3. 12.3 Trademarks
    4. 12.4 静电放电警告
    5. 12.5 术语表
  13. 13Mechanical, Packaging, and Orderable Information

封装选项

机械数据 (封装 | 引脚)
散热焊盘机械数据 (封装 | 引脚)
订购信息

Typical Characteristics

GUID-20201018-CA0I-6RLD-XXLK-LSVN3DKRX39Q-low.gif Figure 6-1 Typical EQ Boost vs Frequency
GUID-20201018-CA0I-JNDX-D1KX-KHKXZSB9XFCN-low.gif Figure 6-2 Typical EQ Boost over Voltage and Temperature with EQ=15
GUID-20201018-CA0I-MVLR-PZ4R-VQXSMDTPCCS1-low.gif Figure 6-3 Typical RX Differential Return Loss
GUID-20201018-CA0I-CQ1N-2PHV-1C5THFLZPTN8-low.gif Figure 6-4 Typical TX Differential Return Loss
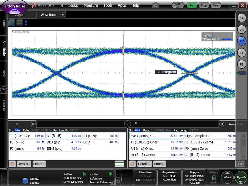
GUID-20201111-CA0I-KRKT-D4NJ-QMJJNM6TFP1L-low.gif GUID-20201111-CA0I-BCW5-ZPVT-MCP8CDTWKLSV-low.gif Figure 6-5 Typical Jitter Characteristics - Top: 16Gbps PRBS15 Input to the Device, Bottom: Output of the Device.