ZHCSEN5C October   2012  – December 2015 DS125MB203

PRODUCTION DATA.  

  1. 特性
  2. 应用
  3. 说明
  4. 修订历史记录
  5. 说明 (续)
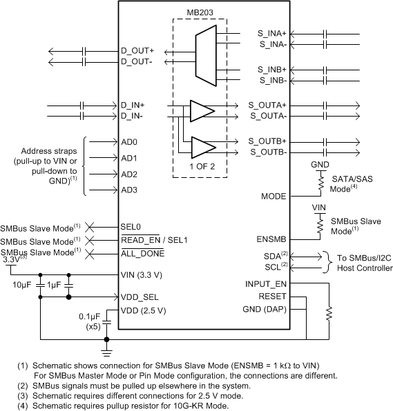
  6. Pin Configuration and Functions
  7. Specifications
    1. 7.1 Absolute Maximum Ratings
    2. 7.2 ESD Ratings
    3. 7.3 Recommended Operating Conditions
    4. 7.4 Thermal Information
    5. 7.5 Electrical Characteristics
    6. 7.6 Electrical Characteristics - Serial Management Bus Interface
    7. 7.7 Timing Requirements - Serial Bus Interface
    8. 7.8 Typical Characteristics
  8. Detailed Description
    1. 8.1 Overview
    2. 8.2 Functional Block Diagram
    3. 8.3 Feature Description
      1. 8.3.1 4-Level Input Configuration Guidelines
    4. 8.4 Device Functional Modes
      1. 8.4.1 Pin Control Mode
      2. 8.4.2 SMBUS Mode
    5. 8.5 Programming
      1. 8.5.1 SMBUS Master Mode
    6. 8.6 Register Maps
      1. 8.6.1 System Management Bus (SMBus) and Configuration Registers
        1. 8.6.1.1 Transfer Of Data Through the SMBus
        2. 8.6.1.2 SMBus Transactions
        3. 8.6.1.3 Writing a Register
        4. 8.6.1.4 Reading a Register
  9. Application and Implementation
    1. 9.1 Application Information
      1. 9.1.1 General Recommendations
    2. 9.2 Typical Application
      1. 9.2.1 Design Requirements
      2. 9.2.2 Detailed Design Procedure
      3. 9.2.3 Application Curves
  10. 10Power Supply Recommendations
    1. 10.1 Power Supply Bypassing
  11. 11Layout
    1. 11.1 Layout Guidelines
    2. 11.2 Layout Example
  12. 12器件和文档支持
    1. 12.1 文档支持
      1. 12.1.1 相关文档 
    2. 12.2 社区资源
    3. 12.3 商标
    4. 12.4 静电放电警告
    5. 12.5 Glossary
  13. 13机械、封装和可订购信息

封装选项

机械数据 (封装 | 引脚)
散热焊盘机械数据 (封装 | 引脚)
订购信息

1 特性

  • 12.5Gbps 双通道 2:1 复用器,1:2 开关或扇出
  • 低至 390mW 的总功耗(典型值)
  • 高级信号调节 功能:
    • 频率为 6.25GHz 时,最高可支持 30dB 的接收均衡功能
    • 发送去加重功能高达 –12dB
    • 发送输出电压控制:600mV 至 1300mV
  • 可通过引脚选择、电可擦可编程只读存储器 (EEPROM) 或 SMBus 接口进行编程
  • 2.5V 或 3.3V 可选电源电压
  • 运行温度范围:–40°C 至 +85°C

2 应用

  • 10GE,10G-KR
  • PCIe 1 代/2 代/3 代
  • SAS2/SATA3(最高可达 6Gbps)
  • XAUI,RXAUI

简化功能框图

DS125MB203 MB203_simplified_schematic.gif

3 说明

DS125MB203 器件是一款具有信号调节功能的双端口 2:1 复用器和 1:2 开关或扇出缓冲器,适用于数据传输速率最高可达 12.5Gbps 的 10GE、10G-KR (802.3ap)、光纤通道、PCIe、无线带宽、SATA3/SAS2 和 其他高速总线 应用。接收器的连续时间线性均衡器 (CTLE) 可提供必要的升压性能,从而在 12.5Gbps 的速率下对长达 30 英寸的 FR-4 或 8M 电缆 (AWG-24) 进行补偿。该片上特性免除了对外部信号调节器的需求。发送器 具有 可编程幅值电压等级,可在 600 mVp-p 至 1300 mVp-p 范围内进行选择,同时实现高达 12dB 的去加重。

DS125MB203 可配置为支持 PCIe、SAS/SATA、10G-KR 或其他信号传输协议。在 10G-KR 和 PCIe 3 代模式下运行时,DS125MB203 以透明方式允许主机控制器和端点优化完整链路并协商发送均衡器系数。这种链路协商协议的无缝管理可确保系统级互操作性并最大限度地降低延迟。

器件信息(1)

器件型号 封装 封装尺寸(标称值)
DS125MB203 WQFN (54) 10.00mm x 5.50mm
  1. 要了解所有可用封装,请见数据表末尾的可订购产品附录。

典型应用

DS125MB203 MBapplication.gif