SNLS348E October 2011 – January 2015 DS100BR210
PRODUCTION DATA.
| MIN | MAX | UNIT | ||
|---|---|---|---|---|
| Supply Voltage (VDD) | -0.5 | 2.75 | V | |
| Supply Voltage (VIN) | -0.5 | 4.0 | V | |
| LVCMOS Input/Output Voltage | -0.5 | 4.0 | V | |
| CML Input Voltage | -0.5 | (VDD+0.5) | V | |
| CML Input Current | -30 | 30 | mA | |
| Junction Temperature | 125 | °C | ||
| Storage Temperature Range Tstg | -40 | 125 | °C | |
| VALUE | UNIT | |||
|---|---|---|---|---|
| V(ESD) | Electrostatic discharge | Human-body model (HBM), per ANSI/ESDA/JEDEC JS-001(1) | ±5000 | V |
| Charged-device model (CDM), per JEDEC specification JESD22-C101(2) | ±1250 | |||
| MIN | NOM | MAX | UNIT | |
|---|---|---|---|---|
| Supply Voltage (2.5 V mode) | 2.375 | 2.5 | 2.625 | V |
| Supply Voltage (3.3 V mode) | 3.0 | 3.3 | 3.6 | V |
| Ambient Temperature | -40 | 25 | +85 | °C |
| SMBus (SDA, SCL) | 3.6 | V |
| THERMAL METRIC(1) | RTW WQFN (24 PINS) |
UNIT | |
|---|---|---|---|
| RθJA | Junction-to-ambient thermal resistance, No Airflow, 4 layer JEDEC | 33.0 | °C/W |
| RθJC(top) | Junction-to-case (top) thermal resistance | 3.2 | |
| PARAMETER | TEST CONDITIONS | MIN | TYP | MAX | UNIT | |
|---|---|---|---|---|---|---|
| POWER SUPPLY CURRENT | ||||||
| IDD | Supply Current | TX_DIS = Low, EQ = ON VOD_SEL = Float (1000 mVpp) |
50 | 63 | mA | |
| Auto Low Power Mode TX_DIS = Low, MODE = 20 kΩ VID CHA and CHB = 0.0 V VOD_SEL = Float (1000 mVpp) |
12 | 15 | ||||
| TX_DIS = High | 25 | 35 | ||||
| LVCMOS DC SPECIFICATIONS | ||||||
| VIH25 | High Level Input Voltage, 2-Level LVCMOS |
2.5 V Supply Mode | 2.0 | VDD | V | |
| VIH33 | High Level Input Voltage, 2-Level LVCMOS |
3.3 V Supply Mode | 2.0 | VIN | V | |
| VIL | Low Level Input Voltage, 2-Level LVCMOS |
GND | 0.7 | V | ||
| VOH | High Level Output Voltage | IOH = -4.0 mA (3) | 2.0 | V | ||
| VOL | Low Level Output Voltage | IOL = 4.0 mA | 0.4 | V | ||
| IIN | Input Leakage Current | Vinput = 0 V or VDD VDD_SEL = Float |
-15 | +15 | µA | |
| Vinput = 0 V or VIN VDD_SEL = Low |
-15 | +15 | ||||
| IIN-P | Input Leakage Current 4-Level Input (1) |
Vinput = 0 V or VDD - 0.05 V VDD_SEL = Float Vinput = 0 V or VIN - 0.05 V VDD_SEL = Low |
-160 | +80 | µA | |
| CML RECEIVER INPUTS | ||||||
| VTX | Source Transmit Launch Differential Signal Level | Default power-up conditions ENSMB = 0 or 1 |
190 | 800 | 1600 | mVp-p |
| RLRX-IN | RX return loss | SDD11 @ 4.1 GHz | -12 | dB | ||
| SDD11 @ 11.1 GHz | -8 | |||||
| SCD11 @ 11.1 GHz | -10 | |||||
| HIGH SPEED TRANSMITTER OUTPUTS | ||||||
| VOD1 | Output Voltage Differential Swing | OUT+ and OUT- AC coupled and terminated by 50 Ω to GND VOD_SEL = Low (700 mVpp setting) DE = Low |
500 | 650 | 800 | mVp-p |
| VOD2 | Output Voltage Differential Swing | OUT+ and OUT- AC coupled and terminated by 50 Ω to GND VOD_SEL = Float (1000 mVpp setting) DE = Low |
800 | 1000 | 1100 | |
| VOD3 | Output Voltage Differential Swing | OUT+ and OUT- AC coupled and terminated by 50 Ω to GND VOD_SEL = 20 kΩ to GND (1200 mVpp) DE = Low |
950 | 1150 | 1350 | |
| VOD_DE1 | De-Emphasis Levels | OUT+ and OUT- AC coupled and terminated by 50 Ω to GND VOD_SEL = Float (1000 mVpp) DE = Float |
-3.5 | dB | ||
| VOD_DE2 | De-Emphasis Levels | OUT+ and OUT- AC coupled and terminated by 50 Ω to GND VOD_SEL = Float (1000 mVpp) DE = 20 kΩ to GND |
-6 | dB | ||
| VOD_DE3 | De-Emphasis Levels | OUT+ and OUT- AC coupled and terminated by 50 Ω to GND VOD_SEL = Float (1000 mVpp) DE = High |
-9 | dB | ||
| VCM-AC | Output Common-Mode Voltage | AC Common Mode Voltage DE = 0 dB, VOD ≤ 1000 mVpp |
4.5 | mV (rms) | ||
| VCM-DC | Output DC Common-Mode Voltage | DC Common Mode Voltage | 0 | 1.1 | 1.9 | V |
| VIDLE | TX IDLE Output Voltage | VID = 0 mVp-p | 30 | mV | ||
| RLTX-DIFF | TX return loss | SDD22 @ 4.1 GHz | -13 | dB | ||
| SDD22 @ 11.1 GHz | -9 | |||||
| SCC22 @ 2.5 GHz | -22 | |||||
| SCC22 @ 11.1 GHz | -10 | |||||
| Delta_ZM | Transmitter Termination Mismatch | DC, IFORCE = ± 100 µA (4) | 2.5% | |||
| TR/F | Transmitter Rise and Fall Time | Measurement points at 20% - 80% (7) | 38 | ps | ||
| TPD | Propagation Delay | Measured at 50% crossing EQ = 0x00 |
230 | ps | ||
| TCCSK | Channel to Channel Skew | T = 25°C, VDD = 2.5 V | 7 | ps | ||
| TPPSK | Part to Part Skew | T = 25°C, VDD = 2.5 V | 20 | ps | ||
| TTX-IDLE-SET-TO-IDLE | Max time to transition to idle after differential signal | VIN = 1 Vpp, 10 Gbps EQ = 0x00, DE = 0 dB |
6.5 | ns | ||
| TTX-IDLE-TO-DIFF-DATA | Max time to transition to valid differential signal after idle | VIN = 1 Vpp, 10 Gbps EQ = 0x00, DE = 0 dB |
3.2 | ns | ||
| TENV_DISTORT | Active OOB timing distortion, input active time vs. output active time | 3.3 | ns | |||
| OUTPUT JITTER SPECIFICATIONS(2) | ||||||
| RJ | Random Jitter | No Media Source Amplitude = 700 mVpp, PRBS15 pattern, 10.3125 Gbps VOD = Default, EQ = minimum, DE = 0 dB |
0.3 | ps (rms) | ||
| DJ1 | Deterministic Jitter | 0.09 | UI | |||
| EQUALIZATION | ||||||
| DJE1 | Residual Deterministic Jitter | 10.3125 Gbps 8 meter 30AWG Cable on Input Source = 700 mVpp, PRBS15 pattern EQ = 0x0F |
0.27 | UI | ||
| DJE2 | Residual Deterministic Jitter | 10.3125 Gbps 30" 4-mil FR4 on Inputs Source = 700 mVpp, PRBS15 pattern EQ = 0x16 |
0.17 | UI | ||
| DE-EMPHASIS | ||||||
| DJD1 | Residual Deterministic Jitter | 10.3125 Gbps 10” 4 mil stripline FR4 on Outputs Source = 700 mVpp, PRBS15 pattern EQ = Min, VOD = 1200 mVpp, DE = -3.5 dB |
0.13 | UI | ||
| PARAMETER | TEST CONDITIONS | MIN | TYP | MAX | UNIT | |
|---|---|---|---|---|---|---|
| SERIAL BUS INTERFACE DC SPECIFICATIONS(1) | ||||||
| VIL | Data, Clock Input Low Voltage | 0.8 | V | |||
| VIH | Data, Clock Input High Voltage | 2.1 | 3.6 | V | ||
| IPULLUP | Current Through Pull-Up Resistor or Current Source | High Power Specification | 4 | mA | ||
| VDD | Nominal Bus Voltage | 2.375 | 3.6 | V | ||
| ILEAK-Bus | Input Leakage Per Bus Segment | See (2) | -200 | +200 | µA | |
| CI | Capacitance for SDA and SCL | See (2)(3)(6) | 10 | pF | ||
| RTERM | External Termination Resistance pull to VDD = 2.5V ± 5% OR 3.3V ± 10% | Pullup VDD = 3.3 V, See (2)(3)(4) | 2000 | Ω | ||
| Pullup VDD = 2.5 V, See (2)(3)(4) | 1000 | Ω | ||||
| SERIAL BUS INTERFACE TIMING SPECIFICATIONS | ||||||
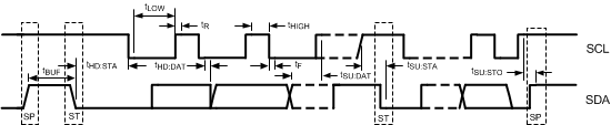
| FSMB | Bus Operating Frequency | ENSMB = VDD (Slave Mode) | 400 | kHz | ||
| ENSMB = Float (Master Mode) (1) | 280 | 400 | 520 | kHz | ||
| TBUF | Bus Free Time Between Stop and Start Condition | 1.3 | µs | |||
| THD:STA | Hold time after (Repeated) Start Condition. After this period, the first clock is generated. | At IPULLUP, Max | 0.6 | µs | ||
| TSU:STA | Repeated Start Condition Setup Time | 0.6 | µs | |||
| TSU:STO | Stop Condition Setup Time | 0.6 | µs | |||
| THD:DAT | Data Hold Time | 0 | ns | |||
| TSU:DAT | Data Setup Time | 100 | ns | |||
| TLOW | Clock Low Period | 1.3 | µs | |||
| THIGH | Clock High Period | See (5) | 0.6 | 50 | µs | |
| tF | Clock/Data Fall Time | See (5) | 300 | ns | ||
| tR | Clock/Data Rise Time | See (5) | 300 | ns | ||
| tPOR | Time in which a device must be operational after power-on reset | See (6)(5) | 500 | ms | ||
| MIN | NOM | MAX | UNIT | |||
|---|---|---|---|---|---|---|
| TLOS_OFF | Input IDLE to Active RX_LOS response time |
See (5) | 0.035 | µs | ||
| TLOS_ON | Input Active to IDLE RX_LOS response time |
See (5) | 0.4 | µs | ||
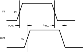
| TOFF | TX Disable assert Time TX_DIS = High to Output OFF |
See (5) | 0.005 | µs | ||
| TON | TX Disable negateTime TX_DIS = Low to Output ON |
See (5) | 0.150 | µs | ||
| TLP_EXIT | Auto Low Power Exit ALP to Normal Operation |
See (5) | 150 | ns | ||
| TLP_ENTER | Auto Low Power Enter Normal Operation to Auto Low Power |
See (5) | 100 | µs |
Figure 1. Output Rise and Fall Transition Times
Figure 2. Propagation Delay Timing Diagram
Figure 3. Transmit Idle-Data and Data-Idle Response Time
Figure 4. SMBus Timing Parameters



| VOD = 700 mVpp |