SLVSAB8G May   2010  – March 2016 DRV8842

PRODUCTION DATA.  

  1. Features
  2. Applications
  3. Description
  4. Revision History
  5. Pin Configuration and Functions
  6. Specifications
    1. 6.1 Absolute Maximum Ratings
    2. 6.2 ESD Ratings
    3. 6.3 Recommended Operating Conditions
    4. 6.4 Thermal Information
    5. 6.5 Electrical Characteristics
    6. 6.6 Typical Characteristics
  7. Detailed Description
    1. 7.1 Overview
    2. 7.2 Functional Block Diagram
    3. 7.3 Feature Description
      1. 7.3.1 PWM Motor Driver
      2. 7.3.2 Bridge Control
      3. 7.3.3 Current Regulation
      4. 7.3.4 Decay Mode
      5. 7.3.5 Blanking Time
      6. 7.3.6 Protection Circuits
        1. 7.3.6.1 Overcurrent Protection (OCP)
        2. 7.3.6.2 Thermal Shutdown (TSD)
        3. 7.3.6.3 Undervoltage Lockout (UVLO)
    4. 7.4 Device Functional Modes
      1. 7.4.1 nRESET and nSLEEP Operation
  8. Application and Implementation
    1. 8.1 Application Information
    2. 8.2 Typical Application
      1. 8.2.1 Design Requirements
      2. 8.2.2 Detailed Design Procedure
        1. 8.2.2.1 Current Regulation
        2. 8.2.2.2 Sense Resistor
      3. 8.2.3 Application Curves
  9. Power Supply Recommendations
    1. 9.1 Bulk Capacitance Sizing
  10. 10Layout
    1. 10.1 Layout Guidelines
    2. 10.2 Layout Example
    3. 10.3 Thermal Considerations
      1. 10.3.1 Power Dissipation
      2. 10.3.2 Heatsinking
  11. 11Device and Documentation Support
    1. 11.1 Documentation Support
      1. 11.1.1 Related Documentation
    2. 11.2 Community Resources
    3. 11.3 Trademarks
    4. 11.4 Electrostatic Discharge Caution
    5. 11.5 Glossary
  12. 12Mechanical, Packaging, and Orderable Information

封装选项

机械数据 (封装 | 引脚)
散热焊盘机械数据 (封装 | 引脚)
订购信息

8 Application and Implementation

NOTE

Information in the following applications sections is not part of the TI component specification, and TI does not warrant its accuracy or completeness. TI’s customers are responsible for determining suitability of components for their purposes. Customers should validate and test their design implementation to confirm system functionality.

8.1 Application Information

The DRV8842 device is used in brushed motor or stepper motor control. The onboard current regulation allows for limiting the motor current through simple pin configurations.

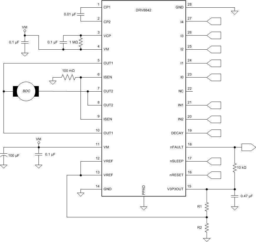
8.2 Typical Application

DRV8842 typ_app_SLVSAB8.gif Figure 7. Typical Application Schematic

8.2.1 Design Requirements

Table 3 shows the design parameters for this application.

Table 3. Design Parameters

DESIGN PARAMETER REFERENCE EXAMPLE VALUE
Supply Voltage VM 24 V
Motor Winding Resistance RM 3.9 Ω
Motor Winding Inductance LM 2.9 mH
Target Chopping Current ITRIP 1.5 A
Sense Resistor RSENSE 100 mΩ
VREF Voltage VREF 0.75 V

8.2.2 Detailed Design Procedure

8.2.2.1 Current Regulation

The maximum current (ITRIP) is set by the Ix pins, the VREF analog voltage, and the sense resistor value (RSENSE). When starting a brushed DC motor, a large inrush current may occur because there is no back-EMF and high detent torque. Current regulation will act to limit this inrush current and prevent high current on start-up.

Equation 2. ITRIP = VREF / (5 × RSENSE)

Example: If the desired chopping currents is 1.5 A:

  • Set RSENSE = 100 mΩ
  • VREF would have to be 0.75 V
  • Create a resistor divider network from V3P3OUT (3.3 V) to set VREF = 0.75 V
  • Set R2 = 10 kΩ and set R1 = kΩ

8.2.2.2 Sense Resistor

For optimal performance, it is important for the sense resistor to be:

  • Surface-mount
  • Low inductance
  • Rated for high enough power
  • Placed closely to the motor driver

The power dissipated by the sense resistor equals Irms2 × R. For example, if the RMS motor current is 1.5 A and a 200-mΩ sense resistor is used, the resistor will dissipate 1.5 A2 × 0.2 Ω = 0.3 W. The power quickly increases with greater current levels.

Resistors typically have a rated power within some ambient temperature range, along with a derated power curve for high ambient temperatures. When a PCB is shared with other components generating heat, margin should be added. It is always best to measure the actual sense resistor temperature in a final system, along with the power MOSFETs, as those are often the hottest components.

Because power resistors are larger and more expensive than standard resistors, it is common practice to use multiple standard resistors in parallel, between the sense node and ground. This distributes the current and heat dissipation.

8.2.3 Application Curves

DRV8842 884X_DIR_slvsab8.png Figure 8. DRV8842 Current Regulation
DRV8842 884X_STARTUP_slvsab8.png Figure 9. DRV8842 Direction Change