SLVSAC0F May   2010  – December 2015 DRV8841

PRODUCTION DATA.  

  1. Features
  2. Applications
  3. Description
  4. Revision History
  5. Pin Configuration and Functions
  6. Specifications
    1. 6.1 Absolute Maximum Ratings
    2. 6.2 ESD Ratings
    3. 6.3 Recommended Operating Conditions
    4. 6.4 Thermal Information
    5. 6.5 Electrical Characteristics
    6. 6.6 Typical Characteristics
  7. Detailed Description
    1. 7.1 Overview
    2. 7.2 Functional Block Diagram
    3. 7.3 Feature Description
      1. 7.3.1 PWM Motor Drivers
      2. 7.3.2 Blanking Time
      3. 7.3.3 Bridge Control
      4. 7.3.4 Current Regulation
      5. 7.3.5 Decay Mode
      6. 7.3.6 Protection Circuits
        1. 7.3.6.1 Overcurrent Protection (OCP)
        2. 7.3.6.2 Thermal Shutdown (TSD)
        3. 7.3.6.3 Undervoltage Lockout (UVLO)
    4. 7.4 Device Functional Modes
      1. 7.4.1 nRESET and nSLEEP Operation
  8. Application and Implementation
    1. 8.1 Application Information
    2. 8.2 Typical Application
      1. 8.2.1 Design Requirements
      2. 8.2.2 Detailed Design Procedure
        1. 8.2.2.1 Current Regulation
        2. 8.2.2.2 Decay Modes
        3. 8.2.2.3 Sense Resistor
      3. 8.2.3 Application Curves
  9. Power Supply Recommendations
    1. 9.1 Bulk Capacitance
    2. 9.2 Power Supply and Logic Sequencing
  10. 10Layout
    1. 10.1 Layout Guidelines
    2. 10.2 Layout Example
    3. 10.3 Thermal Considerations
      1. 10.3.1 Power Dissipation
      2. 10.3.2 Heatsinking
  11. 11Device and Documentation Support
    1. 11.1 Documentation Support
      1. 11.1.1 Related Documentation
    2. 11.2 Community Resources
    3. 11.3 Trademarks
    4. 11.4 Electrostatic Discharge Caution
    5. 11.5 Glossary
  12. 12Mechanical, Packaging, and Orderable Information

封装选项

机械数据 (封装 | 引脚)
散热焊盘机械数据 (封装 | 引脚)
订购信息

7 Detailed Description

7.1 Overview

The DRV8841 is an integrated motor driver solution for two brushed DC motors or a bipolar stepper motor. The device integrates two power NMOS H-bridges, current sense and regulation circuitry, protection devices, and a digital interface.

A simple PWM interface allows for easy interfacing to an external digital controller and requires minimal resources. The fault indication pin (nFAULT) provides a flag for when the device has entered a fault state.

The current regulation is highly configurable with three modes of operation. Depending on the applications requirements the device can be configured for fast, slow, or mixed decay. Two bit current level control allows the device to switch between four different current levels. A low-power sleep mode is implemented which allows the system to save power when not driving the motor.

7.2 Functional Block Diagram

DRV8841 fbd_slvsac0.gif

7.3 Feature Description

7.3.1 PWM Motor Drivers

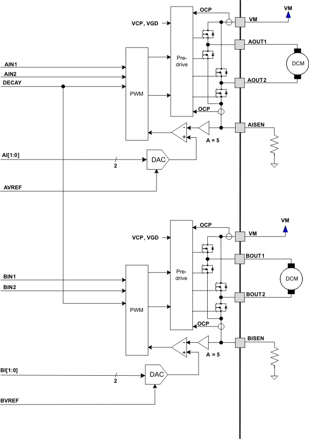
The DRV8841 contains two H-bridge motor drivers with current-control PWM circuitry. A block diagram of the motor control circuitry is shown in Figure 5.

DRV8841 bd_lvsac0.gif Figure 5. Motor Control Circuitry

Note that there are multiple VM pins. All VM pins must be connected together to the motor supply voltage.

7.3.2 Blanking Time

After the current is enabled in an H-bridge, the voltage on the xISEN pin is ignored for a fixed period of time before enabling the current sense circuitry. This blanking time is fixed at 3.75 μs. Note that the blanking time also sets the minimum on time of the PWM.

7.3.3 Bridge Control

The AIN1 and AIN2 input pins directly control the state of the AOUT1 and AOUT2 outputs; similarly, the BIN1 and BIN2 input pins directly control the state of the BOUT1 and BOUT2 outputs. Either input can also be used for PWM control of the load. Table 1 shows the logic.

Table 1. H-Bridge Logic

xIN1 xIN2 xOUT1 xOUT2
0 0 L L
0 1 L H
1 0 H L
1 1 H H

The control inputs have internal pulldown resistors of approximately 100 kΩ.

7.3.4 Current Regulation

The current through the motor windings is regulated by a fixed-frequency PWM current regulation, or current chopping. When an H-bridge is enabled, current rises through the winding at a rate dependent on the DC voltage and inductance of the winding. Once the current hits the current chopping threshold, the bridge disables the current until the beginning of the next PWM cycle.

For stepping motors, current regulation is normally used at all times, and can changing the current can be used to microstep the motor. For DC motors, current regulation is used to limit the start-up and stall current of the motor.

If the current regulation feature is not needed, it can be disabled by connecting the xISENSE pins directly to ground and the xVREF pins to V3P3.

The PWM chopping current is set by a comparator which compares the voltage across a current sense resistor connected to the xISEN pins, multiplied by a factor of 5, with a reference voltage. The reference voltage is input from the xVREF pins, and is scaled by a 2-bit DAC that allows current settings of 100%, 71%, 38% of full-scale, plus zero.

The full-scale (100%) chopping current is calculated in Equation 1.

Equation 1. DRV8841 eq1_lvs997.gif

Example:

If a 0.25-Ω sense resistor is used and the VREFx pin is 2.5 V, the full-scale (100%) chopping current will be 2.5 V / (5 × 0.25 Ω) = 2 A.

Two input pins per H-bridge (xI1 and xI0) are used to scale the current in each bridge as a percentage of the full-scale current set by the VREF input pin and sense resistance. The xI0 and xI1 pins have internal pulldown resistors of approximately 100 kΩ. The function of the pins is shown in Table 2.

Table 2. H-Bridge Pin Functions

xI1 xI0 RELATIVE CURRENT
(% FULL-SCALE CHOPPING CURRENT)
1 1 0% (Bridge disabled)
1 0 38%
0 1 71%
0 0 100%

Note that when both xI bits are 1, the H-bridge is disabled and no current flows.

Example:

If a 0.25-Ω sense resistor is used and the VREF pin is 2.5 V, the chopping current will be 2 A at the 100% setting (xI1, xI0 = 00). At the 71% setting (xI1, xI0 = 01) the current will be 2 A × 0.71 = 1.42 A, and at the 38% setting (xI1, xI0 = 10) the current will be 2 A × 0.38 = 0.76 A. If (xI1, xI0 = 11) the bridge will be disabled and no current will flow.

7.3.5 Decay Mode

During PWM current chopping, the H-bridge is enabled to drive current through the motor winding until the PWM current chopping threshold is reached. This is shown in Figure 6 as case 1. The current flow direction shown indicates the state when the xIN1 pin is high and the xIN2 pin is low.

Once the chopping current threshold is reached, the H-bridge can operate in two different states, fast decay or slow decay.

In fast decay mode, once the PWM chopping current level has been reached, the H-bridge reverses state to allow winding current to flow in a reverse direction. As the winding current approaches zero, the bridge is disabled to prevent any reverse current flow. Fast decay mode is shown in Figure 6 as case 2.

In slow decay mode, winding current is recirculated by enabling both of the low-side FETs in the bridge. This is shown in Figure 6 as case 3.

DRV8841 decay_lvs997.gif Figure 6. Decay Mode

The DRV8841 supports fast decay, slow decay and a mixed decay mode. Slow, fast, or mixed decay mode is selected by the state of the DECAY pin - logic low selects slow decay, open selects mixed decay operation, and logic high sets fast decay mode. The DECAY pin has both an internal pullup resistor of approximately 130 kΩ and an internal pulldown resistor of approximately 80 kΩ. This sets the mixed decay mode if the pin is left open or undriven. Note that the DECAY pin sets the decay mode for both H-bridges.

Mixed decay mode begins as fast decay, but at a fixed period of time (75% of the PWM cycle) switches to slow decay mode for the remainder of the fixed PWM period.

7.3.6 Protection Circuits

The DRV8841 is fully protected against undervoltage, overcurrent and overtemperature events.

7.3.6.1 Overcurrent Protection (OCP)

An analog current limit circuit on each FET limits the current through the FET by removing the gate drive. If this analog current limit persists for longer than the OCP time, all FETs in the H-bridge will be disabled and the nFAULT pin will be driven low. The device will remain disabled until either nRESET pin is applied, or VM is removed and reapplied.

Overcurrent conditions on both high and low side devices; that is, a short to ground, supply, or across the motor winding will all result in an overcurrent shutdown. Note that overcurrent protection does not use the current sense circuitry used for PWM current control, and is independent of the ISENSE resistor value or VREF voltage.

7.3.6.2 Thermal Shutdown (TSD)

If the die temperature exceeds safe limits, all FETs in the H-bridge will be disabled and the nFAULT pin will be driven low. Once the die temperature has fallen to a safe level operation will automatically resume.

7.3.6.3 Undervoltage Lockout (UVLO)

If at any time the voltage on the VM pins falls below the undervoltage lockout threshold voltage, all circuitry in the device will be disabled and internal logic will be reset. Operation will resume when VM rises above the UVLO threshold.

7.4 Device Functional Modes

7.4.1 nRESET and nSLEEP Operation

The nRESET pin, when driven active low, resets the internal logic. It also disables the H-bridge drivers. All inputs are ignored while nRESET is active.

Driving nSLEEP low will put the device into a low power sleep state. In this state, the H-bridges are disabled, the gate drive charge pump is stopped, the V3P3OUT regulator is disabled, and all internal clocks are stopped. In this state all inputs are ignored until nSLEEP returns inactive high. When returning from sleep mode, some time (approximately 1 ms) must pass before the motor driver becomes fully operational. Note that nRESET and nSLEEP have internal pulldown resistors of approximately 100 kΩ. These signals must be driven to logic high for device operation.