ZHCS957C June   2012  – December 2015 DRV8806

PRODUCTION DATA.  

  1. 特性
  2. 应用
  3. 说明
  4. 修订历史记录
  5. Pin Configuration and Functions
  6. Specifications
    1. 6.1 Absolute Maximum Ratings
    2. 6.2 ESD Ratings
    3. 6.3 Recommended Operating Conditions
    4. 6.4 Thermal Information
    5. 6.5 Electrical Characteristics
    6. 6.6 Timing Requirements
    7. 6.7 Typical Characteristics
  7. Detailed Description
    1. 7.1 Overview
    2. 7.2 Functional Block Diagram
    3. 7.3 Feature Description
      1. 7.3.1 Output Drivers
      2. 7.3.2 Protection Circuits
        1. 7.3.2.1 Overcurrent Protection (OCP)
        2. 7.3.2.2 Thermal Shutdown (TSD)
        3. 7.3.2.3 Undervoltage Lockout (UVLO)
    4. 7.4 Device Functional Modes
      1. 7.4.1 Serial Interface Operation
      2. 7.4.2 Fault Output Register
      3. 7.4.3 Daisy-Chain Connection
      4. 7.4.4 nENBL and RESET Operation
  8. Application and Implementation
    1. 8.1 Application Information
    2. 8.2 Typical Application
      1. 8.2.1 Design Requirements
      2. 8.2.2 Detailed Design Procedure
        1. 8.2.2.1 Motor Voltage
        2. 8.2.2.2 Drive Current
      3. 8.2.3 Application Curves
  9. Power Supply Recommendations
  10. 10Layout
    1. 10.1 Layout Guidelines
    2. 10.2 Layout Example
    3. 10.3 Thermal Considerations
      1. 10.3.1 Power Dissipation
      2. 10.3.2 Heatsinking
  11. 11器件和文档支持
    1. 11.1 文档支持
      1. 11.1.1 相关文档
    2. 11.2 社区资源
    3. 11.3 商标
    4. 11.4 静电放电警告
    5. 11.5 Glossary
  12. 12机械、封装和可订购信息

封装选项

机械数据 (封装 | 引脚)
散热焊盘机械数据 (封装 | 引脚)
订购信息

Application and Implementation

NOTE

Information in the following applications sections is not part of the TI component specification, and TI does not warrant its accuracy or completeness. TI’s customers are responsible for determining suitability of components for their purposes. Customers should validate and test their design implementation to confirm system functionality.

Application Information

The DRV8806 can be used to drive one unipolar stepper motor.

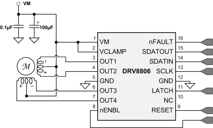
Typical Application

DRV8806 DRV8806_Typical_Application.gif Figure 10. DRV8806 Typical Application

Design Requirements

For this design example, use the parameters listed in Table 1 as the input parameters.

Table 1. Design Parameters

DESIGN PARAMETER EXAMPLE VALUE
Supply voltage, VM 24 V
Motor winding resistance, RL 7.4 Ω/phase
Motor full step angle, θstep 1.8°/step
Motor rated current, IRATED 0.75 A
SCLK frequency, fSCLK 1 MHz

Detailed Design Procedure

Motor Voltage

The motor voltage to use will depend on the ratings of the motor selected and the desired torque. A higher voltage shortens the current rise time in the coils of the stepper motor allowing the motor to produce a greater average torque. Using a higher voltage also allows the motor to operate at a faster speed than a lower voltage.

Drive Current

The current path is starts from the supply VM, moves through the inductive winding load, and low-side sinking NMOS power FET. Power dissipation losses in one sink NMOS power FET are shown in Equation 1.

Equation 1. P = I2 × RDS(on)

The DRV8806 has been measured to be capable of 2-A Single Channel or 1-A Four Channels in a HTSSOP package at 25°C on standard FR-4 PCBs. The maximum RMS current varies based on PCB design and the ambient temperature.

Application Curves

DRV8806 DRV8806_IRISE_8.2V.png
16-Ω, 1-mH, RL Load
Figure 11. Current Ramp With VM = 8.2 V
DRV8806 DRV8806_OCP_8.2V.png
Output shorted to VM
Figure 13. OCP With 8.2 V
DRV8806 DRV8806_IRISE_24V.png
16-Ω, 1-mH RL Load
Figure 12. Current Ramp With VM = 24 V
DRV8806 DRV8806_OCP_24V.png
Output shorted to VM
Figure 14. OCP With 24 V