SLOS690C December   2010  – July 2016 DRV612

UNLESS OTHERWISE NOTED, this document contains PRODUCTION DATA.  

  1. Features
  2. Applications
  3. Description
  4. Revision History
  5. Device Comparison Table
  6. Pin Configuration and Functions
  7. Specifications
    1. 7.1 Absolute Maximum Ratings
    2. 7.2 ESD Ratings
    3. 7.3 Recommended Operating Conditions
    4. 7.4 Thermal Information
    5. 7.5 Electrical Characteristics
    6. 7.6 Electrical Characteristics, Line Driver
    7. 7.7 Programmable Gain Settings
    8. 7.8 Typical Characteristics
  8. Parameter Measurement Information
  9. Detailed Description
    1. 9.1 Overview
    2. 9.2 Functional Block Diagram
    3. 9.3 Feature Description
      1. 9.3.1 Line Driver Amplifiers
    4. 9.4 Device Functional Modes
      1. 9.4.1 Internal Undervoltage Detection
      2. 9.4.2 Pop-Free Power Up
  10. 10Application and Implementation
    1. 10.1 Application Information
      1. 10.1.1 Capacitive Load
    2. 10.2 Typical Application
      1. 10.2.1 Design Requirements
      2. 10.2.2 Detailed Design Procedure
        1. 10.2.2.1 Component Selection
          1. 10.2.2.1.1 Charge Pump Flying Capacitor and VSS Capacitor
          2. 10.2.2.1.2 Decoupling Capacitors
          3. 10.2.2.1.3 Gain-Setting
          4. 10.2.2.1.4 Input-Blocking Capacitors
      3. 10.2.3 Application Curves
  11. 11Power Supply Recommendations
  12. 12Layout
    1. 12.1 Layout Guidelines
      1. 12.1.1 Footprint Compatible With TPA6139A2
    2. 12.2 Layout Examples
  13. 13Device and Documentation Support
    1. 13.1 Device Support
      1. 13.1.1 Development Support
    2. 13.2 Documentation Support
      1. 13.2.1 Related Documentation
    3. 13.3 Receiving Notification of Documentation Updates
    4. 13.4 Community Resources
    5. 13.5 Trademarks
    6. 13.6 Electrostatic Discharge Caution
    7. 13.7 Glossary
  14. 14Mechanical, Packaging, and Orderable Information

封装选项

机械数据 (封装 | 引脚)
散热焊盘机械数据 (封装 | 引脚)
订购信息

10 Application and Implementation

NOTE

Information in the following applications sections is not part of the TI component specification, and TI does not warrant its accuracy or completeness. TI’s customers are responsible for determining suitability of components for their purposes. Customers should validate and test their design implementation to confirm system functionality.

10.1 Application Information

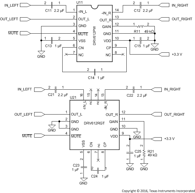
The DRV612 starts its operation by asserting the MUTE pin to logic 1. The device enters in mute mode when pulling low MUTE pin. The charge pump generates a negative supply voltage. The charge pump flying capacitor connected between CP and CN transfers charge to generate the negative supply voltage. The output voltages are capable of positive and negative voltage swings and are centered close to 0 V, eliminating the need for output capacitors. Input coupling capacitors block any dc bias from the audio source and ensure maximum dynamic range.

This typical connection diagram highlights the required external components and system level connections for proper operation of the device in popular use case. Any design variation can be supported by TI through schematic and layout reviews. Visit e2e.ti.com for design assistance and join the audio amplifier discussion forum for additional information.

10.1.1 Capacitive Load

The DRV612 has the ability to drive a high capacitive load up to 220 pF directly. Higher capacitive loads can be accepted by adding a series resistor of 47 Ω or larger for the line driver output.

10.2 Typical Application

DRV612 app2_cir2_los690.gif Figure 11. Single-Ended Input and Output, Gain Set to –1.5×

10.2.1 Design Requirements

Table 1 lists the design parameters for this application example.

Table 1. Typical Application Design Requirements

PARAMETER VALUE
Input voltage supply 3 V to 3.6 V
Current 130 mA
Load impedance 32 Ω

10.2.2 Detailed Design Procedure

10.2.2.1 Component Selection

10.2.2.1.1 Charge Pump Flying Capacitor and VSS Capacitor

The charge-pump flying capacitor serves to transfer charge during the generation of the negative supply voltage. The VSS capacitor must be at least equal to the charge pump capacitor in order to allow maximum charge transfer. Low-ESR capacitors are an ideal selection, and a value of 1 μF is typical.

10.2.2.1.2 Decoupling Capacitors

The DRV612 is a DirectPath line-driver amplifier that requires adequate power-supply decoupling to ensure that the noise and total harmonic distortion (THD) are low. A good low equivalent-series-resistance (ESR) ceramic capacitor, typically 1 μF, placed as close as possible to the device VDD lead works best. Placing this decoupling capacitor close to the DRV612 is important for the performance of the amplifier. For filtering lower-frequency noise signals, a 10-μF or greater capacitor placed near the audio power amplifier also helps, but it is not required in most applications because of the high PSRR of this device.

10.2.2.1.3 Gain-Setting

The gain setting is programmed with the GAIN pin. Gain setting is latched during power on. Table 2 lists the gain settings.

NOTE

If gain pin is left unconnected (open) default gain of –2× is selected.

Table 2. Gain Settings

Gain_set RESISTOR GAIN GAIN (dB) INPUT RESISTANCE
249 kΩ or higher –2× 6 37 kΩ
82k5 –1× 0 55 kΩ
51k1 –1.5× 3.5 44 kΩ
34k8 –2.3× 7.2 33 kΩ
27k4 –2.5× 8 31 kΩ
20k5 –3× 9.5 28 kΩ
15k4 –3.5× 10.9 24 kΩ
11k5 –4.0× 12 22 kΩ
9k09 –5× 14 18 kΩ
7k5 –5.6× 15 17 kΩ
6k19 –6.4× 16.1 15 kΩ
5k11 –8.3× 18.4 12 kΩ
4k22 –10× 20 10 kΩ

10.2.2.1.4 Input-Blocking Capacitors

DC input-blocking capacitors are required to be added in series with the audio signal into the input pins of the DRV612. These capacitors block the dc portion of the audio source and allow the DRV612 inputs to be properly biased to provide maximum performance. The input blocking capacitors also limit the dc gain to 1, limiting the dc-offset voltage at the output.

These capacitors form a high-pass filter with the input resistor, RIN. The cutoff frequency is calculated using Equation 1. For this calculation, the capacitance used is the input-blocking capacitor and the resistance is the input resistor chosen from Table 3. Then the frequency and/or capacitance can be determined when one of the two values is given.

Equation 1. DRV612 eq_1_SLOS690.gif

For a fixed cutoff frequency of 2 Hz, the size of the input capacitance is shown in Table 3 with the capacitors rounded up to nearest E6 values. For 20-Hz cutoff, simply divide the capacitor values with 10; for example, for 1× gain, 150 nF is needed.

Table 3. Input Capacitor for Different Gain and Cutoff

Gain_set RESISTOR GAIN (dB) INPUT RESISTANCE 2-Hz CUTOFF
249 kΩ –2× (6) 37 kΩ 2.2 µF
82k5 –1× (0) 55 kΩ 1.5 µF
51k1 –1.5× (3.5) 44 kΩ 2.2 µF
34k8 –2.3× (7.2) 33 kΩ 3.3 µF
27k4 –2.5× (8) 31 kΩ 3.3 µF
20k5 –3× (9.5) 28 kΩ 3.3 µF
15k4 –3.5× (10.9) 24 kΩ 3.3 µF
11k5 –4× (12) 22 kΩ 4.7 µF
9k09 –5× (14) 18 kΩ 4.7 µF
7k5 –5.6× (15) 17 kΩ 4.7 µF
6k19 –6.4× (16.1) 15 kΩ 6.8 µF
5k11 –8.3× (18.4) 12 kΩ 6.8 µF
4k22 –10× (20) 10 kΩ 10 µF

10.2.3 Application Curves

The characteristics of this design are shown in Table 4.

Table 4. Table of Graphs

FIGURE
THD+N vs Output Voltage 3.3 V, 10 kΩ, 1 kHz Figure 1
THD+N vs Output Voltage 3.3 V, 600-Ω Load, 1 kHz Figure 2
THD+N vs Frequency 3.3 V, 10-kΩ Load, 2 Vrms Figure 3
Channel Separation 3.3 V, 5-kΩ Load, 2 Vrms Figure 4
Gain vs Frequency for the Different Gain Settings Figure 5
Mute to Play Figure 6
Play to Mute Figure 7