ZHCSFA9A June   2016  – July 2016 DRV2511-Q1

PRODUCTION DATA.  

  1. 特性
  2. 应用
  3. 说明
  4. 修订历史记录
  5. Pin Configuration and Functions
  6. Specifications
    1. 6.1 Absolute Maximum Ratings
    2. 6.2 ESD Ratings
    3. 6.3 Recommended Operating Conditions
    4. 6.4 Thermal Information
    5. 6.5 Electrical Characteristics
    6. 6.6 Switching Characteristics
    7. 6.7 Typical Characteristics
  7. Detailed Description
    1. 7.1 Overview
    2. 7.2 Functional Block Diagram
    3. 7.3 Feature Description
      1. 7.3.1 Analog Input and Configurable Pre-amplifier
      2. 7.3.2 Pulse-Width Modulator (PWM)
      3. 7.3.3 Designed for low EMI
      4. 7.3.4 Device Protection Systems
    4. 7.4 Device Functional Modes
      1. 7.4.1 Operation in Shutdown Mode
      2. 7.4.2 Operation in Standby Mode
      3. 7.4.3 Operation in Active Mode
    5. 7.5 Programming
      1. 7.5.1 Gain
  8. Application and Implementation
    1. 8.1 Application Information
    2. 8.2 Typical Applications
      1. 8.2.1 Single-Ended Source
        1. 8.2.1.1 Design Requirements
        2. 8.2.1.2 Detailed Design Procedure
          1. 8.2.1.2.1 Optional Components
          2. 8.2.1.2.2 Capacitor Selection
          3. 8.2.1.2.3 Solenoid Selection
          4. 8.2.1.2.4 Output Filter Considerations
        3. 8.2.1.3 Application Curves
        4. 8.2.1.4 Differential Input Diagram
  9. Power Supply Recommendations
  10. 10Layout
    1. 10.1 Layout Guidelines
    2. 10.2 Layout Example
  11. 11器件和文档支持
    1. 11.1 器件支持
      1. 11.1.1 Third-Party Products Disclaimer
    2. 11.2 商标
    3. 11.3 静电放电警告
    4. 11.4 Glossary
  12. 12机械、封装和可订购信息

封装选项

机械数据 (封装 | 引脚)
散热焊盘机械数据 (封装 | 引脚)
订购信息

1 特性

  • 宽工作电压范围 (4.5V - 26V)
  • 能够处理 30V 电压
  • 大电流驱动(峰值电流达 8A)
  • 低 RDS(on),完整 H 桥输出
  • 集成故障保护
    • 短路保护
    • 过热保护
    • 过压和欠压保护
    • 故障报告
  • 模拟输入
  • 专用中断引脚
  • 具有符合 AEC-Q100 标准的下列结果:
    • 器件温度 1 级:-40°C 至 125°C
      的环境运行温度范围
    • 器件人体放电模式 (HBM) 静电放电 (ESD) 分类等级 H2
    • 器件组件充电模式 (CDM) ESD 分类等级 C4B

2 应用

  • 电磁致动器驱动器
    • 音圈
    • 螺线管
  • 机械按钮替代产品
  • 汽车类触觉 应用
    • 信息娱乐
    • 中央控制台
    • 方向盘
    • 车门板
    • 座椅

3 说明

DRV2511-Q1 器件是一款专为感性负载(例如,螺线管和音圈)而设计的大电流触觉驱动器。

输出级含一个完整 H 桥,能够提供 8A 峰值电流。

DRV2511-Q1 器件提供欠压闭锁、过流保护和过热保护等多种保护功能。

DRV2511-Q1 器件符合汽车类产品标准。

器件信息(1)

器件型号 封装 封装尺寸(标称值)
DRV2511-Q1 HTSSOP (32) 11 mm x 6.20 mm
  1. 要了解所有可用封装,请见数据表末尾的可订购产品附录。

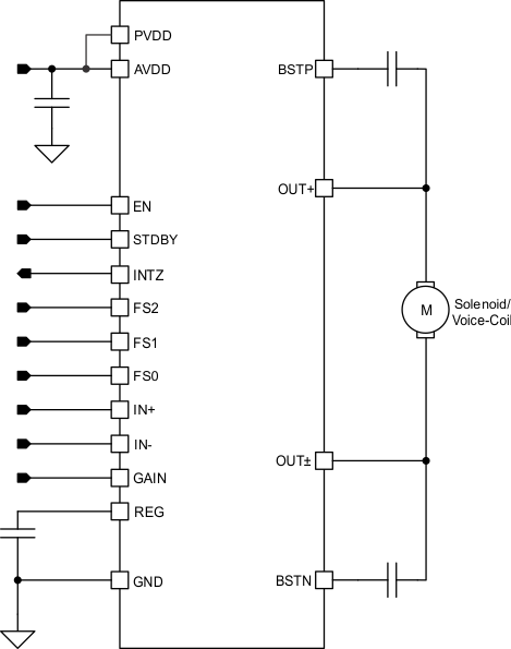
简化电路原理图

DRV2511-Q1 simplified_schematic_slos916.gif

4 修订历史记录

Changes from * Revision (June 2016) to A Revision

  • 发布为量产数据。Go