ZHCSDA8E January   2015  – May 2018 DRV10975

PRODUCTION DATA.  

  1. 特性
  2. 应用
  3. 说明
    1.     应用原理图
  4. 修订历史记录
  5. 说明 (续)
  6. Pin Configuration and Functions
    1.     Pin Functions
  7. Specifications
    1. 7.1 Absolute Maximum Ratings
    2. 7.2 ESD Ratings
    3. 7.3 Recommended Operating Conditions
    4. 7.4 Thermal Information
    5. 7.5 Electrical Characteristics
    6. 7.6 Typical Characteristics
  8. Detailed Description
    1. 8.1 Overview
    2. 8.2 Functional Block Diagram
    3. 8.3 Feature Description
      1. 8.3.1 Regulators
        1. 8.3.1.1 Step-Down Regulator
        2. 8.3.1.2 3.3-V and 1.8-V LDO
      2. 8.3.2 Protection Circuits
        1. 8.3.2.1 Thermal Shutdown
        2. 8.3.2.2 Undervoltage Lockout (UVLO)
        3. 8.3.2.3 Overcurrent Protection (OCP)
        4. 8.3.2.4 Lock
      3. 8.3.3 Motor Speed Control
      4. 8.3.4 Sleep or Standby Condition
      5. 8.3.5 Non-Volatile Memory
    4. 8.4 Device Functional Modes
      1. 8.4.1  Motor Parameters
        1. 8.4.1.1 Motor Phase Resistance
        2. 8.4.1.2 BEMF Constant
      2. 8.4.2  Starting the Motor Under Different Initial Conditions
        1. 8.4.2.1 Case 1 – Motor Is Stationary
        2. 8.4.2.2 Case 2 – Motor Is Spinning in the Forward Direction
        3. 8.4.2.3 Case 3 – Motor Is Spinning in the Reverse Direction
      3. 8.4.3  Motor Start Sequence
        1. 8.4.3.1 ISD
        2. 8.4.3.2 Motor Resynchronization
        3. 8.4.3.3 Reverse Drive
        4. 8.4.3.4 Motor Brake
        5. 8.4.3.5 Motor Initialization
          1. 8.4.3.5.1 Align
          2. 8.4.3.5.2 Initial Position Detect (IPD)
            1. 8.4.3.5.2.1 IPD Operation
            2. 8.4.3.5.2.2 IPD Release Mode
            3. 8.4.3.5.2.3 IPD Advance Angle
          3. 8.4.3.5.3 Motor Start
        6. 8.4.3.6 Start-Up Timing
      4. 8.4.4  Start-Up Current Setting
        1. 8.4.4.1 Start-Up Current Ramp-Up
      5. 8.4.5  Closed Loop
        1. 8.4.5.1 Half Cycle Control and Full Cycle Control
        2. 8.4.5.2 Analog Mode Speed Control
        3. 8.4.5.3 Digital PWM Input Mode Speed Control
        4. 8.4.5.4 I2C Mode Speed Control
        5. 8.4.5.5 Closed Loop Accelerate
        6. 8.4.5.6 Control Coefficient
        7. 8.4.5.7 Commutation Control Advance Angle
      6. 8.4.6  Current Limit
        1. 8.4.6.1 Acceleration Current Limit
      7. 8.4.7  Lock Detect and Fault Handling
        1. 8.4.7.1 Lock0: Lock Detection Current Limit Triggered
        2. 8.4.7.2 Lock1: Abnormal Speed
        3. 8.4.7.3 Lock2: Abnormal Kt
        4. 8.4.7.4 Lock3 (Fault3): No Motor Fault
        5. 8.4.7.5 Lock4: Open Loop Motor Stuck Lock
        6. 8.4.7.6 Lock5: Closed Loop Motor Stuck Lock
      8. 8.4.8  AVS Function
        1. 8.4.8.1 Mechanical AVS Function
      9. 8.4.9  PWM Output
      10. 8.4.10 FG Customized Configuration
        1. 8.4.10.1 FG Output Frequency
        2. 8.4.10.2 FG Open-Loop and Lock Behavior
      11. 8.4.11 Diagnostics and Visibility
        1. 8.4.11.1 Motor Status Readback
        2. 8.4.11.2 Motor Speed Readback
          1. 8.4.11.2.1 Two-Byte Register Readback
        3. 8.4.11.3 Motor Electrical Period Readback
        4. 8.4.11.4 BEMF Constant Readback
        5. 8.4.11.5 Motor Estimated Position by IPD
        6. 8.4.11.6 Supply Voltage Readback
        7. 8.4.11.7 Speed Command Readback
        8. 8.4.11.8 Speed Command Buffer Readback
        9. 8.4.11.9 Fault Diagnostics
    5. 8.5 Register Maps
      1. 8.5.1 I2C Serial Interface
      2. 8.5.2 Register Map
      3. 8.5.3 Register Definition
        1. Table 9. Register Description
  9. Application and Implementation
    1. 9.1 Application Information
    2. 9.2 Typical Application
      1. 9.2.1 Design Requirements
      2. 9.2.2 Detailed Design Procedure
      3. 9.2.3 Application Curves
  10. 10Power Supply Recommendations
  11. 11Layout
    1. 11.1 Layout Guidelines
    2. 11.2 Layout Example
  12. 12器件和文档支持
    1. 12.1 器件支持
      1. 12.1.1 第三方产品免责声明
    2. 12.2 文档支持
      1. 12.2.1 相关文档
    3. 12.3 商标
    4. 12.4 静电放电警告
    5. 12.5 接收文档更新通知
    6. 12.6 社区资源
    7. 12.7 术语表
  13. 13机械、封装和可订购信息

封装选项

机械数据 (封装 | 引脚)
散热焊盘机械数据 (封装 | 引脚)
订购信息

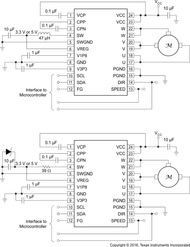
Typical Application

DRV10975 DRV10975Z typ-app-75And83_SLVSCP2.gifFigure 39. Typical Application Schematics for DRV10975 (Top Image) and DRV10975Z (Bottom Image)