ZHCSAG8A November 2012 – March 2015 DRV10866
PRODUCTION DATA.
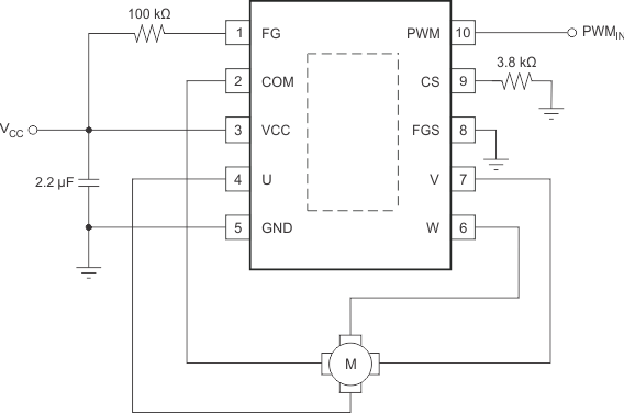
DRV10866 是一款具有集成功率金属氧化物半导体场效应晶体管 (MOSFET) 的三相无传感器电机驱动器,驱动电流峰值可达 680mA。 DRV10866 专门针对低噪声和低外部元件数风扇电机驱动应用而设计。 DRV10866 具有内置过电流保护,无需外部电流感测电阻。 同步整流运行模式可提高电机驱动器应用的效率。 DRV10866 通过开漏输出端输出 FG 或 ½ FG 以指示电机速度。 该器件实现了适合三相电机的 150° 无传感器反电动势 (BEMF) 控制方案。 DRV10866 采用 10 引脚、3mm × 3mm × 0.75mm 高效散热型 SON (DSC) 封装。 额定工作温度为 –40°C 至 125°C。
| 器件型号 | 封装 | 封装尺寸(标称值) |
|---|---|---|
| DRV10866 | WSON (10) | 3.00mm x 3.00mm |
