ZHCSB22A May   2013  – June 2015 DAC7562-Q1 , DAC7563-Q1 , DAC8162-Q1 , DAC8163-Q1 , DAC8562-Q1 , DAC8563-Q1

PRODUCTION DATA.  

  1. 特性
  2. 应用
  3. 说明
  4. 修订历史记录
  5. Device Comparison Table
  6. Pin Configuration and Functions
  7. Specifications
    1. 7.1 Absolute Maximum Ratings
    2. 7.2 ESD Ratings
    3. 7.3 Recommended Operating Conditions
    4. 7.4 Thermal Information
    5. 7.5 Electrical Characteristics
    6. 7.6 Timing Requirements
    7. 7.7 Typical Characteristics
      1. 7.7.1 Tables of Graphs
      2. 7.7.2 Internal Reference
      3. 7.7.3 DAC at AVDD = 5.5 V
      4. 7.7.4 Typical Characteristics: DAC at AVDD = 3.6 V
      5. 7.7.5 Typical Characteristics: DAC at AVDD = 2.7 V
  8. Detailed Description
    1. 8.1 Overview
    2. 8.2 Functional Block Diagram
    3. 8.3 Feature Description
      1. 8.3.1 Digital-to-Analog Converter (DAC)
        1. 8.3.1.1 Resistor String
        2. 8.3.1.2 Output Amplifier
      2. 8.3.2 Internal Reference
      3. 8.3.3 Power-On Reset
        1. 8.3.3.1 Power-On Reset to Zero-Scale
        2. 8.3.3.2 Power-On Reset to Mid-Scale
        3. 8.3.3.3 Power-On Reset (POR) Levels
    4. 8.4 Device Functional Modes
      1. 8.4.1 Power-Down Modes
        1. 8.4.1.1 DAC Power-Down Commands
      2. 8.4.2 Gain Function
      3. 8.4.3 Software Reset Function
      4. 8.4.4 Internal Reference Enable Register
        1. 8.4.4.1 Enabling Internal Reference
        2. 8.4.4.2 Disabling Internal Reference
      5. 8.4.5 CLR Functionality
      6. 8.4.6 LDAC Functionality
    5. 8.5 Programming
      1. 8.5.1 SYNC Interrupt
      2. 8.5.2 DAC Register Configuration
  9. Application and Implementation
    1. 9.1 Application Information
      1. 9.1.1 DAC Internal Reference
        1. 9.1.1.1 Supply Voltage
        2. 9.1.1.2 Temperature Drift
        3. 9.1.1.3 Noise Performance
        4. 9.1.1.4 Load Regulation
          1. 9.1.1.4.1 Long-Term Stability
        5. 9.1.1.5 Thermal Hysteresis
      2. 9.1.2 DAC Noise Performance
    2. 9.2 Typical Applications
      1. 9.2.1 Combined Voltage and Current Analog Output Module Using the XTR300
        1. 9.2.1.1 Design Requirements
        2. 9.2.1.2 Detailed Design Procedure
        3. 9.2.1.3 Application Curves
      2. 9.2.2 Up to ±15-V Bipolar Output Using the DAC8562-Q1
    3. 9.3 System Examples
      1. 9.3.1 MSP430 Microprocessor Interfacing
      2. 9.3.2 TMS320 McBSP Microprocessor Interfacing
      3. 9.3.3 OMAP-L1x Processor Interfacing
  10. 10Power Supply Recommendations
  11. 11Layout
    1. 11.1 Layout Guidelines
    2. 11.2 Layout Example
  12. 12器件和文档支持
    1. 12.1 文档支持
      1. 12.1.1 相关文档 
    2. 12.2 相关链接
    3. 12.3 社区资源
    4. 12.4 商标
    5. 12.5 静电放电警告
    6. 12.6 Glossary
  13. 13机械、封装和可订购信息

封装选项

机械数据 (封装 | 引脚)
散热焊盘机械数据 (封装 | 引脚)
订购信息

7 Specifications

7.1 Absolute Maximum Ratings

Over operating free-air temperature range (unless otherwise noted).(1)
MIN MAX UNIT
AVDD to GND –0.3 6 V
CLR, DIN, LDAC, SCLK and SYNC input voltage to GND –0.3 AVDD + 0.3 V
VOUT[A, B] to GND –0.3 AVDD + 0.3 V
VREFIN/VREFOUT to GND –0.3 AVDD + 0.3 V
Operating temperature –40 125 °C
Junction temperature, TJ max 150 °C
Storage temperature, Tstg –65 150 °C
(1) Stresses beyond those listed under Absolute Maximum Ratings may cause permanent damage to the device. These are stress ratings only, and functional operation of the device at these or any other conditions beyond those indicated under Recommended Operating Conditions is not implied. Exposure to absolute-maximum-rated conditions for extended periods may affect device reliability.

7.2 ESD Ratings

VALUE UNIT
V(ESD) Electrostatic discharge Human-body model (HBM), per AEC Q100-002(1) ±2000 V
Charged-device model (CDM), per AEC Q100-011 All pins ±500
Corner pins (1, 5, 6, and 10) ±750
(1) AEC Q100-002 indicates that HBM stressing shall be in accordance with the ANSI/ESDA/JEDEC JS-001 specification.

7.3 Recommended Operating Conditions

over operating free-air temperature range (unless otherwise noted)
MIN NOM MAX UNIT
POWER SUPPLY
Supply voltage AVDD to GND 2.7 5.5 V
DIGITAL INPUTS
Digital input voltage CLR, DIN, LDAC, SCLK and SYNC 0 AVDD V
REFERENCE INPUT
VREFIN Reference input voltage 0 AVDD V
TEMPERATURE RANGE
TA Operating ambient temperature –40 125 °C

7.4 Thermal Information

THERMAL METRIC(1) DACxx6x-Q1 UNIT
DGS (VSSOP)
10 PINS
RθJA Junction-to-ambient thermal resistance 173.8 °C/W
RθJC(top) Junction-to-case (top) thermal resistance 48.5 °C/W
RθJB Junction-to-board thermal resistance 79.9 °C/W
ψJT Junction-to-top characterization parameter 1.7 °C/W
ψJB Junction-to-board characterization parameter 68.4 °C/W
(1) For more information about traditional and new thermal metrics, see the Semiconductor and IC Package Thermal Metrics application report, SPRA953.

7.5 Electrical Characteristics

At AVDD = 2.7 V to 5.5 V and TA = –40°C to 125°C (unless otherwise noted).
PARAMETER TEST CONDITIONS MIN TYP MAX UNIT
STATIC PERFORMANCE(1)
DAC856x-Q1 Resolution 16 Bits
Relative accuracy Using line passing through codes 512 and 65,024 ±4 ±12 LSB
Differential nonlinearity 16-bit monotonic ±0.2 ±1 LSB
DAC816x-Q1 Resolution 14 Bits
Relative accuracy Using line passing through codes 128 and 16,256 ±1 ±3 LSB
Differential nonlinearity 14-bit monotonic ±0.1 ±0.5 LSB
DAC756x-Q1 Resolution 12 Bits
Relative accuracy Using line passing through codes 32 and 4,064 ±0.3 ±0.75 LSB
Differential nonlinearity 12-bit monotonic ±0.05 ±0.25 LSB
Offset error Extrapolated from two-point line(1), unloaded ±1 ±4 mV
Offset error drift ±2 µV/°C
Full-scale error DAC register loaded with all 1s ±0.03 ±0.2 % FSR
Zero-code error DAC register loaded with all 0s 1 4 mV
Zero-code error drift ±2 µV/°C
Gain error Extrapolated from two-point line(1), unloaded ±0.01 ±0.15 % FSR
Gain temperature coefficient ±1 ppm FSR/°C
OUTPUT CHARACTERISTICS(2)
Output voltage range 0 AVDD V
Output voltage settling time(3) DACs unloaded 7 µs
RL = 1 MΩ 10
Slew rate Measured between 20% - 80% of a full-scale transition 0.75 V/µs
Capacitive load stability RL = ∞ 1 nF
RL = 2 kΩ 3
Code-change glitch impulse 1-LSB change around major carry 0.1 nV-s
Digital feedthrough SCLK toggling, SYNC high 0.1 nV-s
Power-on glitch impulse RL = 2 kΩ, CL = 470 pF, AVDD = 5.5 V 40 mV
Code-change total glitch amplitude 1-LSB change around major carry. Includes glitch impulse and digital feedthrough.
RL = 2 kΩ, CL = 470 pF, AVDD = 5.5 V
3 mV
Channel-to-channel DC crosstalk Full-scale swing on adjacent channel,
External reference
5 µV
Full-scale swing on adjacent channel,
Internal reference
15
DC output impedance At mid-scale input 5 Ω
Short-circuit current DAC outputs at full-scale, DAC outputs shorted to GND 40 mA
Power-up time, including settling time Coming out of power-down mode 50 µs
AC PERFORMANCE(2)
DAC output noise density TA = 25°C, at mid-scale input, fOUT = 1 kHz 90 nV/√Hz
DAC output noise TA = 25°C, at mid-scale input, 0.1 Hz to 10 Hz 2.6 µVPP
LOGIC INPUTS(2)
Input pin Leakage current –1 ±0.1 1 µA
Logic input LOW voltage VINL 0 0.8 V
Logic input HIGH voltage VINH 0.7 × AVDD AVDD V
Pin capacitance 3 pF
REFERENCE
External reference current External VREF = 2.5 V (when internal reference is disabled), all channels active using gain = 1 15 µA
Reference input impedance Internal reference disabled, gain = 1 170
Internal reference disabled, gain = 2 85
REFERENCE OUTPUT
Output voltage TA = 25°C 2.495 2.5 2.505 V
Initial accuracy TA = 25°C –5 ±0.1 5 mV
Output voltage temperature drift 4 10 ppm/°C
Output voltage noise f = 0.1 Hz to 10 Hz 12 µVPP
Output voltage noise density (high-frequency noise) TA = 25°C, f = 1 kHz, CL = 0 µF 250 nV/√Hz
TA = 25°C, f = 1 MHz, CL = 0 µF 30
TA = 25°C, f = 1 MHz, CL = 4.7 µF 10
Load regulation, sourcing(4) TA = 25°C 20 µV/mA
Load regulation, sinking(4) TA = 25°C 185 µV/mA
Output current load capability(2) ±20 mA
Line regulation TA = 25°C 50 µV/V
Long-term stability and drift (aging)(4) TA = 25°C, time = 0 to 1900 hours 100 ppm
Thermal hysteresis(4) First cycle 200 ppm
Additional cycles 50
POWER REQUIREMENTS(5)
IDD AVDD = 3.6 V to 5.5 V Normal mode, internal reference off 0.25 0.5 mA
Normal mode, internal reference on 0.9 1.6
Power-down modes(6) 0.55 2 µA
Power-down modes(7) 0.55 4
AVDD = 2.7 V to 3.6 V Normal mode, internal reference off 0.2 0.4 mA
Normal mode, internal reference on 0.73 1.4
Power-down modes(6) 0.35 2 µA
Power-down modes(7) 0.35 3
Power dissipation AVDD = 3.6 V to 5.5 V Normal mode, internal reference off 0.9 2.75 mW
Normal mode, internal reference on 3.2 8.8
Power-down modes(6) 2 11 µW
Power-down modes(7) 2 22
AVDD = 2.7 V to 3.6 V Normal mode, internal reference off 0.54 1.44 mW
Normal mode, internal reference on 1.97 5
Power-down modes(6) 0.95 7.2 µW
Power-down modes(7) 0.95 10.8
(1) 16-bit: codes 512 and 65,024; 14-bit: codes 128 and 16,256; 12-bit: codes 32 and 4,064
(2) Specified by design or characterization
(3) Transition time between ¼ scale and ¾ scale including settling to within ±0.024% FSR
(4) See the Application Information section of this data sheet.
(5) Input code = mid-scale, no load, VINH = AVDD, and VINL = GND
(6) Temperature range –40°C to 105°C
(7) Temperature range –40°C to 125°C

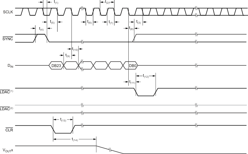
7.6 Timing Requirements(1)(2)

At AVDD = 2.7 V to 5.5 V and over –40°C to 125°C (unless otherwise noted). See Figure 1.
MIN NOM MAX UNIT
f(SCLK) Serial clock frequency 50 MHz
t1 SCLK falling edge to SYNC falling edge (for successful write operation) 10 ns
t2 SCLK cycle time 20 ns
t3 SYNC rising edge to 23rd SCLK falling edge (for successful SYNC interrupt) 13 ns
t4 Minimum SYNC HIGH time 80 ns
t5 SYNC to SCLK falling edge setup time 13 ns
t6 SCLK LOW time 8 ns
t7 SCLK HIGH time 8 ns
t8 SCLK falling edge to SYNC rising edge 10 ns
t9 Data setup time 6 ns
t10 Data hold time 5 ns
t11 SCLK falling edge to LDAC falling edge for asynchronous LDAC update mode 5 ns
t12 LDAC pulse duration, LOW time 10 ns
t13 CLR pulse duration, LOW time 80 ns
t14 CLR falling edge to start of VOUT transition 100 ns
(1) All input signals are specified with tR = tF = 3 ns (10% to 90% of AVDD) and timed from a voltage level of (VINL + VINH) / 2.
(2) See the Serial Write Operation timing diagram (Figure 1).
DAC7562-Q1 DAC7563-Q1 DAC8162-Q1 DAC8163-Q1 DAC8562-Q1 DAC8563-Q1 tim_ser_write_op_LAS719.gif
1. Asynchronous LDAC update mode. For more information, see the LDAC Functionality section.
2. Synchronous LDAC update mode; LDAC remains low. For more information, see the LDAC Functionality section.
Figure 1. Serial Write Operation

7.7 Typical Characteristics

7.7.1 Tables of Graphs

Table 1. Typical Characteristics: Internal Reference Performance

MEASUREMENT POWER-SUPPLY VOLTAGE FIGURE NUMBER
Internal Reference Voltage vs Temperature 5.5 V Figure 2
Internal Reference Voltage Temperature Drift Histogram Figure 3
Internal Reference Voltage vs Load Current Figure 4
Internal Reference Voltage vs Time Figure 5
Internal Reference Noise Density vs Frequency Figure 6
Internal Reference Voltage vs Supply Voltage 2.7 V – 5.5 V Figure 7

Table 2. Typical Characteristics: DAC Static Performance

MEASUREMENT POWER-SUPPLY VOLTAGE FIGURE NUMBER
FULL-SCALE, GAIN, OFFSET AND ZERO-CODE ERRORS
Full-Scale Error vs Temperature 5.5 V Figure 16
Gain Error vs Temperature Figure 17
Offset Error vs Temperature Figure 18
Zero-Code Error vs Temperature Figure 19
Full-Scale Error vs Temperature 2.7 V Figure 63
Gain Error vs Temperature Figure 64
Offset Error vs Temperature Figure 65
Zero-Code Error vs Temperature Figure 66
LOAD REGULATION
DAC Output Voltage vs Load Current 5.5 V Figure 30
2.7 V Figure 74
DIFFERENTIAL NONLINEARITY ERROR
Differential Linearity Error vs Digital Input Code T = –40°C 5.5 V Figure 9
T = 25°C Figure 11
T = 125°C Figure 13
Differential Linearity Error vs Temperature Figure 15
Differential Linearity Error vs Digital Input Code T = –40°C 2.7 V Figure 56
T = 25°C Figure 58
T = 125°C Figure 60
Differential Linearity Error vs Temperature Figure 62
INTEGRAL NONLINEARITY ERROR (RELATIVE ACCURACY)
Linearity Error vs Digital Input Code T = –40°C 5.5 V Figure 8
T = 25°C Figure 10
T = 125°C Figure 12
Linearity Error vs Temperature Figure 14
Linearity Error vs Digital Input Code T = –40°C 2.7 V Figure 55
T = 25°C Figure 57
T = 125°C Figure 59
Linearity Error vs Temperature Figure 61
POWER-DOWN CURRENT
Power-Down Current vs Temperature 5.5 V Figure 28
Power-Down Current vs Power-Supply Voltage 2.7 V – 5.5 V Figure 29
Power-Down Current vs Temperature 2.7 V Figure 73
POWER-SUPPLY CURRENT
Power-Supply Current vs Temperature External VREF 5.5 V Figure 20
Internal VREF Figure 21
Power-Supply Current vs Digital Input Code External VREF Figure 22
Internal VREF Figure 23
Power-Supply Current Histogram External VREF Figure 24
Internal VREF Figure 25
Power-Supply Current vs Power-Supply Voltage External VREF 2.7 V – 5.5 V Figure 26
Internal VREF Figure 27
Power-Supply Current vs Temperature External VREF 3.6 V Figure 49
Internal VREF Figure 50
Power-Supply Current vs Digital Input Code External VREF Figure 51
Internal VREF Figure 52
Power-Supply Current Histogram External VREF Figure 53
Internal VREF Figure 54
Power-Supply Current vs Temperature External VREF 2.7 V Figure 67
Internal VREF Figure 68
Power-Supply Current vs Digital Input Code External VREF Figure 69
Internal VREF Figure 70
Power-Supply Current Histogram External VREF Figure 71
Internal VREF Figure 72

Table 3. Typical Characteristics: DAC Dynamic Performance

MEASUREMENT POWER-SUPPLY VOLTAGE FIGURE NUMBER
CHANNEL-TO-CHANNEL CROSSTALK
Channel-to-Channel Crosstalk 5-V Rising Edge 5.5 V Figure 43
5-V Falling Edge Figure 44
CLOCK FEEDTHROUGH
Clock Feedthrough 500 kHz, Mid-Scale 5.5 V Figure 48
2.7 V Figure 87
GLITCH IMPULSE
Glitch Impulse, 1-LSB Step Rising Edge, Code 7FFFh to 8000h 5.5 V Figure 37
Falling Edge, Code 8000h to 7FFFh Figure 38
Glitch Impulse, 4-LSB Step Rising Edge, Code 7FFCh to 8000h Figure 39
Falling Edge, Code 8000h to 7FFCh Figure 40
Glitch Impulse, 16-LSB Step Rising Edge, Code 7FF0h to 8000h Figure 41
Falling Edge, Code 8000h to 7FF0h Figure 42
Glitch Impulse, 1-LSB Step Rising Edge, Code 7FFFh to 8000h 2.7 V Figure 79
Falling Edge, Code 8000h to 7FFFh Figure 80
Glitch Impulse, 4-LSB Step Rising Edge, Code 7FFCh to 8000h Figure 81
Falling Edge, Code 8000h to 7FFCh Figure 82
Glitch Impulse, 16-LSB Step Rising Edge, Code 7FF0h to 8000h Figure 83
Falling Edge, Code 8000h to 7FF0h Figure 84
NOISE
DAC Output Noise Density vs Frequency External VREF 5.5 V Figure 45
Internal VREF Figure 46
DAC Output Noise 0.1 Hz to 10 Hz External VREF Figure 47
POWER-ON GLITCH
Power-on Glitch Reset to Zero Scale 5.5 V Figure 35
Reset to Mid-Scale Figure 36
Reset to Zero Scale 2.7 V Figure 85
Reset to Mid-Scale Figure 86
SETTLING TIME
Full-Scale Settling Time Rising Edge, Code 0h to FFFFh 5.5 V Figure 31
Falling Edge, Code FFFFh to 0h Figure 32
Half-Scale Settling Time Rising Edge, Code 4000h to C000h Figure 33
Falling Edge, Code C000h to 4000h Figure 34
Full-Scale Settling Time Rising Edge, Code 0h to FFFFh 2.7 V Figure 75
Falling Edge, Code FFFFh to 0h Figure 76
Half-Scale Settling Time Rising Edge, Code 4000h to C000h Figure 77
Falling Edge, Code C000h to 4000h Figure 78

7.7.2 Internal Reference

At TA = 25°C, AVDD = 5.5 V, gain = 2 and VREFOUT, unloaded unless otherwise noted.
DAC7562-Q1 DAC7563-Q1 DAC8162-Q1 DAC8163-Q1 DAC8562-Q1 DAC8563-Q1 Reference_Temperature_Drift.gif
Figure 2. Internal Reference Voltage vs Temperature
DAC7562-Q1 DAC7563-Q1 DAC8162-Q1 DAC8163-Q1 DAC8562-Q1 DAC8563-Q1 INTERNAL_REFERENCE_VOLTAGE_VS_LOAD_CURRENT.png
Figure 4. Internal Reference Voltage vs Load Current
DAC7562-Q1 DAC7563-Q1 DAC8162-Q1 DAC8163-Q1 DAC8562-Q1 DAC8563-Q1 INTERNAL_REF_NOISE_DENSITY_VS_FREQUENCY.png
Figure 6. Internal Reference Noise Density vs Frequency
DAC7562-Q1 DAC7563-Q1 DAC8162-Q1 DAC8163-Q1 DAC8562-Q1 DAC8563-Q1 Reference_Temperature_Drift_Histogram.gif
Figure 3. Internal Reference Voltage Temperature Drift Histogram
DAC7562-Q1 DAC7563-Q1 DAC8162-Q1 DAC8163-Q1 DAC8562-Q1 DAC8563-Q1 INTERNAL_REFERENCE_VOLTAGE_VS_ELAPSED_TIME.gif
Figure 5. Internal Reference Voltage vs Time
DAC7562-Q1 DAC7563-Q1 DAC8162-Q1 DAC8163-Q1 DAC8562-Q1 DAC8563-Q1 INTERNAL_REFERENCE_VOLTAGE_VS_SUPPLY_VOLTAGE.png
Figure 7. Internal Reference Voltage vs Supply Voltage

7.7.3 DAC at AVDD = 5.5 V

At TA = 25°C, 5-V external reference used, gain = 1 and DAC output not loaded, unless otherwise noted.
DAC7562-Q1 DAC7563-Q1 DAC8162-Q1 DAC8163-Q1 DAC8562-Q1 DAC8563-Q1 5V_LINEARITY_ERRORS_VS_DIGITAL_INPUT_CODE_COLD_(INL).png
Figure 8. Linearity Error vs Digital Input Code (–40°C)
DAC7562-Q1 DAC7563-Q1 DAC8162-Q1 DAC8163-Q1 DAC8562-Q1 DAC8563-Q1 5V_LINEARITY_ERRORS_VS_DIGITAL_INPUT_CODE_ROOM_(INL).png
Figure 10. Linearity Error vs Digital Input Code (25°C)
DAC7562-Q1 DAC7563-Q1 DAC8162-Q1 DAC8163-Q1 DAC8562-Q1 DAC8563-Q1 5V_LINEARITY_ERRORS_VS_DIGITAL_INPUT_CODE_HOT_(INL).png
Figure 12. Linearity Error vs Digital Input Code (125°C)
DAC7562-Q1 DAC7563-Q1 DAC8162-Q1 DAC8163-Q1 DAC8562-Q1 DAC8563-Q1 5V_LINEARITY_ERRORS_VS_TEMPERATURE_(INL).png
Figure 14. Linearity Error vs Temperature
DAC7562-Q1 DAC7563-Q1 DAC8162-Q1 DAC8163-Q1 DAC8562-Q1 DAC8563-Q1 5V_FULL_SCALE_ERROR_VS_TEMPERATURE.png
Figure 16. Full-Scale Error vs Temperature
DAC7562-Q1 DAC7563-Q1 DAC8162-Q1 DAC8163-Q1 DAC8562-Q1 DAC8563-Q1 5V_OFFSET_ERROR_VS_TEMPERATURE.png
Figure 18. Offset Error vs Temperature
DAC7562-Q1 DAC7563-Q1 DAC8162-Q1 DAC8163-Q1 DAC8562-Q1 DAC8563-Q1 5V_POWER_SUPPLY_CURRENT_VS_TEMPERATURE_(DACs).png
Figure 20. Power-supply Current vs Temperature
DAC7562-Q1 DAC7563-Q1 DAC8162-Q1 DAC8163-Q1 DAC8562-Q1 DAC8563-Q1 5V_IDD_VS_CODE_External_Ref.png
Figure 22. Power-Supply Current vs Digital Input Code
DAC7562-Q1 DAC7563-Q1 DAC8162-Q1 DAC8163-Q1 DAC8562-Q1 DAC8563-Q1 5V_IDD_EXTERNAL_REFERENCE_HISTOGRAM.gif
Figure 24. Power-Supply Current Histogram
DAC7562-Q1 DAC7563-Q1 DAC8162-Q1 DAC8163-Q1 DAC8562-Q1 DAC8563-Q1 IDD_VS_VDD_External_Ref.png
Figure 26. Power-Supply Current vs Power-Supply Voltage
DAC7562-Q1 DAC7563-Q1 DAC8162-Q1 DAC8163-Q1 DAC8562-Q1 DAC8563-Q1 5V_POWER-DOWN_CURRENT_VS_TEMPERATURE_revC_si.png
Figure 28. Power-Down Current vs Temperature
DAC7562-Q1 DAC7563-Q1 DAC8162-Q1 DAC8163-Q1 DAC8562-Q1 DAC8563-Q1 5V_DAC_LOAD_CURRENT.png
Figure 30. DAC Output Voltage vs Load Current
DAC7562-Q1 DAC7563-Q1 DAC8162-Q1 DAC8163-Q1 DAC8562-Q1 DAC8563-Q1 FULL-SCALE_SETTLING_TIME_5p5V_FALLING_EDGE.gif
Figure 32. Full-Scale Settling Time: Falling Edge
DAC7562-Q1 DAC7563-Q1 DAC8162-Q1 DAC8163-Q1 DAC8562-Q1 DAC8563-Q1 HALF-SCALE_SETTLING_TIME_5p5V_FALLING_EDGE.gif
Figure 34. Half-Scale Settling Time: Falling Edge
DAC7562-Q1 DAC7563-Q1 DAC8162-Q1 DAC8163-Q1 DAC8562-Q1 DAC8563-Q1 POWER-ON_GLITCH_RESET_TO_MIDSCALE_5V.gif
Figure 36. Power-On Glitch Reset to Mid-Scale
DAC7562-Q1 DAC7563-Q1 DAC8162-Q1 DAC8163-Q1 DAC8562-Q1 DAC8563-Q1 GLITCH_ENERGY_5p5V_1_LSB_FALLING_EDGE.gif
Figure 38. Glitch Impulse Falling Edge, 1-LSB Step
DAC7562-Q1 DAC7563-Q1 DAC8162-Q1 DAC8163-Q1 DAC8562-Q1 DAC8563-Q1 GLITCH_ENERGY_5p5V_4_LSB_FALLING_EDGE.gif
Figure 40. Glitch Impulse Falling Edge, 4-LSB Step
DAC7562-Q1 DAC7563-Q1 DAC8162-Q1 DAC8163-Q1 DAC8562-Q1 DAC8563-Q1 GLITCH_ENERGY_5p5V_16_LSB_FALLING_EDGE.gif
Figure 42. Glitch Impulse Falling Edge, 16-LSB Step
DAC7562-Q1 DAC7563-Q1 DAC8162-Q1 DAC8163-Q1 DAC8562-Q1 DAC8563-Q1 CHANNEL-TO-CHANNEL_AC_CROSSTALK_5p5V_FALLING_EDGE.gif
Figure 44. Channel-to-Channel Crosstalk 5-V Falling Edge
DAC7562-Q1 DAC7563-Q1 DAC8162-Q1 DAC8163-Q1 DAC8562-Q1 DAC8563-Q1 5V_DAC_NOISE_DENSITY_VS_FREQUENCY_Internal_Ref.png
Figure 46. DAC Output Noise Density vs Frequency
DAC7562-Q1 DAC7563-Q1 DAC8162-Q1 DAC8163-Q1 DAC8562-Q1 DAC8563-Q1 CLOCK_FEEDTHROUGH_5p5V.gif
Figure 48. Clock Feedthrough 500 kHz, Mid-Scale
DAC7562-Q1 DAC7563-Q1 DAC8162-Q1 DAC8163-Q1 DAC8562-Q1 DAC8563-Q1 5V_LINEARITY_ERRORS_VS_DIGITAL_INPUT_CODE_COLD_(DNL).png
Figure 9. Differential Linearity Error vs Digital Input Code (–40°C)
DAC7562-Q1 DAC7563-Q1 DAC8162-Q1 DAC8163-Q1 DAC8562-Q1 DAC8563-Q1 5V_LINEARITY_ERRORS_VS_DIGITAL_INPUT_CODE_ROOM_(DNL).png
Figure 11. Differential Linearity Error vs Digital Input Code (25°C)
DAC7562-Q1 DAC7563-Q1 DAC8162-Q1 DAC8163-Q1 DAC8562-Q1 DAC8563-Q1 5V_LINEARITY_ERRORS_VS_DIGITAL_INPUT_CODE_HOT_(DNL).png
Figure 13. Differential Linearity Error vs Digital Input Code (125°C)
DAC7562-Q1 DAC7563-Q1 DAC8162-Q1 DAC8163-Q1 DAC8562-Q1 DAC8563-Q1 5V_LINEARITY_ERRORS_VS_TEMPERATURE_(DNL).png
Figure 15. Differential Linearity Error vs Temperature
DAC7562-Q1 DAC7563-Q1 DAC8162-Q1 DAC8163-Q1 DAC8562-Q1 DAC8563-Q1 5V_GAIN_ERROR_VS_TEMPERATURE.png
Figure 17. Gain Error vs Temperature
DAC7562-Q1 DAC7563-Q1 DAC8162-Q1 DAC8163-Q1 DAC8562-Q1 DAC8563-Q1 5V_ZERO_CODE_ERROR_VS_TEMPERATURE.png
Figure 19. Zero-code Error vs Temperature
DAC7562-Q1 DAC7563-Q1 DAC8162-Q1 DAC8163-Q1 DAC8562-Q1 DAC8563-Q1 5V_POWER_SUPPLY_CURRENT_VS_TEMPERATURE_(DACs_Reference).png
Figure 21. Power-supply Current vs Temperature
DAC7562-Q1 DAC7563-Q1 DAC8162-Q1 DAC8163-Q1 DAC8562-Q1 DAC8563-Q1 5V_IDD_VS_CODE_Internal_Ref.png
Figure 23. Power-Supply Current vs Digital Input Code
DAC7562-Q1 DAC7563-Q1 DAC8162-Q1 DAC8163-Q1 DAC8562-Q1 DAC8563-Q1 5V_IDD_INTERNAL_REFERENCE_HISTOGRAM.gif
Figure 25. Power-Supply Current Histogram
DAC7562-Q1 DAC7563-Q1 DAC8162-Q1 DAC8163-Q1 DAC8562-Q1 DAC8563-Q1 IDD_VS_VDD_Internal_Ref.png
Figure 27. Power-Supply Current vs Power-Supply Voltage
DAC7562-Q1 DAC7563-Q1 DAC8162-Q1 DAC8163-Q1 DAC8562-Q1 DAC8563-Q1 IDD_VS_VDD_POWERDOWN_revC_si.png
Figure 29. Power-Down Current vs Power-Supply Voltage
DAC7562-Q1 DAC7563-Q1 DAC8162-Q1 DAC8163-Q1 DAC8562-Q1 DAC8563-Q1 FULL-SCALE_SETTLING_TIME_5p5V_RISING_EDGE.gif
Figure 31. Full-Scale Settling Time: Rising Edge
DAC7562-Q1 DAC7563-Q1 DAC8162-Q1 DAC8163-Q1 DAC8562-Q1 DAC8563-Q1 HALF-SCALE_SETTLING_TIME_5p5V_RISING_EDGE.gif
Figure 33. Half-Scale Settling Time: Rising Edge
DAC7562-Q1 DAC7563-Q1 DAC8162-Q1 DAC8163-Q1 DAC8562-Q1 DAC8563-Q1 POWER-ON_GLITCH_RESET_TO_ZERO_SCALE_5V.gif
Figure 35. Power-On Glitch Reset to Zero Scale
DAC7562-Q1 DAC7563-Q1 DAC8162-Q1 DAC8163-Q1 DAC8562-Q1 DAC8563-Q1 GLITCH_ENERGY_5p5V_1_LSB_RISING_EDGE.gif
Figure 37. Glitch Impulse Rising Edge, 1-LSB Step
DAC7562-Q1 DAC7563-Q1 DAC8162-Q1 DAC8163-Q1 DAC8562-Q1 DAC8563-Q1 GLITCH_ENERGY_5p5V_4_LSB_RISING_EDGE.gif
Figure 39. Glitch Impulse Rising Edge, 4-LSB Step
DAC7562-Q1 DAC7563-Q1 DAC8162-Q1 DAC8163-Q1 DAC8562-Q1 DAC8563-Q1 GLITCH_ENERGY_5p5V_16_LSB_RISING_EDGE.gif
Figure 41. Glitch Impulse Rising Edge, 16-LSB Step
DAC7562-Q1 DAC7563-Q1 DAC8162-Q1 DAC8163-Q1 DAC8562-Q1 DAC8563-Q1 CHANNEL-TO-CHANNEL_AC_CROSSTALK_5p5V_RISING_EDGE.gif
Figure 43. Channel-to-Channel Crosstalk 5-V Rising Edge
DAC7562-Q1 DAC7563-Q1 DAC8162-Q1 DAC8163-Q1 DAC8562-Q1 DAC8563-Q1 5V_DAC_NOISE_DENSITY_VS_FREQUENCY_External_Ref.png
Figure 45. DAC Output Noise Density vs Frequency
DAC7562-Q1 DAC7563-Q1 DAC8162-Q1 DAC8163-Q1 DAC8562-Q1 DAC8563-Q1 DAC_OUTPUT_NOISE_0p1Hz_TO_10_Hz_5p5V.gif
Figure 47. DAC Output Noise 0.1 Hz TO 10 Hz

7.7.4 Typical Characteristics: DAC at AVDD = 3.6 V

At TA = 25°C, 3.3-V external reference used, gain = 1 and DAC output not loaded, unless otherwise noted.
DAC7562-Q1 DAC7563-Q1 DAC8162-Q1 DAC8163-Q1 DAC8562-Q1 DAC8563-Q1 3p6V_POWER_SUPPLY_CURRENT_VS_TEMPERATURE_(DACs).png
Figure 49. Power-Supply Current vs Temperature
DAC7562-Q1 DAC7563-Q1 DAC8162-Q1 DAC8163-Q1 DAC8562-Q1 DAC8563-Q1 3p6V_IDD_VS_CODE_External_Ref.png
Figure 51. Power-Supply Current vs Digital Input Code
DAC7562-Q1 DAC7563-Q1 DAC8162-Q1 DAC8163-Q1 DAC8562-Q1 DAC8563-Q1 3p6V_IDD_EXTERNAL_REFERENCE_HISTOGRAM.gif
Figure 53. Power-Supply Current Histogram
DAC7562-Q1 DAC7563-Q1 DAC8162-Q1 DAC8163-Q1 DAC8562-Q1 DAC8563-Q1 3p6V_POWER_SUPPLY_CURRENT_VS_TEMPERATURE_(DACs_Reference).png
Figure 50. Power-Supply Current vs Temperature
DAC7562-Q1 DAC7563-Q1 DAC8162-Q1 DAC8163-Q1 DAC8562-Q1 DAC8563-Q1 3p6V_IDD_VS_CODE_Internal_Ref.png
Figure 52. Power-Supply Current vs Digital Input Code
DAC7562-Q1 DAC7563-Q1 DAC8162-Q1 DAC8163-Q1 DAC8562-Q1 DAC8563-Q1 3p6V_IDD_INTERNAL_REFERENCE_HISTOGRAM.gif
Figure 54. Power-Supply Current Histogram

7.7.5 Typical Characteristics: DAC at AVDD = 2.7 V

At TA = 25°C, 2.5-V external reference used, gain = 1 and DAC output not loaded, unless otherwise noted.
DAC7562-Q1 DAC7563-Q1 DAC8162-Q1 DAC8163-Q1 DAC8562-Q1 DAC8563-Q1 2p7V_LINEARITY_ERRORS_VS_DIGITAL_INPUT_CODE_COLD_(INL).png Figure 55. Linearity Error vs Digital Input Code (–40°C)
DAC7562-Q1 DAC7563-Q1 DAC8162-Q1 DAC8163-Q1 DAC8562-Q1 DAC8563-Q1 2p7V_LINEARITY_ERRORS_VS_DIGITAL_INPUT_CODE_ROOM_(INL).png Figure 57. Linearity Error vs Digital Input Code (25°C)
DAC7562-Q1 DAC7563-Q1 DAC8162-Q1 DAC8163-Q1 DAC8562-Q1 DAC8563-Q1 2p7V_LINEARITY_ERRORS_VS_DIGITAL_INPUT_CODE_HOT_(INL).png Figure 59. Linearity Error vs Digital Input Code (125°C)
DAC7562-Q1 DAC7563-Q1 DAC8162-Q1 DAC8163-Q1 DAC8562-Q1 DAC8563-Q1 2p7V_LINEARITY_ERRORS_VS_TEMPERATURE_(INL).png
Figure 61. Linearity Error vs Temperature
DAC7562-Q1 DAC7563-Q1 DAC8162-Q1 DAC8163-Q1 DAC8562-Q1 DAC8563-Q1 2p7V_FULL_SCALE_ERROR_VS_TEMPERATURE.png
Figure 63. Full-Scale Error vs Temperature
DAC7562-Q1 DAC7563-Q1 DAC8162-Q1 DAC8163-Q1 DAC8562-Q1 DAC8563-Q1 2p7V_OFFSET_ERROR_VS_TEMPERATURE.png
Figure 65. Offset Error vs Temperature
DAC7562-Q1 DAC7563-Q1 DAC8162-Q1 DAC8163-Q1 DAC8562-Q1 DAC8563-Q1 2p7V_POWER_SUPPLY_CURRENT_VS_TEMPERATURE_(DACs).png
Figure 67. Power-Supply Current vs Temperature
DAC7562-Q1 DAC7563-Q1 DAC8162-Q1 DAC8163-Q1 DAC8562-Q1 DAC8563-Q1 2p7V_IDD_VS_CODE_External_Ref.png
Figure 69. Power-Supply Current vs Digital Input Code
DAC7562-Q1 DAC7563-Q1 DAC8162-Q1 DAC8163-Q1 DAC8562-Q1 DAC8563-Q1 2p7V_IDD_EXTERNAL_REFERENCE_HISTOGRAM.gif
Figure 71. Power-Supply Current Histogram
DAC7562-Q1 DAC7563-Q1 DAC8162-Q1 DAC8163-Q1 DAC8562-Q1 DAC8563-Q1 2p7V_POWER-DOWN_CURRENT_VS_TEMPERATURE_revC_si.png
Figure 73. Power-Down Current vs Temperature
DAC7562-Q1 DAC7563-Q1 DAC8162-Q1 DAC8163-Q1 DAC8562-Q1 DAC8563-Q1 FULL-SCALE_SETTLING_TIME_2p7V_RISING_EDGE.gif
Figure 75. Full-Scale Settling Time: Rising Edge
DAC7562-Q1 DAC7563-Q1 DAC8162-Q1 DAC8163-Q1 DAC8562-Q1 DAC8563-Q1 HALF-SCALE_SETTLING_TIME_2p7V_RISING_EDGE.gif
Figure 77. Half-Scale Settling Time: Rising Edge
DAC7562-Q1 DAC7563-Q1 DAC8162-Q1 DAC8163-Q1 DAC8562-Q1 DAC8563-Q1 GLITCH_ENERGY_2p7V_1_LSB_RISING_EDGE.gif
Figure 79. Glitch Impulse Rising Edge, 1-LSB Step
DAC7562-Q1 DAC7563-Q1 DAC8162-Q1 DAC8163-Q1 DAC8562-Q1 DAC8563-Q1 GLITCH_ENERGY_2p7V_4_LSB_RISING_EDGE.gif
Figure 81. Glitch Impulse Rising Edge, 4-LSB Step
DAC7562-Q1 DAC7563-Q1 DAC8162-Q1 DAC8163-Q1 DAC8562-Q1 DAC8563-Q1 GLITCH_ENERGY_2p7V_16_LSB_RISING_EDGE.gif
Figure 83. Glitch Impulse Rising Edge, 16-LSB Step
DAC7562-Q1 DAC7563-Q1 DAC8162-Q1 DAC8163-Q1 DAC8562-Q1 DAC8563-Q1 POWER-ON_GLITCH_RESET_TO_ZERO_SCALE_2p7V.gif
Figure 85. Power-On Glitch Reset to Zero Scale
DAC7562-Q1 DAC7563-Q1 DAC8162-Q1 DAC8163-Q1 DAC8562-Q1 DAC8563-Q1 CLOCK_FEEDTHROUGH_2p7V.gif
Figure 87. Clock Feedthrough 500 kHz, Mid-Scale
DAC7562-Q1 DAC7563-Q1 DAC8162-Q1 DAC8163-Q1 DAC8562-Q1 DAC8563-Q1 2p7V_LINEARITY_ERRORS_VS_DIGITAL_INPUT_CODE_COLD_(DNL).png Figure 56. Differential Linearity Error vs Digital Input Code (–40°C)
DAC7562-Q1 DAC7563-Q1 DAC8162-Q1 DAC8163-Q1 DAC8562-Q1 DAC8563-Q1 2p7V_LINEARITY_ERRORS_VS_DIGITAL_INPUT_CODE_ROOM_(DNL).png Figure 58. Differential Linearity Error vs Digital Input Code (25°C)
DAC7562-Q1 DAC7563-Q1 DAC8162-Q1 DAC8163-Q1 DAC8562-Q1 DAC8563-Q1 2p7V_LINEARITY_ERRORS_VS_DIGITAL_INPUT_CODE_HOT_(DNL).png Figure 60. Differential Linearity Error vs Digital Input Code (125°C)
DAC7562-Q1 DAC7563-Q1 DAC8162-Q1 DAC8163-Q1 DAC8562-Q1 DAC8563-Q1 2p7V_LINEARITY_ERRORS_VS_TEMPERATURE_(DNL).png
Figure 62. Differential Linearity Error vs Temperature
DAC7562-Q1 DAC7563-Q1 DAC8162-Q1 DAC8163-Q1 DAC8562-Q1 DAC8563-Q1 2p7V_GAIN_ERROR_VS_TEMPERATURE.png
Figure 64. Gain Error vs Temperature
DAC7562-Q1 DAC7563-Q1 DAC8162-Q1 DAC8163-Q1 DAC8562-Q1 DAC8563-Q1 2p7V_ZERO_CODE_ERROR_VS_TEMPERATURE.png
Figure 66. Zero-Code Error vs Temperature
DAC7562-Q1 DAC7563-Q1 DAC8162-Q1 DAC8163-Q1 DAC8562-Q1 DAC8563-Q1 2p7V_POWER_SUPPLY_CURRENT_VS_TEMPERATURE_(DACs_Reference).png
Figure 68. Power-Supply Current vs Temperature
DAC7562-Q1 DAC7563-Q1 DAC8162-Q1 DAC8163-Q1 DAC8562-Q1 DAC8563-Q1 2p7V_IDD_VS_CODE_Internal_Ref.png
Figure 70. Power-Supply Current vs Digital Input Code
DAC7562-Q1 DAC7563-Q1 DAC8162-Q1 DAC8163-Q1 DAC8562-Q1 DAC8563-Q1 2p7V_IDD_INTERNAL_REFERENCE_HISTOGRAM.gif
Figure 72. Power-Supply Current Histogram
DAC7562-Q1 DAC7563-Q1 DAC8162-Q1 DAC8163-Q1 DAC8562-Q1 DAC8563-Q1 2p7V_DAC_LOAD_CURRENT.png
Figure 74. DAC Output Voltage vs Load Current
DAC7562-Q1 DAC7563-Q1 DAC8162-Q1 DAC8163-Q1 DAC8562-Q1 DAC8563-Q1 FULL-SCALE_SETTLING_TIME_2p7V_FALLING_EDGE.gif
Figure 76. Full-Scale Settling Time: Falling Edge
DAC7562-Q1 DAC7563-Q1 DAC8162-Q1 DAC8163-Q1 DAC8562-Q1 DAC8563-Q1 HALF-SCALE_SETTLING_TIME_2p7V_FALLING_EDGE.gif
Figure 78. Half-Scale Settling Time: Falling Edge
DAC7562-Q1 DAC7563-Q1 DAC8162-Q1 DAC8163-Q1 DAC8562-Q1 DAC8563-Q1 GLITCH_ENERGY_2p7V_1_LSB_FALLING_EDGE.gif
Figure 80. Glitch Impulse Falling Edge, 1-LSB Step
DAC7562-Q1 DAC7563-Q1 DAC8162-Q1 DAC8163-Q1 DAC8562-Q1 DAC8563-Q1 GLITCH_ENERGY_2p7V_4_LSB_FALLING_EDGE.gif
Figure 82. Glitch Impulse Falling Edge, 4-LSB Step
DAC7562-Q1 DAC7563-Q1 DAC8162-Q1 DAC8163-Q1 DAC8562-Q1 DAC8563-Q1 GLITCH_ENERGY_2p7V_16_LSB_FALLING_EDGE.gif
Figure 84. Glitch Impulse Falling Edge, 16-LSB Step
DAC7562-Q1 DAC7563-Q1 DAC8162-Q1 DAC8163-Q1 DAC8562-Q1 DAC8563-Q1 POWER-ON_GLITCH_RESET_TO_MIDSCALE_2p7V.gif
Figure 86. Power-On Glitch Reset to Mid-Scale