SNAS321G June   2005  – April 2016 DAC101S101 , DAC101S101-Q1

PRODUCTION DATA.  

  1. Features
  2. Applications
  3. Description
  4. Revision History
  5. Description (continued)
  6. Pin Configuration and Functions
  7. Specifications
    1. 7.1 Absolute Maximum Ratings
    2. 7.2 ESD Ratings DAC101S101
    3. 7.3 ESD Ratings DAC101S101-Q1
    4. 7.4 Recommended Operating Conditions
    5. 7.5 Thermal Information
    6. 7.6 Electrical Characteristics
    7. 7.7 A.C. and Timing Requirements
    8. 7.8 Typical Characteristics
  8. Detailed Description
    1. 8.1 Overview
    2. 8.2 Functional Block Diagram
    3. 8.3 Feature Description
      1. 8.3.1 DAC Section
      2. 8.3.2 Resistor String
      3. 8.3.3 Output Amplifier
      4. 8.3.4 Power-On Reset
    4. 8.4 Device Functional Modes
      1. 8.4.1 Power-Down Modes
    5. 8.5 Programming
      1. 8.5.1 Serial Interface
      2. 8.5.2 Input Shift Register
      3. 8.5.3 DSP/Microprocessor Interfacing
        1. 8.5.3.1 ADSP-2101/ADSP2103 Interfacing
        2. 8.5.3.2 80C51/80L51 Interface
        3. 8.5.3.3 68HC11 Interface
        4. 8.5.3.4 Microwire Interface
  9. Application and Implementation
    1. 9.1 Application Information
    2. 9.2 Typical Application
      1. 9.2.1 Design Requirements
      2. 9.2.2 Detailed Design Procedure
      3. 9.2.3 Application Curve
  10. 10Power Supply Recommendations
    1. 10.1 Using References as Power Supplies
      1. 10.1.1 LM4130
      2. 10.1.2 LM4050
      3. 10.1.3 LP3985
      4. 10.1.4 LP2980
  11. 11Layout
    1. 11.1 Layout Guidelines
    2. 11.2 Layout Example
  12. 12Device and Documentation Support
    1. 12.1 Device Support
      1. 12.1.1 Device Nomenclature
    2. 12.2 Related Links
    3. 12.3 Community Resources
    4. 12.4 Trademarks
    5. 12.5 Electrostatic Discharge Caution
    6. 12.6 Glossary
  13. 13Mechanical, Packaging, and Orderable Information

封装选项

机械数据 (封装 | 引脚)
散热焊盘机械数据 (封装 | 引脚)
订购信息

10 Power Supply Recommendations

The simplicity of the DAC101S101 implies ease of use. However, it is important to recognize that any data converter that utilizes its supply voltage as its reference voltage will have essentially zero PSRR (Power Supply Rejection Ratio). Therefore, it is necessary to provide a noise-free supply voltage to the device.

10.1 Using References as Power Supplies

Since the DAC101S101 consumes very little power, a reference source may be used as the supply voltage. The advantages of using a reference source over a voltage regulator are accuracy and stability. Some low noise regulators can also be used for the power supply of the DAC101S101. Listed below are a few power supply options for the DAC101S101.

10.1.1 LM4130

The LM4130 reference, with its 0.05% accuracy over temperature, is a good choice as a power source for the DAC101S101. Its primary disadvantage is the lack of a 3V and 5V versions. However, the 4.096V version is useful if a 0 to 4.095V output range is desirable or acceptable. Bypassing the VIN pin with a 0.1µF capacitor and the VOUT pin with a 2.2µF capacitor will improve stability and reduce output noise. The LM4130 comes in a space-saving 5-pin SOT-23.

DAC101S101 DAC101S101-Q1 20154113.gif Figure 43. The LM4130 as a Power Supply

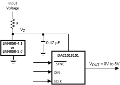
10.1.2 LM4050

Available with accuracy of 0.44%, the LM4050 shunt reference is also a good choice as a power regulator for the DAC101S101. It does not come in a 3 Volt version, but 4.096V and 5V versions are available. It comes in a space-saving 3-pin SOT-23.

DAC101S101 DAC101S101-Q1 20154114.gif Figure 44. The LM4050 as a Power Supply

The minimum resistor value in the circuit of Figure 44 should be chosen such that the maximum current through the LM4050 does not exceed its 15 mA rating. The conditions for maximum current include the input voltage at its maximum, the LM4050 voltage at its minimum, the resistor value at its minimum due to tolerance, and the DAC101S101 draws zero current. The maximum resistor value must allow the LM4050 to draw more than its minimum current for regulation plus the maximum DAC101S101 current in full operation. The conditions for minimum current include the input voltage at its minimum, the LM4050 voltage at its maximum, the resistor value at its maximum due to tolerance, and the DAC101S101 draws its maximum current. These conditions can be summarized as

Equation 4. R(min) = ( VIN(max) − VZ(min) / (IA(min) + IZ(max))

where

  • VZ(min) are the nominal LM4050 output voltages ± the LM4050 output tolerance over temperature
  • IZ(max) is the maximum allowable current through the LM4050
  • IA(min) is the minimum DAC101S101 supply current

and

Equation 5. R(max) = ( VIN(min) − VZ(max) / (IA(max) + IZ(min) )

where

  • VZ(max) are the nominal LM4050 output voltages ± the LM4050 output tolerance over temperature
  • IZ(min) is the minimum current required by the LM4050 for proper regulation
  • IA(max) is the maximum DAC101S101 supply current

10.1.3 LP3985

The LP3985 is a low noise, ultra low dropout voltage regulator with a 3% accuracy over temperature. It is a good choice for applications that do not require a precision reference for the DAC101S101. It comes in 3.0V, 3.3V and 5V versions, among others, and sports a low 30 µV noise specification at low frequencies. Because low frequency noise is relatively difficult to filter, this specification could be important for some applications. The LP3985 comes in a space-saving 5-pin SOT-23 and 5-bump micro SMD packages.

DAC101S101 DAC101S101-Q1 20154115.gif Figure 45. Using The Lp3985 Regulator

An input capacitance of 1 µF without any ESR requirement is required at the LP3985 input, while a 1-µF ceramic capacitor with an ESR requirement of 5 mΩ to 500 mΩ is required at the output. Careful interpretation and understanding of the capacitor specification is required to ensure correct device operation.

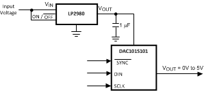
10.1.4 LP2980

The LP2980 is an ultra low dropout regulator with a 0.5% or 1.0% accuracy over temperature, depending upon grade. It is available in 3 V, 3.3 V and 5 V versions, among others.

DAC101S101 DAC101S101-Q1 20154116.gif Figure 46. Using The Lp2980 Regulator

Like any low dropout regulator, the LP2980 requires an output capacitor for loop stability. This output capacitor must be at least 1-µF over temperature, but values of 2.2 µF or more provide better performance. The ESR of this capacitor should be within the range specified in the LP2980 data sheet. Surface-mount solid tantalum capacitors offer a good combination of small size and ESR. Ceramic capacitors are attractive due to their small size but generally have ESR values that are too low for use with the LP2980. Aluminum electrolytic capacitors are typically not a good choice due to their large size and have ESR values that may be too high at low temperatures.