ZHCSB38B March   2013  – August 2016 CSD97376Q4M

 

  1. 特性
  2. 应用
  3. 说明
  4. 修订历史记录
  5. Pin Configuration and Functions
  6. Specifications
    1. 6.1 Absolute Maximum Ratings
    2. 6.2 ESD Ratings
    3. 6.3 Recommended Operating Conditions
    4. 6.4 Thermal Information
    5. 6.5 Electrical Characteristics
    6. 6.6 Typical Characteristics
  7. Detailed Description
    1. 7.1 Functional Block Diagram
    2. 7.2 Powering CSD97376Q4M and Gate Drivers
    3. 7.3 Undervoltage Lockout Protection (UVLO)
    4. 7.4 PWM Pin
    5. 7.5 SKIP# Pin
      1. 7.5.1 Zero Crossing (ZX) Operation
    6. 7.6 Integrated Boost-Switch
  8. Application and Implementation
    1. 8.1 Application Information
    2. 8.2 Power Loss Curves
    3. 8.3 Safe Operating Curves (SOA)
    4. 8.4 Normalized Curves
    5. 8.5 Calculating Power Loss and SOA
      1. 8.5.1 Design Example
      2. 8.5.2 Calculating Power Loss
      3. 8.5.3 Calculating SOA Adjustments
  9. Layout
    1. 9.1 Layout Guidelines
      1. 9.1.1 Recommended PCB Design Overview
      2. 9.1.2 Electrical Performance
      3. 9.1.3 Thermal Performance
    2. 9.2 Layout Example
  10. 10器件和文档支持
    1. 10.1 接收文档更新通知
    2. 10.2 社区资源
    3. 10.3 商标
    4. 10.4 静电放电警告
    5. 10.5 Glossary
  11. 11机械、封装和可订购信息
    1. 11.1 封装尺寸
    2. 11.2 建议印刷电路板 (PCB) 焊盘图案
    3. 11.3 建议模板开口

封装选项

机械数据 (封装 | 引脚)
  • DPC|8
散热焊盘机械数据 (封装 | 引脚)
订购信息

机械、封装和可订购信息

以下页面包含机械、封装和可订购信息。这些信息是指定器件的最新可用数据。数据如有变更,恕不另行通知和修订此文档。如欲获取此产品说明书的浏览器版本,请参阅左侧的导航。

封装尺寸

CSD97376Q4M Mechanical_Drawing0513.png
DIM 毫米 英寸
最小值 标称值 最大值 最小值 标称值 最大值
A 0.800 0.900 1.000 0.031 0.035 0.039
a1 0.000 0.000 0.080 0.000 0.000 0.003
b 0.150 0.200 0.250 0.006 0.008 0.010
b1 2.000 2.200 2.400 0.079 0.087 0.095
b2 0.150 0.200 0.250 0.006 0.008 0.010
c1 0.150 0.200 0.250 0.006 0.008 0.010
D2 3.850 3.950 4.050 0.152 0.156 0.160
E 4.400 4.500 4.600 0.173 0.177 0.181
E1 3.400 3.500 3.600 0.134 0.138 0.142
E2 2.000 2.100 2.200 0.079 0.083 0.087
e 0.400 典型值 0.016 典型值
K 0.300 典型值 0.012 典型值
L 0.300 0.400 0.500 0.012 0.016 0.020
L1 0.180 0.230 0.280 0.007 0.009 0.011
θ 0.00 0.00

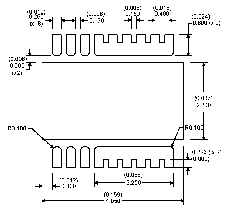
建议印刷电路板 (PCB) 焊盘图案

CSD97376Q4M PCB0513.png

建议模板开口

CSD97376Q4M Stencil0513.png

NOTE:

尺寸单位为 mm(英寸)。