SLPS688 June   2017 CSD95482RWJ

PRODUCTION DATA.  

  1. 1Features
  2. 2Applications
  3. 3Description
  4. 4Revision History
  5. 5Pin Configuration and Functions
  6. 6Specifications
    1. 6.1 Absolute Maximum Ratings
    2. 6.2 ESD Ratings
    3. 6.3 Recommended Operating Conditions
  7. 7Application Schematic
  8. 8Device and Documentation Support
    1. 8.1 Receiving Notification of Documentation Updates
    2. 8.2 Community Resources
    3. 8.3 Trademarks
    4. 8.4 Electrostatic Discharge Caution
    5. 8.5 Glossary
  9. 9Mechanical, Packaging, and Orderable Information
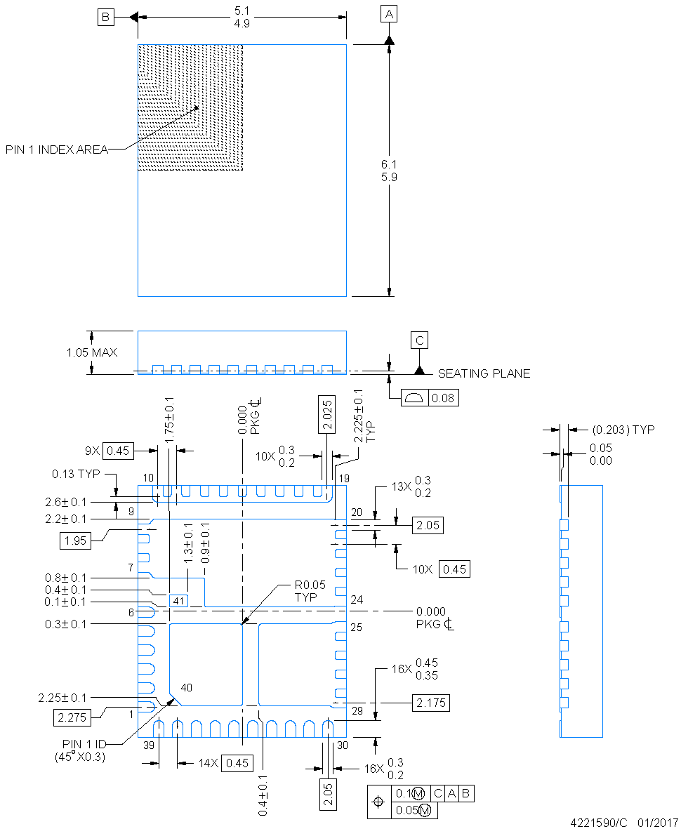
    1. 9.1 Mechanical Drawing
    2. 9.2 Recommended PCB Land Pattern
    3. 9.3 Recommended Stencil Opening

封装选项

机械数据 (封装 | 引脚)
  • RWJ|41
散热焊盘机械数据 (封装 | 引脚)
订购信息

Mechanical, Packaging, and Orderable Information

The following pages include mechanical, packaging, and orderable information. This information is the most current data available for the designated devices. This data is subject to change without notice and revision of this document. For browser-based versions of this data sheet, refer to the left-hand navigation.

Mechanical Drawing

CSD95482RWJ Mech_r2.png
  1. All linear dimensions are in millimeters. Any dimensions in parenthesis are for reference only. Dimensioning and tolerancing per ASME Y14.5M.
  2. This drawing is subject to change without notice.
  3. The package thermal pads must be soldered to the printed circuit board for optimal thermal and mechanical performance.

Recommended PCB Land Pattern

CSD95482RWJ PCB_r2.png
  1. All linear dimensions are in millimeters. Any dimensions in parenthesis are for reference only. Dimensioning and tolerancing per ASME Y14.5M.
  2. This drawing is subject to change without notice.
  3. This package is designed to be soldered to thermal pads on the board. For more information, see QFN/SON PCB Attachment (SLUA271).

Recommended Stencil Opening

CSD95482RWJ Stencil_r2.png
  1. All linear dimensions are in millimeters. Any dimensions in parenthesis are for reference only. Dimensioning and tolerancing per ASME Y14.5M.
  2. This drawing is subject to change without notice.
  3. Laser cutting apertures with trapezoidal walls and rounded corners may offer better paste release. IPC-7525 may have alternate design recommendations.