ZHCSOX2 January 2023 CSD95411
PRODUCTION DATA

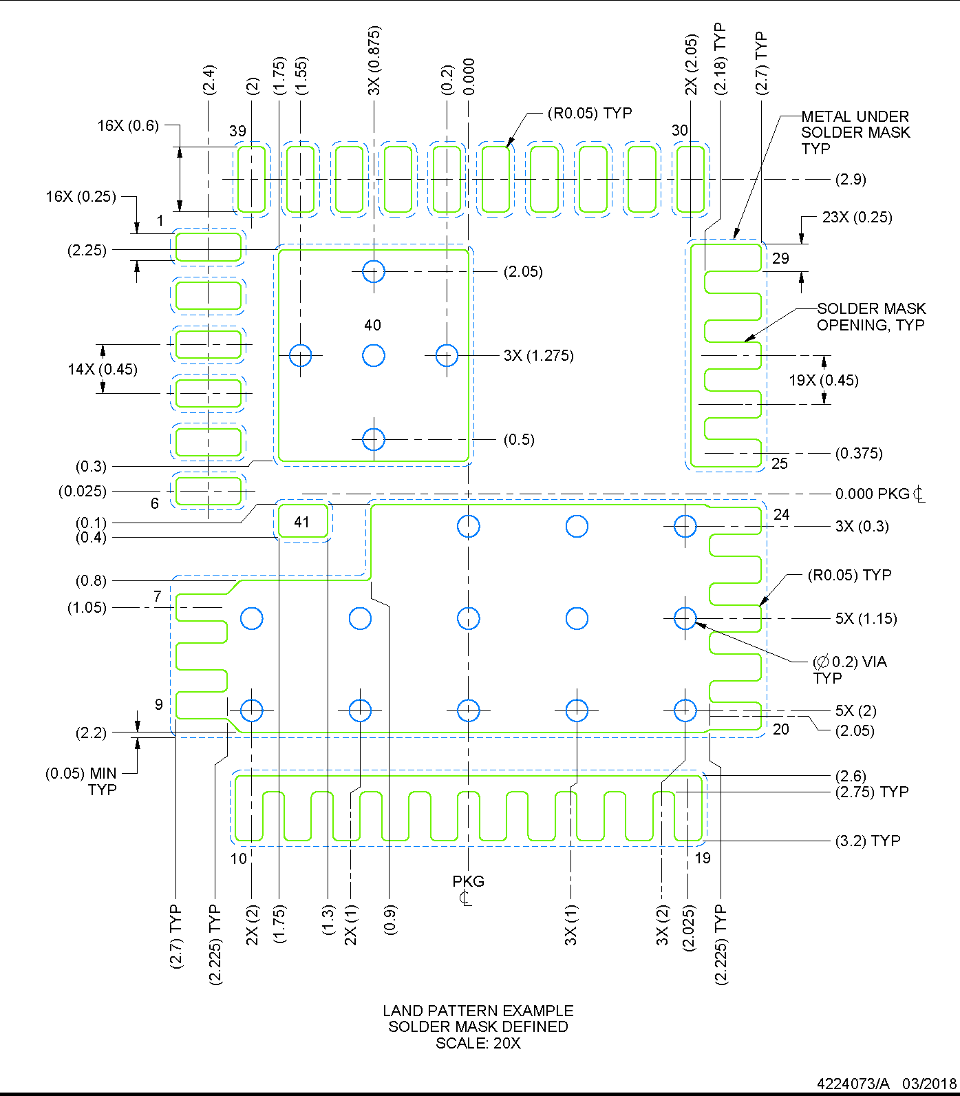
1. All linear dimensions are in millimeters. Any dimensions in parenthesis are for reference only. Dimensioning and tolerancing per ASME Y14.5M.
2. This drawing is subject to change without notice.
3. This package is designed to be soldered to thermal pads on the board. For more information, see QFN/SON PCB Attachment (SLUA271).