ZHCSCE4B April   2014  – July 2017 CSD95378BQ5M

PRODUCTION DATA.  

  1. 1特性
  2. 2应用
  3. 3说明
  4. 4修订历史记录
  5. 5Pin Configuration and Functions
  6. 6Specifications
    1. 6.1 Absolute Maximum Ratings
    2. 6.2 ESD Ratings
    3. 6.3 Recommended Operating Conditions
    4. 6.4 Thermal Information
  7. 7Application Schematic
    1. 7.1 Typical Application
  8. 8器件和文档支持
    1. 8.1 接收文档更新通知
    2. 8.2 社区资源
    3. 8.3 商标
    4. 8.4 静电放电警告
    5. 8.5 Glossary
  9. 9机械、封装和可订购信息
    1. 9.1 机械制图
    2. 9.2 建议印刷电路板 (PCB) 焊盘图案
    3. 9.3 建议模板开口

封装选项

请参考 PDF 数据表获取器件具体的封装图。

机械数据 (封装 | 引脚)
  • DQP|12
散热焊盘机械数据 (封装 | 引脚)
订购信息

机械、封装和可订购信息

以下页中包括机械封装、封装和可订购信息。这些信息是针对指定器件可提供的最新数据。这些数据发生变化时,我们可能不会另行通知或修订此文档。如欲获取此产品说明书的浏览器版本,请参见左侧的导航栏。

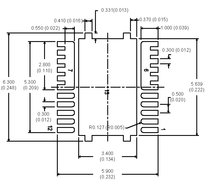
机械制图

CSD95378BQ5M Mechanical_Drawing_0513.png
DIM 毫米 英寸
最小值 标称值 最大值 最小值 标称值 最大值
A 1.400 1.450 1.500 0.057 0.059 0.061
a1 0.000 0.000 0.050 0.000 0.000 0.002
b 0.200 0.250 0.320 0.008 0.010 0.013
b1 2.750 典型值 0.108 典型值
b2 0.200 0.250 0.320 0.008 0.010 0.013
b3 0.250 典型值 0.010 典型值
c1 0.150 0.200 0.250 0.006 0.008 0.010
c2 0.200 0.250 0.300 0.008 0.010 0.012
D2 5.300 5.400 5.500 0.209 0.213 0.217
d 0.200 0.250 0.300 0.008 0.010 0.012
d1 0.350 0.400 0.450 0.014 0.016 0.018
d2 1.900 2.000 2.100 0.075 0.079 0.083
E 5.900 6.000 6.100 0.232 0.236 0.240
E1 4.900 5.000 5.100 0.193 0.197 0.201
E2 3.200 3.300 3.400 0.126 0.130 0.134
e 0.500 典型值 0.020 典型值
K 0.350 典型值 0.014 典型值
L 0.400 0.500 0.600 0.016 0.020 0.024
L1 0.210 0.310 0.410 0.008 0.012 0.016
θ 0.00 0.00

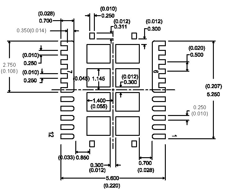
建议印刷电路板 (PCB) 焊盘图案

CSD95378BQ5M Recommended_PCB.png
  1. 尺寸单位为 mm(英寸)。

建议模板开口

CSD95378BQ5M Recommended_Stencil.png
  1. 尺寸单位为 mm(英寸)。
  2. 模板厚度为 100µm。