ZHCSCK9A June   2014  – July 2017 CSD95373BQ5M

PRODUCTION DATA.  

  1. 1特性
  2. 2应用
  3. 3说明
  4. 4修订历史记录
  5. 5Pin Configuration and Functions
  6. 6Specifications
    1. 6.1 Absolute Maximum Ratings
    2. 6.2 ESD Ratings
    3. 6.3 Recommended Operating Conditions
    4. 6.4 Thermal Information
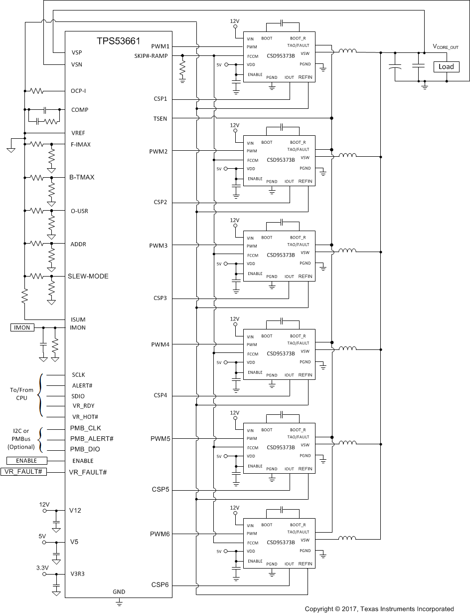
  7. 7Application Schematic
    1. 7.1 Typical Application
  8. 8器件和文档支持
    1. 8.1 接收文档更新通知
    2. 8.2 社区资源
    3. 8.3 商标
    4. 8.4 静电放电警告
    5. 8.5 Glossary
  9. 9机械、封装和可订购信息
    1. 9.1 机械制图
    2. 9.2 建议印刷电路板 (PCB) 焊盘图案
    3. 9.3 建议模板开口

封装选项

请参考 PDF 数据表获取器件具体的封装图。

机械数据 (封装 | 引脚)
  • DQP|12
散热焊盘机械数据 (封装 | 引脚)
订购信息

Application Schematic

Typical Application

CSD95373BQ5M Application.gif