ZHCS110E March   2011  – February 2017 CSD87350Q5D

PRODUCTION DATA.  

  1. 1特性
  2. 2应用范围
  3. 3说明
  4. 4修订历史记录
  5. 5Specifications
    1. 5.1 Absolute Maximum Ratings
    2. 5.2 Recommended Operating Conditions
    3. 5.3 Thermal Information
    4. 5.4 Power Block Performance
    5. 5.5 Electrical Characteristics
    6. 5.6 Typical Power Block Device Characteristics
    7. 5.7 Typical Power Block MOSFET Characteristics
  6. 6Application and Implementation
    1. 6.1 Application Information
      1. 6.1.1 Equivalent System Performance
      2. 6.1.2 Power Loss Curves
      3. 6.1.3 Safe Operating Area (SOA) Curves
      4. 6.1.4 Normalized Curves
    2. 6.2 Typical Application
      1. 6.2.1 Design Example: Calculating Power Loss and SOA
      2. 6.2.2 Operating Conditions
        1. 6.2.2.1 Calculating Power Loss
        2. 6.2.2.2 Calculating SOA Adjustments
  7. 7Layout
    1. 7.1 Layout Guidelines
      1. 7.1.1 Electrical Performance
      2. 7.1.2 Thermal Considerations
    2. 7.2 Layout Example
  8. 8器件和文档支持
    1. 8.1 文档支持
      1. 8.1.1 相关文档 
    2. 8.2 接收文档更新通知
    3. 8.3 社区资源
    4. 8.4 商标
    5. 8.5 静电放电警告
    6. 8.6 Glossary
  9. 9机械、封装和可订购信息
    1. 9.1 Q5D 封装尺寸
    2. 9.2 焊盘布局建议
    3. 9.3 模板建议
    4. 9.4 Q5D 卷带信息

封装选项

机械数据 (封装 | 引脚)
散热焊盘机械数据 (封装 | 引脚)
订购信息

特性

  • 半桥电源块
  • 25A 电流下系统效率达 90%
  • 工作电流高达 40A
  • 高频工作(高达 1.5MHz)
  • 高密度 SON 5mm × 6mm 封装
  • 针对 5V 栅极驱动进行了优化
  • 开关损耗较低
  • 超低电感封装
  • 符合 RoHS 标准
  • 无卤素
  • 无铅引脚镀层

应用范围

  • 同步降压转换器
    • 高频 应用
    • 高电流、低占空比 应用
  • 多相位同步降压转换器
  • 负载点直流 - 直流转换器
  • IMVP、VRM 和 VRD 应用

说明

CSD87350Q5D NexFET™电源块是面向同步降压 应用 的优化设计方案,能够以 5mm × 6mm 的小巧外形提供高电流、高效率以及高频率性能。该产品针对 5V 栅极驱动 应用进行了优化,可提供一套灵活的解决方案,在与来自外部控制器或驱动器的任一 5V 栅极驱动配套使用时,均可提供高密度电源。

俯视图

CSD87350Q5D P0116-01_LPS223.gif

器件信息(1)

器件 包装介质 数量 封装 运输
CSD87350Q5D 13 英寸卷带 2500 小外形尺寸无引线 (SON)
5mm × 6mm
塑料封装
卷带封装
  1. 要了解所有可用封装,请见数据表末尾的可订购产品附录。

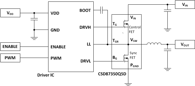
典型电路

CSD87350Q5D SLPS288D_Front_Page.gif

典型电源块效率与功率损耗

CSD87350Q5D D001_SLPS288.gif