ZHCS370A February   2014  – January 2017 CSD87333Q3D

PRODUCTION DATA.  

  1. 特性
  2. 应用范围
  3. 说明
  4. 修订历史记录
  5. Specifications
    1. 5.1 Absolute Maximum Ratings
    2. 5.2 Recommended Operating Conditions
    3. 5.3 Power Block Performance
    4. 5.4 Thermal Information
    5. 5.5 Electrical Characteristics
    6. 5.6 Typical Power Block Device Characteristics
    7. 5.7 Typical Power Block MOSFET Characteristics
  6. Applications
    1. 6.1 Power Loss Curves
    2. 6.2 Safe Operating Area (SOA) Curves
    3. 6.3 Normalized Curves
    4. 6.4 Calculating Power Loss and SOA
      1. 6.4.1 Design Example
      2. 6.4.2 Calculating Power Loss
      3. 6.4.3 Calculating SOA Adjustments
  7. Recommended PCB Design Overview
    1. 7.1 Electrical Performance
  8. Thermal Performance
  9. 器件和文档支持
    1. 9.1 接收文档更新通知
    2. 9.2 社区资源
    3. 9.3 商标
    4. 9.4 静电放电警告
    5. 9.5 Glossary
  10. 10机械、封装和可订购信息
    1. 10.1 Q3D 封装尺寸
    2. 10.2 引脚布局配置
    3. 10.3 焊盘布局建议
    4. 10.4 模板建议
    5. 10.5 Q3D 卷带信息

封装选项

机械数据 (封装 | 引脚)
散热焊盘机械数据 (封装 | 引脚)
订购信息

机械、封装和可订购信息

以下页中包括机械封装和可订购信息。这些信息是针对指定器件可提供的最新数据。这些数据会在无通知且不对本文档进行修订的情况下发生改变。要获得这份数据表的浏览器版本,请查阅左侧的导航栏。

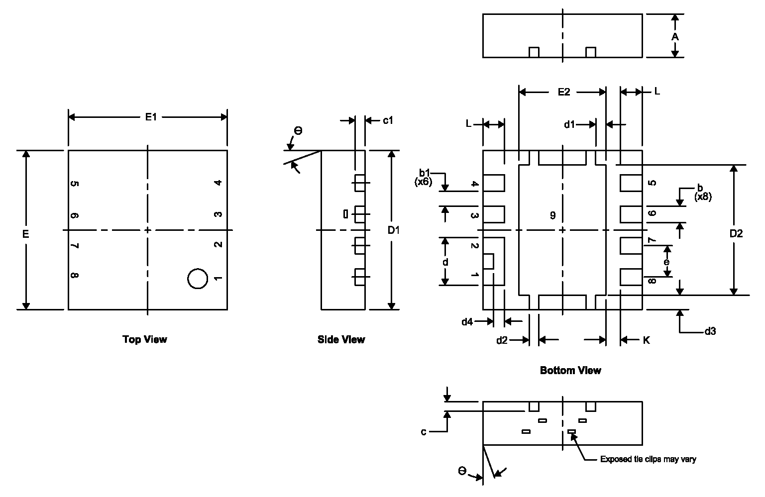
Q3D 封装尺寸

CSD87333Q3D Q3D_Package_Dimensions.png
DIM 毫米 英寸
最小值 最大值 最小值 最大值
A 0.850 1.050 0.033 0.041
b 0.280 0.400 0.011 0.016
b1 0.310(标称值) 0.012(标称值)
c 0.150 0.250 0.006 0.010
c1 0.150 0.250 0.006 0.010
d 0.940 1.040 0.037 0.041
d1 0.160 0.260 0.006 0.010
d2 0.150 0.250 0.006 0.010
d3 0.250 0.350 0.010 0.014
d4 0.175 0.275 0.007 0.011
D1 3.200 3.400 0.126 0.134
D2 2.650 2.750 0.104 0.108
E 3.200 3.400 0.126 0.134
E1 3.200 3.400 0.126 0.134
E2 1.750 1.850 0.069 0.073
e 0.650 典型值 0.026 典型值
L 0.400 0.500 0.016 0.020
θ 0.000
K 0.300 典型值 0.012 典型值

引脚布局配置

Table 1. 引脚布局配置

位置 名称
引脚 1 VIN
引脚 2 VIN
引脚 3 TG
引脚 4 TGR
引脚 5 BG
引脚 6 VSW
引脚 7 VSW
引脚 8 VSW
引脚 9 PGND

焊盘布局建议

CSD87333Q3D M0193-01_LPS264.gif

NOTE:

尺寸单位为 mm(英寸)。

模板建议

CSD87333Q3D M0207-01_LPS264.gif

NOTE:

尺寸单位为 mm(英寸)。

有关针对 PCB 设计的建议电路布局布线,请参见《通过 PCB 布局布线技巧来减少振铃》(文献编号:SLPA005)。

Q3D 卷带信息

CSD87333Q3D m0144-01_lps202.gif

NOTES:

1. 10 链齿孔距累积容差 ±0.2。
2. 每 100mm 长度的翘曲不能超过 1mm,250mm 长度的非累积量 (Camber not to exceed 1 mm in 100 mm, noncumulative over 250 mm)。
3. 材料:黑色抗静电聚苯乙烯。
4. 全部尺寸单位为 mm,除非另外注明。
5. 厚度:0.3 ± 0.05mm。
6. MSL1 260°C(红外 (IR) 和传导)PbF 回流焊兼容。