ZHCSBW6B December   2013  – May 2017 CSD19532Q5B

PRODUCTION DATA.  

  1. 1特性
  2. 2应用范围
  3. 3说明
  4. 4修订历史记录
  5. 5Specifications
    1. 5.1 Electrical Characteristics
    2. 5.2 Thermal Information
    3. 5.3 Typical MOSFET Characteristics
  6. 6器件和文档支持
    1. 6.1 接收文档更新通知
    2. 6.2 社区资源
    3. 6.3 商标
    4. 6.4 静电放电警告
    5. 6.5 Glossary
  7. 7机械、封装和可订购信息
    1. 7.1 Q5B 封装尺寸
    2. 7.2 建议 PCB 布局
    3. 7.3 建议模板布局
    4. 7.4 Q5B 卷带信息

封装选项

请参考 PDF 数据表获取器件具体的封装图。

机械数据 (封装 | 引脚)
  • DNK|8
散热焊盘机械数据 (封装 | 引脚)
订购信息

机械、封装和可订购信息

以下页中包括机械封装、封装和可订购信息。这些信息是针对指定器件可提供的最新数据。这些数据会在无通知且不对本文档进行修订的情况下发生改变。要获得这份数据表的浏览器版本,请查阅左侧的导航栏。

Q5B 封装尺寸

CSD19532Q5B Mechanical_Drawing_1404.png
DIM 毫米
最小值 标称值 最大值
A 0.80 1.00 1.05
b 0.36 0.41 0.46
c 0.15 0.20 0.25
c1 0.15 0.20 0.25
c2 0.20 0.25 0.30
D1 4.90 5.00 5.10
D2 4.12 4.22 4.32
D3 3.90 4.00 4.10
d 0.20 0.25 0.30
d1 0.085 典型值
d2 0.319 0.369 0.419
E 4.90 5.00 5.10
E1 5.90 6.00 6.10
E2 3.48 3.58 3.68
e 1.27 典型值
H 0.36 0.46 0.56
L 0.46 0.56 0.66
L1 0.57 0.67 0.77
θ
K 1.40 典型值

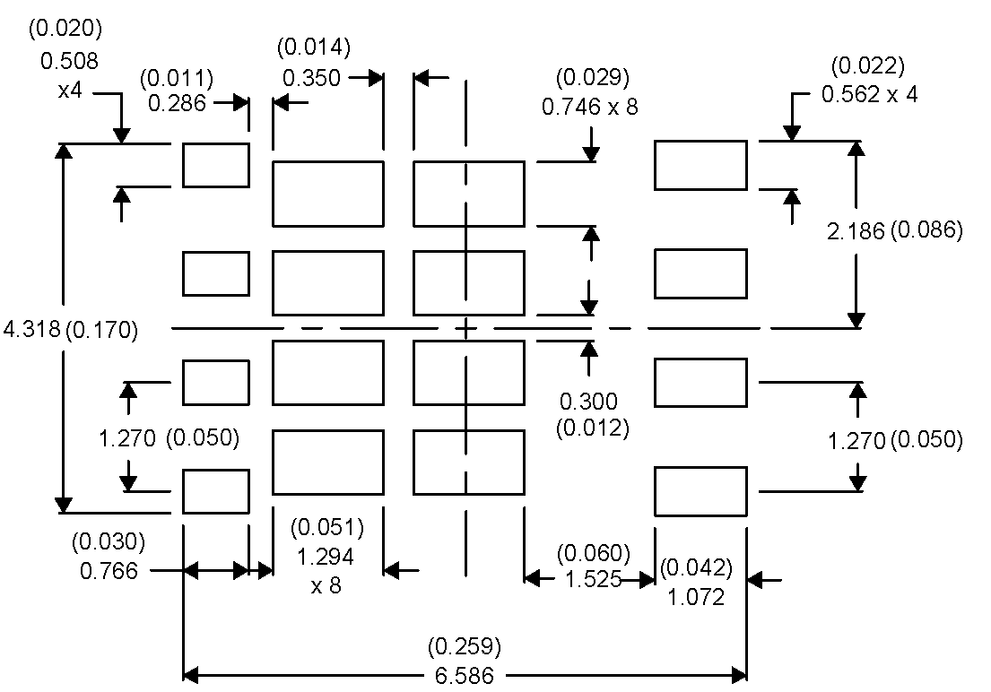
建议 PCB 布局

CSD19532Q5B Recommended_PCB.gif

要获得与印刷电路板 (PCB) 设计相关的建议电路布局布线,请参见《应用说明》SLPA005 - 通过 PCB 布局布线技巧来减少振铃

建议模板布局

CSD19532Q5B Recommended_Stencil.png

Q5B 卷带信息

CSD19532Q5B M0138-01_LPS198.gif

注释:

  1. 10 个链齿孔的累积容差为 ±0.2。
  2. 每 100mm 长度的翘曲不能超过 1mm,在 250mm 长度上不累积。
  3. 材料:黑色抗静电聚苯乙烯。
  4. 全部尺寸单位为 mm(除非另外注明)。
  5. 高于孔眼底部 0.3mm 的平面上测量得到 A0 和 B0 值.