ZHCSAF2D October   2012  – September 2015 CSD17313Q2Q1

PRODUCTION DATA.  

  1. 1特性
  2. 2应用
  3. 3说明
    1.     Device Images
  4. 4修订历史记录
  5. 5Specifications
    1. 5.1 Electrical Characteristics
    2. 5.2 Thermal Information
    3. 5.3 Typical MOSFET Characteristics
  6. 6器件和文档支持
    1. 6.1 社区资源
    2. 6.2 商标
    3. 6.3 静电放电警告
    4. 6.4 Glossary
  7. 7机械、封装和可订购信息
    1. 7.1 Q2 封装尺寸
    2. 7.2 建议 PCB 布局
    3. 7.3 建议的模版布局
    4. 7.4 Q2 卷带信息

封装选项

请参考 PDF 数据表获取器件具体的封装图。

机械数据 (封装 | 引脚)
  • DQK|6
散热焊盘机械数据 (封装 | 引脚)
订购信息

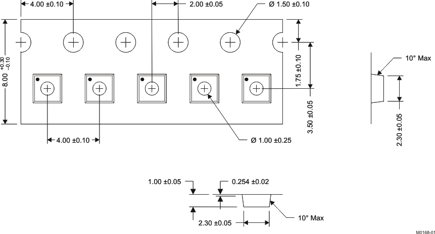
Q2 卷带信息

CSD17313Q2Q1 M0168-01_LPS235.gif

NOTES:

1. 测自链齿孔中心线到孔眼中心线
2. 10 个链齿孔的累积容差为 ±0.20
3. 其他材料可用
4. 卷带的 SR 典型值最大为 108 OHM/SQ
5. 除非另有说明,否则所有尺寸单位均为 mm。