SCAS878C May   2009  – January 2016 CDCLVP2108

PRODUCTION DATA.  

  1. Features
  2. Applications
  3. Description
  4. Revision History
  5. Pin Configuration and Functions
  6. Specifications
    1. 6.1  Absolute Maximum Ratings
    2. 6.2  ESD Ratings
    3. 6.3  Recommended Operating Conditions
    4. 6.4  Thermal Information
    5. 6.5  Electrical Characteristics: LVCMOS Input, at VCC = 2.375 V to 3.6 V
    6. 6.6  Electrical Characteristics: Differential Input, at VCC = 2.375 V to 3.6 V
    7. 6.7  Electrical Characteristics: LVPECL Output, at VCC = 2.375 V to 2.625 V
    8. 6.8  Electrical Characteristics: LVPECL Output, at VCC = 3 V to 3.6 V
    9. 6.9  Timing Requirements, at VCC = 2.375 V to 2.625 V
    10. 6.10 Timing Requirements, at VCC = 3 V to 3.6 V
    11. 6.11 Typical Characteristics
  7. Parameter Measurement Information
    1. 7.1 Test Configurations
  8. Detailed Description
    1. 8.1 Overview
    2. 8.2 Functional Block Diagram
    3. 8.3 Feature Description
    4. 8.4 Device Functional Modes
      1. 8.4.1 LVPECL Output Termination
      2. 8.4.2 Input Termination
  9. Application and Implementation
    1. 9.1 Application Information
    2. 9.2 Typical Application
      1. 9.2.1 Design Requirements
      2. 9.2.2 Detailed Design Procedure
      3. 9.2.3 Application Curves
  10. 10Power Supply Recommendations
    1. 10.1 Power-Supply Filtering
  11. 11Layout
    1. 11.1 Layout Guidelines
    2. 11.2 Layout Example
    3. 11.3 Thermal Considerations
  12. 12Device and Documentation Support
    1. 12.1 Documentation Support
      1. 12.1.1 Related Documentation
    2. 12.2 Community Resources
    3. 12.3 Trademarks
    4. 12.4 Electrostatic Discharge Caution
    5. 12.5 Glossary
  13. 13Mechanical, Packaging, and Orderable Information

封装选项

机械数据 (封装 | 引脚)
散热焊盘机械数据 (封装 | 引脚)
订购信息

8 Detailed Description

8.1 Overview

The CDCLVP2108 is an open emitter for LVPECL outputs. Therefore, proper biasing and termination are required to ensure correct operation of the device and to minimize signal integrity. The proper termination for LVPECL outputs is a 50 Ω to (VCC – 2) V, but this direct-coupled (DC) voltage is not readily available on PCB. Therefore, a Thevenin equivalent circuit is worked out for the LVPECL termination in both DC- and AC-coupled configurations. These configurations are shown in Figure 12 (a and b) for VCC= 2.5 V and Figure 13 (a and b) for VCC = 3.3 V, respectively. TI recommends placing all resistive components close to either the driver end or the receiver end. If the supply voltage for the driver and receiver is different, AC coupling is required.

8.2 Functional Block Diagram

CDCLVP2108 fbd_cas878.gif

8.3 Feature Description

The CDCLVP2108 is a low additive jitter universal to LVPECL fan-out buffer with two independent inputs. The small package, low output skew, and low additive jitter make for a flexible device in demanding applications.

8.4 Device Functional Modes

The two independent inputs of the CDCLVP2108 distribute the input clock to eight outputs each. Unused inputs and outputs can be left floating to reduce overall component cost. Both AC and DC coupling schemes can be used with the CDCLVP2108 to provide greater system flexibility.

8.4.1 LVPECL Output Termination

The CDCLVP2108 is an open emitter for LVPECL outputs. Therefore, proper biasing and termination are required to ensure correct operation of the device and to minimize signal integrity. The proper termination for LVPECL outputs is 50 Ω to (VCC – 2) V, but this DC voltage is not readily available on PCB. Therefore, a Thevenin equivalent circuit is worked out for the LVPECL termination in both direct-coupled (DC) and AC-coupled configurations. These configurations are shown in Figure 12 a and b for VCC = 2.5 V and Figure 13 a and b for VCC = 3.3 V, respectively. TI recommends placing all resistive components close to either the driver end or the receiver end. If the supply voltage for the driver and receiver is different, AC coupling is required.

CDCLVP2108 ai_lvpecl_dc_ac_out_25_cas878.gif Figure 12. LVPECL Output DC and AC Termination for VCC = 2.5 V
CDCLVP2108 ai_lvpecl_dc_ac_out_33_cas878.gif Figure 13. LVPECL Output DC and AC Termination for VCC = 3.3 V

8.4.2 Input Termination

The CDCLVP2108 inputs can be interfaced with LVPECL, LVDS, or LVCMOS drivers. Figure 14 shows how to DC-couple an LVCMOS input to the CDCLVP2108. The series resistance (RS) must be placed close to the LVCMOS driver; its value is calculated as the difference between the transmission line impedance and the driver output impedance.

CDCLVP2108 ai_dc_lvcmos_in_cas878.gif Figure 14. DC-Coupled LVCMOS Input to CDCLVP2108

Figure 15 shows how to DC-couple LVDS inputs to the CDCLVP2108. Figure 16 and Figure 17 describe the method of DC coupling LVPECL inputs to the CDCLVP2108 for VCC = 2.5 V and VCC = 3.3 V, respectively.

CDCLVP2108 ai_dc_lvds_in_cas878.gif Figure 15. DC-Coupled LVDS Inputs to CDCLVP2108
CDCLVP2108 ai_dc_lvpecl_in_25v_cas878.gif Figure 16. DC-Coupled LVPECL Inputs to CDCLVP2108 (VCC = 2.5 V)
CDCLVP2108 ai_dc_lvpecl_in_33v_cas878.gif Figure 17. DC-Coupled LVPECL Inputs to CDCLVP2108 (VCC = 3.3 V)

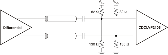
Figure 18 and Figure 19 show the technique of AC coupling differential inputs to the CDCLVP2108 for
VCC = 2.5 V and VCC = 3.3 V, respectively. TI recommends placing all resistive components close to either the driver end or the receiver end. If the supply voltages of the driver and receiver are different, AC coupling is required.

CDCLVP2108 ai_ac_diff_in_25v_cas878.gif Figure 18. AC-Coupled Differential Inputs to CDCLVP2108 (VCC = 2.5 V)
CDCLVP2108 ai_ac_diff_in_33v_cas878.gif Figure 19. AC-Coupled Differential Inputs to CDCLVP2108 (VCC = 3.3 V)