SCAS898B May   2010  – October 2016 CDCLVD1204

PRODUCTION DATA.  

  1. Features
  2. Applications
  3. Description
  4. Revision History
  5. Pin Configuration and Functions
  6. Specifications
    1. 6.1 Absolute Maximum Ratings
    2. 6.2 ESD Ratings
    3. 6.3 Recommended Operating Conditions
    4. 6.4 Thermal Information
    5. 6.5 Electrical Characteristics
    6. 6.6 Timing Requirements
    7. 6.7 Typical Characteristics
  7. Parameter Measurement Information
  8. Detailed Description
    1. 8.1 Overview
    2. 8.2 Functional Block Diagram
    3. 8.3 Feature Description
    4. 8.4 Device Functional Modes
      1. 8.4.1 LVDS Output Termination
      2. 8.4.2 Input Termination
  9. Application and Implementation
    1. 9.1 Application Information
    2. 9.2 Typical Application
      1. 9.2.1 Design Requirements
      2. 9.2.2 Detailed Design Procedure
      3. 9.2.3 Application Curves
  10. 10Power Supply Recommendations
  11. 11Layout
    1. 11.1 Layout Guidelines
    2. 11.2 Layout Example
    3. 11.3 Thermal Considerations
  12. 12Device and Documentation Support
    1. 12.1 Documentation Support
      1. 12.1.1 Related Documentation
    2. 12.2 Receiving Notification of Documentation Updates
    3. 12.3 Community Resources
    4. 12.4 Trademarks
    5. 12.5 Electrostatic Discharge Caution
    6. 12.6 Glossary
  13. 13Mechanical, Packaging, and Orderable Information

封装选项

机械数据 (封装 | 引脚)
散热焊盘机械数据 (封装 | 引脚)
订购信息

7 Parameter Measurement Information

CDCLVD1204 DC_output_cas897.gif Figure 3. LVDS Output DC Configuration During Device Test
CDCLVD1204 AC_output_cas897.gif Figure 4. LVDS Output AC Configuration During Device Test
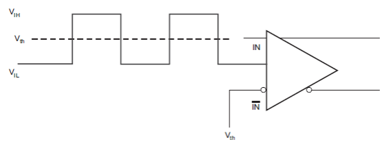
CDCLVD1204 LVCMOS_tst_cas898.gif Figure 5. DC Coupled LVCMOS Input During Device Test
CDCLVD1204 rise_fall_tim_cas899.gif Figure 6. Output Voltage and Rise/Fall Time
CDCLVD1204 p_to_p_skew_cas898.gif
1. Output skew is calculated as the greater of the following: As the difference between the fastest and the slowest tPLHn or the difference between the fastest and the slowest tPHLn (n = 0, 1, 2, 3).
2. Part-to-part skew is calculated as the greater of the following: As the difference between the fastest and the slowest tPLHn or the difference between the fastest and the slowest tPHLn across multiple devices (n = 0, 1, 2, 3).
Figure 7. Output Skew and Part-to-Part Skew
CDCLVD1204 over_shoot_cas898.gif Figure 8. Output Overshoot and Undershoot
CDCLVD1204 AC_comm_cas897.gif Figure 9. Output AC Common Mode