SCAS898B May   2010  – October 2016 CDCLVD1204

PRODUCTION DATA.  

  1. Features
  2. Applications
  3. Description
  4. Revision History
  5. Pin Configuration and Functions
  6. Specifications
    1. 6.1 Absolute Maximum Ratings
    2. 6.2 ESD Ratings
    3. 6.3 Recommended Operating Conditions
    4. 6.4 Thermal Information
    5. 6.5 Electrical Characteristics
    6. 6.6 Timing Requirements
    7. 6.7 Typical Characteristics
  7. Parameter Measurement Information
  8. Detailed Description
    1. 8.1 Overview
    2. 8.2 Functional Block Diagram
    3. 8.3 Feature Description
    4. 8.4 Device Functional Modes
      1. 8.4.1 LVDS Output Termination
      2. 8.4.2 Input Termination
  9. Application and Implementation
    1. 9.1 Application Information
    2. 9.2 Typical Application
      1. 9.2.1 Design Requirements
      2. 9.2.2 Detailed Design Procedure
      3. 9.2.3 Application Curves
  10. 10Power Supply Recommendations
  11. 11Layout
    1. 11.1 Layout Guidelines
    2. 11.2 Layout Example
    3. 11.3 Thermal Considerations
  12. 12Device and Documentation Support
    1. 12.1 Documentation Support
      1. 12.1.1 Related Documentation
    2. 12.2 Receiving Notification of Documentation Updates
    3. 12.3 Community Resources
    4. 12.4 Trademarks
    5. 12.5 Electrostatic Discharge Caution
    6. 12.6 Glossary
  13. 13Mechanical, Packaging, and Orderable Information

封装选项

机械数据 (封装 | 引脚)
散热焊盘机械数据 (封装 | 引脚)
订购信息

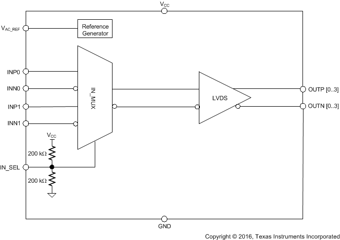
8 Detailed Description

8.1 Overview

The CDCLVD1204 LVDS drivers use CMOS transistors to control the output current. Therefore, proper biasing and termination are required to ensure correct operation of the device and to maximize signal integrity.

The proper LVDS termination for signal integrity over two 50-Ω lines is 100 Ω between the outputs on the receiver end. Either DC-coupled termination or AC-coupled termination can be used for LVDS outputs. TI recommends placing a termination resistor close to the receiver. If the receiver is internally biased to a voltage different than the output common mode voltage of the CDCLVD1204, AC-coupling must be used. If the LVDS receiver has internal 100-Ω termination, external termination must be omitted.

8.2 Functional Block Diagram

CDCLVD1204 bd_cas898.gif

8.3 Feature Description

The CDCLVD1204 is a low additive jitter LVDS fan-out buffer that can generate four copies of two selectable LVPECL, LVDS, or LVCMOS inputs. The CDCLVD1204 can accept reference clock frequencies up to 800 MHz while providing low output skew.

8.4 Device Functional Modes

The two inputs of the CDCLVD1204 are internally muxed together and can be selected through the control pin (see Table 1). Unused inputs and outputs can be left floating to reduce overall component cost. Both AC- and DC-coupling schemes can be used with the CDCLVD1204 to provide greater system flexibility.

Table 1. Input Selection Table

IN_SEL ACTIVE CLOCK INPUT
0 INP0, INN0
1 INP1, INN1
Open None(1)
(1) The input buffers are disabled and the outputs are static.

8.4.1 LVDS Output Termination

Unused outputs can be left open without connecting any trace to the output pins.

The CDCLVD1204 can be connected to LVDS receiver inputs with DC- and AC-coupling as shown in Figure 10 and Figure 11 (respectively).

CDCLVD1204 DC_output_term_cas898.gif Figure 10. Output DC Termination
CDCLVD1204 AC_output_term_cas898.gif Figure 11. Output AC Termination (With the Receiver Internally Biased)

8.4.2 Input Termination

The CDCLVD1204 inputs can be interfaced with LVDS, LVPECL, or LVCMOS drivers.

LVDS drivers can be connected to CDCLVD1204 inputs with AC- and DC-coupling as shown in Figure 12 and Figure 13 (respectively).

CDCLVD1204 LVDS_ac_clk_cas898.gif Figure 12. LVDS Clock Driver Connected to CDCLVD1204 Input (AC-Coupled)
CDCLVD1204 LVDS_dc_clk_cas898.gif Figure 13. LVDS Clock Driver Connected to CDCLVD1204 Input (DC-Coupled)

Figure 14 shows how to connect LVPECL inputs to the CDCLVD1204. The series resistors are required to reduce the LVPECL signal swing if the signal swing is >1.6 Vpp.

CDCLVD1204 LVPECL_clk_dvr_cas898.gif Figure 14. LVPECL Clock Driver Connected to CDCLVD1204 Input

Figure 15 illustrates how to couple a 2.5-V LVCMOS clock input to the CDCLVD1204 directly. The series resistance, RS, must be placed close to the LVCMOS driver if required. 3.3-V LVCMOS clock input swing must be limited to VIH ≤ VCC.

CDCLVD1204 LVCMOS_clk_dvr_cas898.gif Figure 15. 2.5-V LVCMOS Clock Driver Connected to CDCLVD1204 Input

For unused input, TI recommends grounding both input pins (INP, INN) using 1-kΩ resistors.