ZHCSD30 November   2014 CDCL1810A

PRODUCTION DATA.  

  1. 特性
  2. 应用
  3. 说明
  4. 简化电路原理图
  5. 修订历史记录
  6. Device Comparison Tables
  7. Pin Configuration and Functions
  8. Specifications
    1. 8.1 Absolute Maximum Ratings
    2. 8.2 Handling Ratings
    3. 8.3 Recommended Operating Conditions
    4. 8.4 Thermal Information
    5. 8.5 DC Electrical Characteristics
    6. 8.6 AC Electrical Characteristics
    7. 8.7 AC Electrical Characteristics for the SDA/SCL Interface
    8. 8.8 Typical Characteristics
  9. Detailed Description
    1. 9.1 Overview
    2. 9.2 Functional Block Diagram
    3. 9.3 Feature Description
      1. 9.3.1 Output Enable/Disable
      2. 9.3.2 SDA/SCL Interface
        1. 9.3.2.1 SDA/SCL Bus Slave Device Address
        2. 9.3.2.2 SDA/SCL Connections Recommendations
    4. 9.4 Device Functional Modes
    5. 9.5 Programming
      1. 9.5.1 SDA/SCL Interface
      2. 9.5.2 Command Code Definition
      3. 9.5.3 SDA/SCL Timing Characteristics
      4. 9.5.4 SDA/SCL Programming Sequence
    6. 9.6 Register Maps
      1. 9.6.1 SDA/SCL Bus Configuration Command Bitmap
        1. 9.6.1.1 Byte 0:
        2. 9.6.1.2 Byte 1:
        3. 9.6.1.3 Byte 2:
        4. 9.6.1.4 Byte 3:
        5. 9.6.1.5 Byte 4:
        6. 9.6.1.6 Byte 5:
        7. 9.6.1.7 Byte 6:
  10. 10Application and Implementation
    1. 10.1 Application Information
      1. 10.1.1 Clock Distribution for Multiple TI Keystone DSPs
        1. 10.1.1.1 Design Requirements
        2. 10.1.1.2 Detailed Design Procedure
        3. 10.1.1.3 Application Curves
  11. 11Power Supply Recommendations
  12. 12Layout
    1. 12.1 Layout Guidelines
    2. 12.2 Layout Example
  13. 13器件和文档支持
    1. 13.1 商标
    2. 13.2 静电放电警告
    3. 13.3 术语表
  14. 14机械封装和可订购信息

封装选项

机械数据 (封装 | 引脚)
散热焊盘机械数据 (封装 | 引脚)
订购信息

9 Detailed Description

9.1 Overview

The CDCL1810A is a high performance fanout clock buffer that features two banks of independent integer dividers ranging from 1 to 80. CDCL1810A is designed in a way that individual outputs can be configured -- or reconfigured -- without impacting operation of other outputs.

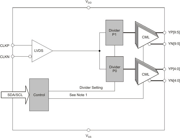
9.2 Functional Block Diagram

bd_01_lls781.gifFigure 3. CDCL1810A Simplified Schematic
bd_02_lls781.gif
Note 1: Outputs can be disabled to floating. When outputs are left floating, internal 50 Ω termination to VDD pulls both YN and YP to VDD.
Figure 4. Functional Block Diagram

9.3 Feature Description

9.3.1 Output Enable/Disable

The CDCL1810A does not have an output synchronization feature like the CDCL1810. The CDCL1810A ensures that all outputs stay enabled during any device communication like output enable/disable. Divider changes will apply immediately at the outputs. This may cause a glitch and may result in different phase offsets between both dividers.

out_en_dis_flow_chart_v2.gifFigure 5. Device Status Flow Chart

9.3.2 SDA/SCL Interface

This section describes the SDA/SCL interface of the CDCL1810A device. The CDCL1810A operates as a slave device of the industry standard 2-pin SDA/SCL bus. It operates in the fast-mode at a bit-rate of up to 400 kbit/s and supports 7-bit addressing compatible with the popular 2-pin serial interface standard.

9.3.2.1 SDA/SCL Bus Slave Device Address

A6 A5 A4 A3 A2 A1 A0 R/W
1 1 0 1 0 ADD1 ADD0 0/1

The device address is made up of the fixed internal address, 11010 (A6:A2), and configurable external pins ADD1 (A1) and ADD0 (A0). Four different devices with addresses 1101000, 1101001, 1101010 and 1101011, can be addressed via the same SDA/SCL bus interface. The least significant bit of the address byte designates a write or read operation.

R/W Bit:

0 = write to CDCL1810A device

1 = read from CDCL1810A device

9.3.2.2 SDA/SCL Connections Recommendations

The serial interface inputs don’t have glitch suppression circuit. So, any noises or glitches at serial input lines may cause programming error. The serial interface lines should be routed in such a way that the lines would have minimum noise impact from the surroundings.

Figure 6 is recommended to improve the interconnections.

serial_interface_conn_sllsel1.gifFigure 6. Serial Interface Connections

Lower RP resistor value (around 1 kΩ) should be chosen so that signals will have faster rise time. A capacitor can be connected to SCL line to ground which will act as a filter.

An I2C level translator will help to overcome the noises issue.

9.4 Device Functional Modes

The device is designed to operate from an input voltage supply of 1.8 V. In the default power on reset, all device outputs are enabled and the dividers P0 and P1 are set to 1.

9.5 Programming

9.5.1 SDA/SCL Interface

This section describes the SDA/SCL interface of the DCDL1810A device. The CDCL1810A operates as a slave device of the industry standard 2-pin SDA/SCL bus. It operates in the fast-mode at a bit-rate of up to 400 kb/s and supports 7-bit addressing compatible with the popular 2-pin serial interface standard. The device address is made up of the fixed internal address, 11010 (A6:A2), and configurable external pins ADD1 (A1) and ADD0 (A0). Four different devices with addresses 1101000, 1101001, 1101010, and 1101011, can be addressed via the same SDA/SCL bus interface. The least significant bit of the address byte designates a write or read operation.

R/W bit:

0 = write to CDCL1810 device.

1 = read from CDCL1810 device.

9.5.2 Command Code Definition

Table 3. Command Code Definition

BIT DESCRIPTION
C7 1 = Byte Write / Read or Word Write / Read operation
(C6:C0) Byte Offset for Byte Write / Read and Word Write / Read operation.

Table 4. SDA/SCL Bus Slave Device Address

A6 A5 A4 A3 A2 A1 A0 R/W
1 1 0 1 0 ADD1 ADD0 0/1

Table 5. Command Code for Byte Write / Read Operation

HEX CODE C7 C6 C5 C4 C3 C2 C1 C0
byte 0 80h 1 0 0 0 0 0 0 0
byte 1 81h 1 0 0 0 0 0 0 1
byte 2 82h 1 0 0 0 0 0 1 0
byte 3 83h 1 0 0 0 0 0 1 1
byte 4 84h 1 0 0 0 0 1 0 0
byte 5 85h 1 0 0 0 0 1 0 1
byte 6 86h 1 0 0 0 0 1 1 0

Table 6. Command Code for Word Write / Read Operation

HEX CODE C7 C6 C5 C4 C3 C2 C1 C0
word 0: byte 0 and byte 1 80h 1 0 0 0 0 0 0 0
word 1: byte 1 and byte 2 81h 1 0 0 0 0 0 0 1
word 2: byte 2 and byte 3 82h 1 0 0 0 0 0 1 0
word 3: byte 3 and byte 4 83h 1 0 0 0 0 0 1 1
word 4: byte 4 and byte 5 84h 1 0 0 0 0 1 0 0
word 5: byte 5 and byte 6 85h 1 0 0 0 0 1 0 1
word 6: byte 6 and byte 7 86h 1 0 0 0 0 1 1 0

9.5.3 SDA/SCL Timing Characteristics

tim_sda-scl_ctrl_lls781.gifFigure 7. Timing Diagram for the SDA/SCL Serial Control Interface

9.5.4 SDA/SCL Programming Sequence

tim_prog_legend_lls781.gifFigure 8. Legend for Programming Sequence

Table 1. Byte WriteProgramming Sequence

1 7 1 1 8 1 8 1 1
S Slave Address Wr A Command Code A Data Byte A P

Table 2. Byte ReadProgramming Sequence

1 7 1 1 8 1 1 7 1 1 8 1 1
S Slave Address Wr A Command Code A S Slave Address Rd A Data Byte N P

Table 3. Word WriteProgramming Sequence:

1 7 1 1 8 1 8 1 8 1 1
S Slave Address Wr A Command Code A Data Byte Low A Data Byte High A P

Table 4. Word ReadProgramming Sequence:

1 7 1 1 8 1 1 7 1 1 8 1 8 1 1
S Slave Address Wr A Command Code A S Slave Address Rd A Data Byte A Data Byte N P

9.6 Register Maps

9.6.1 SDA/SCL Bus Configuration Command Bitmap

9.6.1.1 Byte 0:

BIT BIT NAME DESCRIPTION/FUNCTION TYPE POWER UP
CONDITION
REFERENCE TO
7 MANF[7] Manufacturer reserved R
6 MANF[6] Manufacturer reserved R
5 REV[2] Device revision R 1
4 REV[1] Device revision R 0
3 REV[0] Device revision R 0
2 MANF[2] Manufacturer reserved R
1 MANF[1] Manufacturer reserved R
0 MANF[0] Manufacturer reserved R

9.6.1.2 Byte 1:

BIT BIT NAME DESCRIPTION/FUNCTION TYPE POWER UP CONDITION REFERENCE TO
7 RES Reserved R/W 0
6 RES Reserved R/W 0
5 RES Reserved R/W 1
4 RES Reserved R/W 0
3 RES Reserved R/W 0
2 RES Reserved R/W 0
1 RES Reserved R/W 0
0 RES Reserved R/W 0

9.6.1.3 Byte 2:

BIT BIT NAME DESCRIPTION/FUNCTION TYPE POWER UP CONDITION REFERENCE TO
7 RES Reserved R/W 0
6 RES Reserved R/W 0
5 ENP1 Post-divider P1 enable; if 0 output YP[9:5] and YN[9:5] are disabled R/W 1
4 RES Reserved R/W 1
3 SELP1[3] Divide ratio select for post-divider P1 R/W 0 Table 7
2 SELP1[2] Divide ratio select for post-divider P1 R/W 0 Table 7
1 SELP1[1] Divide ratio select for post-divider P1 R/W 0 Table 7
0 SELP1[0] Divide ratio select for post-divider P1 R/W 0 Table 7

9.6.1.4 Byte 3:

BIT BIT NAME DESCRIPTION/FUNCTION TYPE POWER UP CONDITION REFERENCE TO
7 RES Reserved R/W 0
6 RES Reserved R/W 0
5 RES Reserved R/W 0
4 RES Reserved R/W 0
3 RES Reserved R/W 0
2 RES Reserved R/W 0
1 RES Reserved R/W 0
0 RES Reserved R/W 0

9.6.1.5 Byte 4:

BIT BIT NAME DESCRIPTION/FUNCTION TYPE POWER UP CONDITION REFERENCE TO
7 RES Reserved R/W 0
6 RES Reserved R/W 0
5 ENP0 Post-divider P0 enable. If 0, output YP[4:0] and YN[4:0] are disabled R/W 1
4 RES Reserved R/W 1
3 SELP0[3] Divide ratio select for post-divider P0 R/W 0 Table 7
2 SELP0[2] Divide ratio select for post-divider P0 R/W 0 Table 7
1 SELP0[1] Divide ratio select for post-divider P0 R/W 0 Table 7
0 SELP0[0] Divide ratio select for post-divider P0 R/W 0 Table 7

9.6.1.6 Byte 5:

BIT BIT NAME DESCRIPTION/FUNCTION TYPE POWER UP CONDITION REFERENCE TO
7 EN Chip enable; if 0 chip is in Iddq mode R/W 1
6 RES Reserved R 1
5 ENDRV9 YP[9], YN[9] enable; if 0 output is disabled R/W 1
4 ENDRV8 YP[8], YN[8] enable; if 0 output is disabled R/W 1
3 ENDRV7 YP[7], YN[7] enable; if 0 output is disabled R/W 1
2 ENDRV6 YP[6], YN[6] enable; if 0 output is disabled R/W 1
1 ENDRV5 YP[5], YN[5] enable; if 0 output is disabled R/W 1
0 ENDRV4 YP[4], YN[4] enable; if 0 output is disabled R/W 1

9.6.1.7 Byte 6:

BIT BIT NAME DESCRIPTION/FUNCTION TYPE POWER UP CONDITION REFERENCE TO
7 ENDRV3 YP[3], YN[3] enable; if 0 output is disabled R/W 1
6 ENDRV2 YP[2], YN[2] enable; if 0 output is disabled R/W 1
5 ENDRV1 YP[1], YN[1] enable; if 0 output is disabled R/W 1
4 ENDRV0 YP[0], YN[0] enable; if 0 output is disabled R/W 1
3 RES Reserved R/W 0
2 RES Reserved R/W 0
1 RES Reserved R/W 0
0 RES Reserved R/W 0

Table 7. Divide Ratio Settings for Post-Divider P0 or P1

DIVIDE RATIO SELP1[3] or
SELP0[3]
SELP1[2] or
SELP0[2]
SELP1[1] or
SELP0[1]
SELP1[0] or
SELP0[0]
NOTES
1 0 0 0 0 Default
2 0 0 0 1
4 0 0 1 0
5 0 0 1 1
8 0 1 0 0
10 0 1 0 1
16 0 1 1 0
20 0 1 1 1
32 1 0 0 0
40 1 0 0 1
80 1 0 1 0