ZHCSW40B February 2003 – July 2024 CD74AC238
PRODUCTION DATA
请参考 PDF 数据表获取器件具体的封装图。
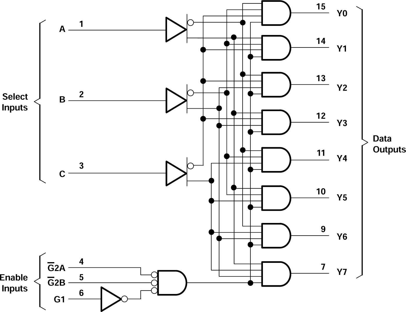
CD74AC238 解码器/多路信号分离器设计用于需要极短传播延迟时间的高性能存储器解码和数据路由应用。在高性能存储器系统中,可使用此解码器来尽可能地消除系统解码的影响。
| 器件型号 | 封装(1) | 封装尺寸(2) | 本体尺寸(3) |
|---|---|---|---|
| CD74AC238 | BQB(WQFN,16) | 3.5mm × 2.5mm | 3.5mm × 2.5mm |
| D(SOIC,16) | 9.9mm × 6mm | 9.9mm × 3.9mm | |
| PW(TSSOP,16) | 5.00mm × 6.4mm | 5.00mm × 4.40mm |
