ZHCSJC5E November   1998  – January 2019 CD4069UB

PRODUCTION DATA.  

  1. 特性
  2. 应用
  3. 说明
    1.     Device Images
      1.      CD4069UB 功能框图
  4. 修订历史记录
  5. Pin Configuration and Functions
    1.     Pin Functions
  6. Specifications
    1. 6.1 Absolute Maximum Ratings
    2. 6.2 ESD Ratings
    3. 6.3 Recommended Operating Conditions
    4. 6.4 Thermal Information
    5. 6.5 Electrical Characteristics – Dynamic
    6. 6.6 Electrical Characteristics – Static
    7. 6.7 Typical Characteristics
  7. Parameter Measurement Information
  8. Detailed Description
    1. 8.1 Overview
    2. 8.2 Functional Block Diagram
    3. 8.3 Feature Description
    4. 8.4 Device Functional Modes
  9. Application and Implementation
    1. 9.1 Application Information
    2. 9.2 Typical Application
      1. 9.2.1 Design Requirements
      2. 9.2.2 Detailed Design Procedure
      3. 9.2.3 Application Curves
  10. 10Power Supply Recommendations
  11. 11Layout
    1. 11.1 Layout Guidelines
    2. 11.2 Layout Example
  12. 12器件和文档支持
    1. 12.1 器件支持
      1. 12.1.1 第三方产品免责声明
    2. 12.2 文档支持
      1. 12.2.1 相关文档
    3. 12.3 社区资源
    4. 12.4 商标
    5. 12.5 静电放电警告
    6. 12.6 术语表
  13. 13机械、封装和可订购信息

封装选项

请参考 PDF 数据表获取器件具体的封装图。

机械数据 (封装 | 引脚)
  • D|14
  • PW|14
  • N|14
  • NS|14
散热焊盘机械数据 (封装 | 引脚)
订购信息

Parameter Measurement Information

CD4069UB Schem_Diag_SCHS054.gifFigure 10. Schematic Diagram of One of Six Identical Inverters
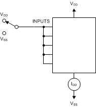
CD4069UB Quies_Dev_Curr_Test_Circ_SCHS063.gifFigure 11. Quiescent Device Current Test Circuit
CD4069UB Input_Volt_Test_Circ_SCHS063.gifFigure 12. Noise Immunity Test Circuit
CD4069UB Input_Curr_Test_Circ_SCHS063.gifFigure 13. Input Leakage Current Test Circuit
CD4069UB Dyn_Elec_Char_Test_Circ_SCHS054.gifFigure 14. Dynamic Electrical Characteristics Test Circuit and Waveform
CD4069UB Typ_Crystal_Osc_Circ_SCHS054.gifFigure 15. Typical Crystal Oscillator Circuit
CD4069UB High-Input_Imp_Amp_SCHS054.gifFigure 16. High-Input Impedance Amplifier
CD4069UB Typ_RC_Osc_Circ_SCHS054.gifFigure 17. Typical RC Oscillator Circuit
CD4069UB Input_Pulse_Shaping_Circ_SCHS054.gifFigure 18. Input Pulse Shaping Circuit
CD4069UB Dyn_Pwr_Diss_Test_Circ_SCHS054.gifFigure 19. Dynamic Power Dissipation Test Circuit