SCHS097F November   1998  – March 2017 CD40106B

PRODUCTION DATA.  

  1. Features
  2. Applications
  3. Description
  4. Revision History
  5. Pin Configuration and Functions
  6. Specifications
    1. 6.1 Absolute Maximum Ratings
    2. 6.2 ESD Ratings
    3. 6.3 Recommended Operating Conditions
    4. 6.4 Thermal Information
    5. 6.5 Electrical Characteristics: Static
    6. 6.6 Electrical Characteristics: Dynamic
    7. 6.7 Typical Characteristics
  7. Parameter Measurement Information
  8. Detailed Description
    1. 8.1 Overview
    2. 8.2 Functional Block Diagram
    3. 8.3 Feature Description
    4. 8.4 Device Functional Modes
  9. Application and Implementation
    1. 9.1 Application Information
    2. 9.2 Typical Applications
      1. 9.2.1 Wave Shaper
        1. 9.2.1.1 Design Requirements
        2. 9.2.1.2 Detailed Design Procedure
        3. 9.2.1.3 Application Curve
      2. 9.2.2 Monostable Multivibrator
      3. 9.2.3 Astable Multivibrator
  10. 10Power Supply Recommendations
  11. 11Layout
    1. 11.1 Layout Guidelines
    2. 11.2 Layout Example
  12. 12Device and Documentation Support
    1. 12.1 Receiving Notification of Documentation Updates
    2. 12.2 Community Resources
    3. 12.3 Trademarks
    4. 12.4 Electrostatic Discharge Caution
    5. 12.5 Glossary
  13. 13Mechanical, Packaging, and Orderable Information

封装选项

机械数据 (封装 | 引脚)
散热焊盘机械数据 (封装 | 引脚)
订购信息

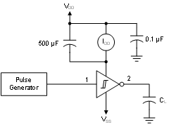
Parameter Measurement Information

CD40106B Input_Output_Char_SCHS097.gif Figure 12. Input and Output Characteristics
CD40106B Hyst_Def_Char_Test_SetUp_SCHS097.gif Figure 13. Hysteresis Definition, Characteristics, and Test Set-Up
CD40106B Quies_Dev_Curr_Test_Circ_SCHS063.gif Figure 14. Quiescent Device Current Test Circuit
CD40106B Input_Curr_Test_Circ_SCHS063.gif Figure 15. Input Current Test Circuit
CD40106B Dyn_Pwr_Diss_Test_Circ_SCHS097.gif Figure 16. Dynamic Power Dissipation Test Circuit