ZHCSJ35C September   2016  – May 2021 CC3220R , CC3220S , CC3220SF

PRODUCTION DATA  

  1. 特性
  2. 应用
  3. 说明
  4. 功能方框图
  5. Revision History
  6. Device Comparison
    1. 6.1 Related Products
  7. Terminal Configuration and Functions
    1. 7.1 Pin Diagram
    2. 7.2 Pin Attributes and Pin Multiplexing
      1. 7.2.1 Pin Descriptions
    3. 7.3 Signal Descriptions
      1. 7.3.1 Signal Descriptions
    4. 7.4 Pin Multiplexing
    5. 7.5 Drive Strength and Reset States for Analog and Digital Multiplexed Pins
    6. 7.6 Pad State After Application of Power to Chip But Before Reset Release
    7. 7.7 Connections for Unused Pins
  8. Specifications
    1. 8.1  Absolute Maximum Ratings
    2. 8.2  ESD Ratings
    3. 8.3  Power-On Hours (POH)
    4. 8.4  Recommended Operating Conditions
    5. 8.5  Current Consumption Summary (CC3220R, CC3220S)
    6. 8.6  Current Consumption Summary (CC3220SF)
    7. 8.7  TX Power and IBAT versus TX Power Level Settings
    8. 8.8  Brownout and Blackout Conditions
    9. 8.9  Electrical Characteristics (3.3 V, 25°C)
    10. 8.10 WLAN Receiver Characteristics
    11. 8.11 WLAN Transmitter Characteristics
    12. 8.12 WLAN Filter Requirements
      1. 8.12.1 WLAN Filter Requirements
    13. 8.13 Thermal Resistance Characteristics
      1. 8.13.1 Thermal Resistance Characteristics for RGK Package
    14. 8.14 Timing and Switching Characteristics
      1. 8.14.1 Power Supply Sequencing
      2. 8.14.2 Device Reset
      3. 8.14.3 Reset Timing
        1. 8.14.3.1 nRESET (32-kHz Crystal)
        2. 8.14.3.2 First-Time Power-Up and Reset Removal Timing Requirements (32-kHz Crystal)
        3. 8.14.3.3 nRESET (External 32-kHz)
          1. 8.14.3.3.1 First-Time Power-Up and Reset Removal Timing Requirements (External 32-kHz)
      4. 8.14.4 Wakeup From HIBERNATE Mode
      5. 8.14.5 Clock Specifications
        1. 8.14.5.1 Slow Clock Using Internal Oscillator
          1. 8.14.5.1.1 RTC Crystal Requirements
        2. 8.14.5.2 Slow Clock Using an External Clock
          1. 8.14.5.2.1 External RTC Digital Clock Requirements
        3. 8.14.5.3 Fast Clock (Fref) Using an External Crystal
          1. 8.14.5.3.1 WLAN Fast-Clock Crystal Requirements
        4. 8.14.5.4 Fast Clock (Fref) Using an External Oscillator
          1. 8.14.5.4.1 External Fref Clock Requirements (–40°C to +85°C)
      6. 8.14.6 Peripherals Timing
        1. 8.14.6.1  SPI
          1. 8.14.6.1.1 SPI Master
            1. 8.14.6.1.1.1 SPI Master Timing Parameters
          2. 8.14.6.1.2 SPI Slave
            1. 8.14.6.1.2.1 SPI Slave Timing Parameters
        2. 8.14.6.2  I2S
          1. 8.14.6.2.1 I2S Transmit Mode
            1. 8.14.6.2.1.1 I2S Transmit Mode Timing Parameters
          2. 8.14.6.2.2 I2S Receive Mode
            1. 8.14.6.2.2.1 I2S Receive Mode Timing Parameters
        3. 8.14.6.3  GPIOs
          1. 8.14.6.3.1 GPIO Output Transition Time Parameters (Vsupply = 3.3 V)
            1. 8.14.6.3.1.1 GPIO Output Transition Times (Vsupply = 3.3 V) (1) (1)
          2. 8.14.6.3.2 GPIO Output Transition Time Parameters (Vsupply = 1.85 V)
            1. 8.14.6.3.2.1 GPIO Output Transition Times (Vsupply = 1.85 V) (1) (1)
          3. 8.14.6.3.3 GPIO Input Transition Time Parameters
            1. 8.14.6.3.3.1 GPIO Input Transition Time Parameters'
        4. 8.14.6.4  I2C
          1. 8.14.6.4.1 I2C Timing Parameters (1)
        5. 8.14.6.5  IEEE 1149.1 JTAG
          1. 8.14.6.5.1 JTAG Timing Parameters
        6. 8.14.6.6  ADC
          1. 8.14.6.6.1 ADC Electrical Specifications
        7. 8.14.6.7  Camera Parallel Port
          1. 8.14.6.7.1 Camera Parallel Port Timing Parameters
        8. 8.14.6.8  UART
        9. 8.14.6.9  SD Host
        10. 8.14.6.10 Timers
  9. Detailed Description
    1. 9.1 Arm® Cortex®-M4 Processor Core Subsystem
    2. 9.2 Wi-Fi Network Processor Subsystem
      1. 9.2.1 WLAN
      2. 9.2.2 Network Stack
    3. 9.3 Security
    4. 9.4 Power-Management Subsystem
      1. 9.4.1 VBAT Wide-Voltage Connection
      2. 9.4.2 Preregulated 1.85-V Connection
    5. 9.5 Low-Power Operating Mode
    6. 9.6 Memory
      1. 9.6.1 External Memory Requirements
      2. 9.6.2 Internal Memory
        1. 9.6.2.1 SRAM
        2. 9.6.2.2 ROM
        3. 9.6.2.3 Flash Memory
        4. 9.6.2.4 Memory Map
    7. 9.7 Restoring Factory Default Configuration
    8. 9.8 Boot Modes
      1. 9.8.1 Boot Mode List
  10. 10Applications, Implementation, and Layout
    1. 10.1 Application Information
      1. 10.1.1 Typical Application —CC3220x Wide-Voltage Mode
      2. 10.1.2 Typical Application Schematic—CC3220x Preregulated, 1.85-V Mode
    2. 10.2 PCB Layout Guidelines
      1. 10.2.1 General PCB Guidelines
      2. 10.2.2 Power Layout and Routing
        1. 10.2.2.1 Design Considerations
      3. 10.2.3 Clock Interfaces
      4. 10.2.4 Digital Input and Output
      5. 10.2.5 RF Interface
  11. 11Device and Documentation Support
    1. 11.1 Development Tools and Software
    2. 11.2 Firmware Updates
    3. 11.3 Device Nomenclature
    4. 11.4 Documentation Support
    5. 11.5 支持资源
    6. 11.6 Trademarks
    7. 11.7 Electrostatic Discharge Caution
    8. 11.8 Export Control Notice
    9. 11.9 术语表
  12. 12Mechanical, Packaging, and Orderable Information
    1. 12.1 Packaging Information

封装选项

机械数据 (封装 | 引脚)
散热焊盘机械数据 (封装 | 引脚)
订购信息

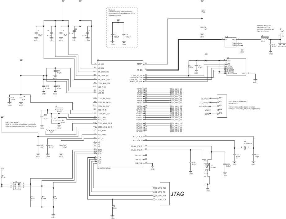
Typical Application Schematic—CC3220x Preregulated, 1.85-V Mode

Figure 10-2 shows the typical application schematic using the CC3220x in preregulated, 1.85-V mode of operation. For addition information on this mode of operation please contact your TI representative.

GUID-2ED2944C-7D7C-4F34-9F2A-2C8516BF5C65-low.gif Figure 10-2 CC3220x Preregulated 1.85-V Mode Application Circuit

Table 10-2 lists the bill of materials for an application using the CC3120R device in preregulated 1.85-V mode.

Table 10-2 Bill of Materials for CC3220x Preregulated, 1.85-V Mode
QUANTITY DESIGNATOR VALUE MANUFACTURER PART NUMBER DESCRIPTION
1 C1 1 µF MuRata GRM155R61A105KE15D Capacitor, Ceramic, 1 µF, 10 V, ±10%, X5R, 0402
10 C2, C6, C10, C11, C12, C13, C17, C18, C20, C21 0.1 µF TDK C1005X5R1A104K050BA Capacitor, Ceramic, 0.1 µF, 10 V, ±10%, X5R, 0402
3 C3, C4, C5 4.7 µF TDK C1005X5R0J475M050BC Capacitor, Ceramic, 4.7 µF, 6.3 V, ±20%, X5R, 0402
2 C7, C8 100 µF Taiyo Yuden LMK325ABJ107MMHT Capacitor, Ceramic, 100 µF, 10 V, ± 20%, X5R, AEC-Q200 Grade 3, 1210
1 C9 0.5 pF MuRata GRM1555C1HR50BA01D Capacitor, Ceramic, 0.5 pF, 50 V, ±20%, C0G/NP0, 0402
1 C14 1 µF TDK C1005X5R1A105K050BB Capacitor, Ceramic, 1 µF, 10 V, ±10%, X5R, 0402
1 C15 22 µF TDK C1608X5R0G226M080AA Capacitor, Ceramic, 22 µF, 4 V, ±20%, X5R, 0603
2 C16, C19 10 µF MuRata GRM188R60J106ME47D Capacitor, Ceramic, 10 µF, 6.3 V, ±20%, X5R, 0603
2 C22, C23 10 pF MuRata GRM1555C1H100JA01D Capacitor, Ceramic, 10 pF, 50 V, ±5%, C0G/NP0, 0402
2 C24, C25 6.2 pF MuRata GRM1555C1H6R2CA01D Capacitor, Ceramic, 6.2 pF, 50 V, ±5%, C0G/NP0, 0402
1 U1 MX25R Macronix International Co. LTD MX25R3235FM1IL0 Ultra-low power, 32-Mbit [x 1/x 2/x 4] CMOS MXSMIO
(Serial Multi I/O) Flash Memory, SOP-8
1 E1 2.45-GHz Antenna Taiyo Yuden AH316M245001-T ANT Bluetooth W-LAN Zigbee®WiMAX™, SMD
1 FL1 1.02 dB TDK DEA202450BT-1294C1-H Multilayer Chip Band Pass Filter For 2.4GHz W-LAN/Bluetooth, SMD
1 L1 3.3 nH MuRata LQG15HS3N3S02D Inductor, Multilayer, Air Core, 3.3 nH, 0.3 A, 0.17 ohm, SMD
1 L2 2.2 µH MuRata LQM2HPN2R2MG0L Inductor, Multilayer, Ferrite, 2.2 µH, 1.3 A, 0.08 ohm, SMD
1 L3(1) 10 µH Taiyo Yuden CBC2518T100M Inductor, Wirewound, Ceramic, 10 µH, 0.48 A, 0.36 ohm, SMD
1 R1 10 k Vishay-Dale CRCW040210K0JNED Resistor, 10 k, 5%, 0.063 W, 0402
4 R2, R3, R4, R6 100 k Vishay-Dale CRCW0402100KJNED Resistor, 100 k, 5%, 0.063 W, 0402
1 R5 2.7 k Vishay-Dale CRCW04022K70JNED Resistor, 2.7 k, 5%, 0.063 W, 0402
1 R7 270 Vishay-Dale CRCW0402270RJNED Resistor, 270, 5%, 0.063 W, 0402
1 U2 CC3220 Texas Instruments CC3220SF12RGK SimpleLink™ Wi-Fi® and internet-of-things solution, a Single-Chip Wireless MCU, RGK0064B
1 Y1 Crystal Abracon Corporation ABS07-32.768KHZ-9-T Crystal, 32.768 kHZ, 9PF, SMD
1 Y2 Crystal Epson Q24FA20H0039600 Crystal, 40 MHz, 8pF, SMD
For CC3220SF device, L3 is populated. For CC3220R and CC3220S devices, L3 is not populated and Pin 47 can be used as GPIO_31.